Operation CHARM: Car repair manuals for everyone.
Manuals through 2025 now available!

Our trusted friends have launched a new website named LEMON, which has newer manuals. It also contains all the CHARM manuals.

LEMON is the spiritual successor to CHARM, I recommend you try it!

Link: lemon-manuals.la or lemon-manuals.org.ua

(Some people have issue connecting. LEMON is investigating. For now, use Firefox or change your DNS server)

Or, hide this message: temporarily or permanently

General Information



General information
The ACC adjustment may only be set using a VW/Audi-approved wheel alignment tester and adjustment device!

A correct adjustment is required for perfect ACC function.

Note: A new adjustment is necessary if:

^ Rear axle toe is adjusted.
^ The complete radar sensor is replaced.
^ Cross member for bumper is loosened or adjusted.
^ There is damage on the front end.

Special Tools and Equipment
^ V.A.G 1813 Wheel alignment computer
^ VAS 6190 or VAS 6041 and VAS 6041/1





^ VAS 5051 tester
^ VAS 5051/5a Diagnostic cable

ACC Adjustment procedure prerequisite

Ensure vehicle wheel alignment is in specifications.

Adjustment procedure

- Connect battery charger





- Remove cover -1- on bumper.





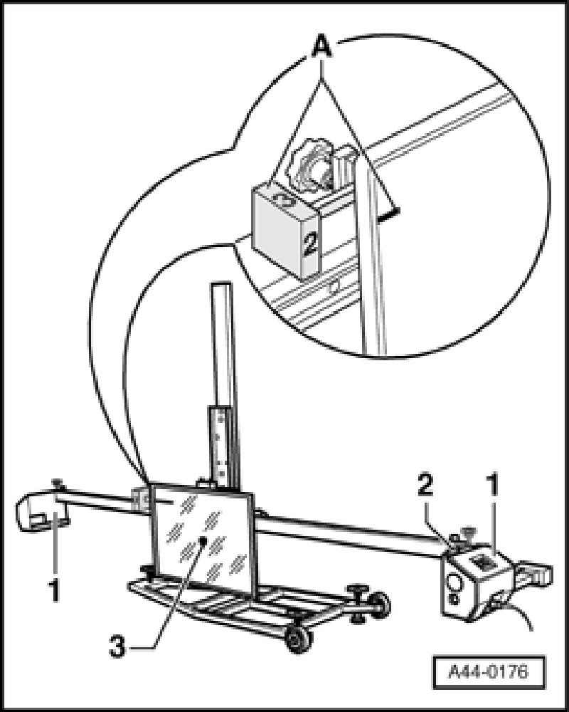
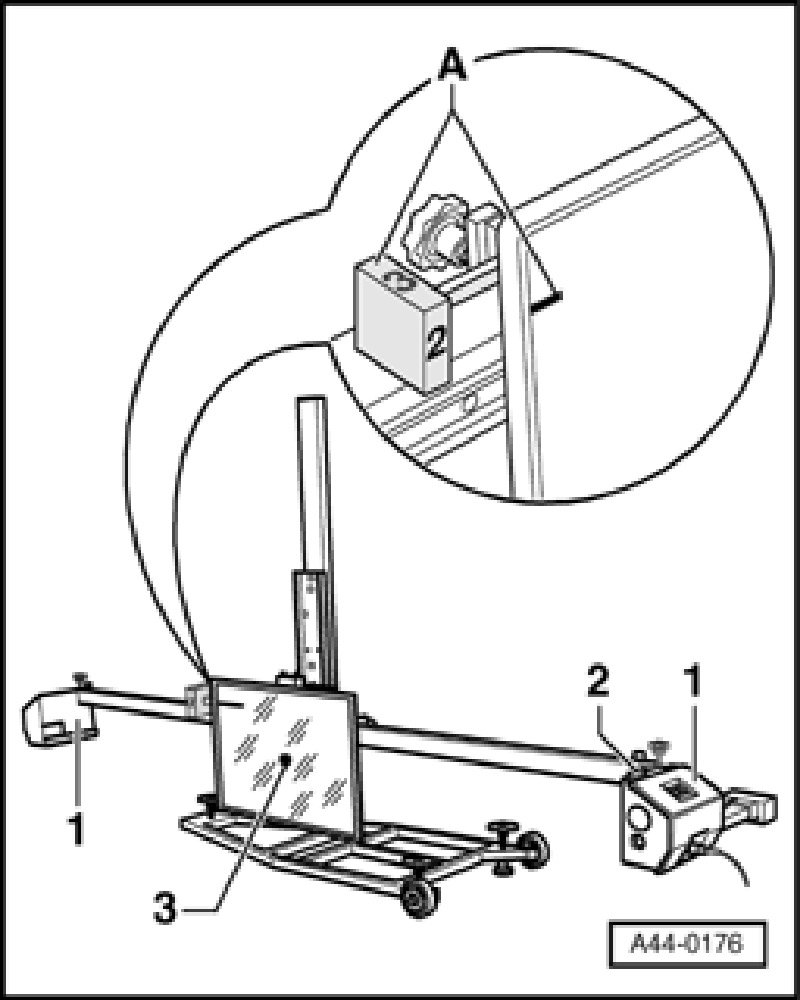
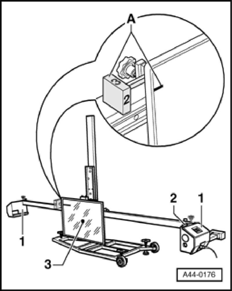
- Attach device for coarse adjustment -1- on radar sensor (slide on to impact).





- Position VAS 6091 at distance -A- of 120 cm ± 5 cm from coarse adjustment device to mirror surface.





- Measuring sensor -1- on the front wheels at VAS 6190 take up.





- Using rotary knob adjust position 2 into area -A- on mirror





- Now, align the VAS 6190 (see arrow -B-) by moving to the side so that laser beam meets center of coarse adjustment device horizontally.





- Bring the bubble levels -2- on VAS 6190 into balance using adjustment screws -1-.
- Adjust the vertical carriage -4- of VAS 6190 so that laser beam meets center of coarse adjustment tool vertically.
- Adjust the same individual toe settings of front axle using fine adjustment screw -3-.
- Difference of both individual toe settings must be -less than 6°- or equal-.





- Align the bubble levels -2- of pick-up -1-.
- Now check pre-adjustment using laser beam -3- on VAS 6190.





- The reflected laser beam must impinge laser output point -3- of VAS 6190 again.
- If reflected laser beam does not impinge laser output point again, a pre-adjustment must be performed.





- Adjust reflected laser beam on laser output point at screws -1- and -2- using a long 3 mm socket wrench.
- After the pre-adjustment, use the adjustment tool to make fine adjustments
- Connect VAS 5051 tester.

WARNING:
^ Test equipment must always be secured on the rear seat during a road test.
^ Drivers must NEVER operate these tools while driving.






- Connect the VAS 5051/5a diagnostic cable connector to diagnostic connection.





- Switch on tester (arrow).
The tester is ready for operation when it displays the image (photo) of a vehicle.
- Switch on ignition.
- Touch the field / the button on the screen: Guided Fault Finding.
- Select one after another:
^ Brand
^ Model
^ Model year
^ Version
^ Engine identification
- Confirm the entered data.

Note: Wait until tester has checked all control modules installed in the vehicle.

- Press the Go To button and select the "Function/component selection" function.

Then

- "Body"
- "Electrical equipment"
- "01-On Board Diagnostic (OBD) capable systems"
- "-J428- Control module for distance regulation"
- "-J428- Control module for distance regulation, functions"
- "-J428- Control module for distance regulation, adjust"

Note: Now follow instructions on screen to perform the adjustment.





- For fine adjustments in Guided Fault Finding, use screws -1- and -2-.

WARNING: The ACC adjustment is only accepted if actuator test ended is displayed in VAS 5051.