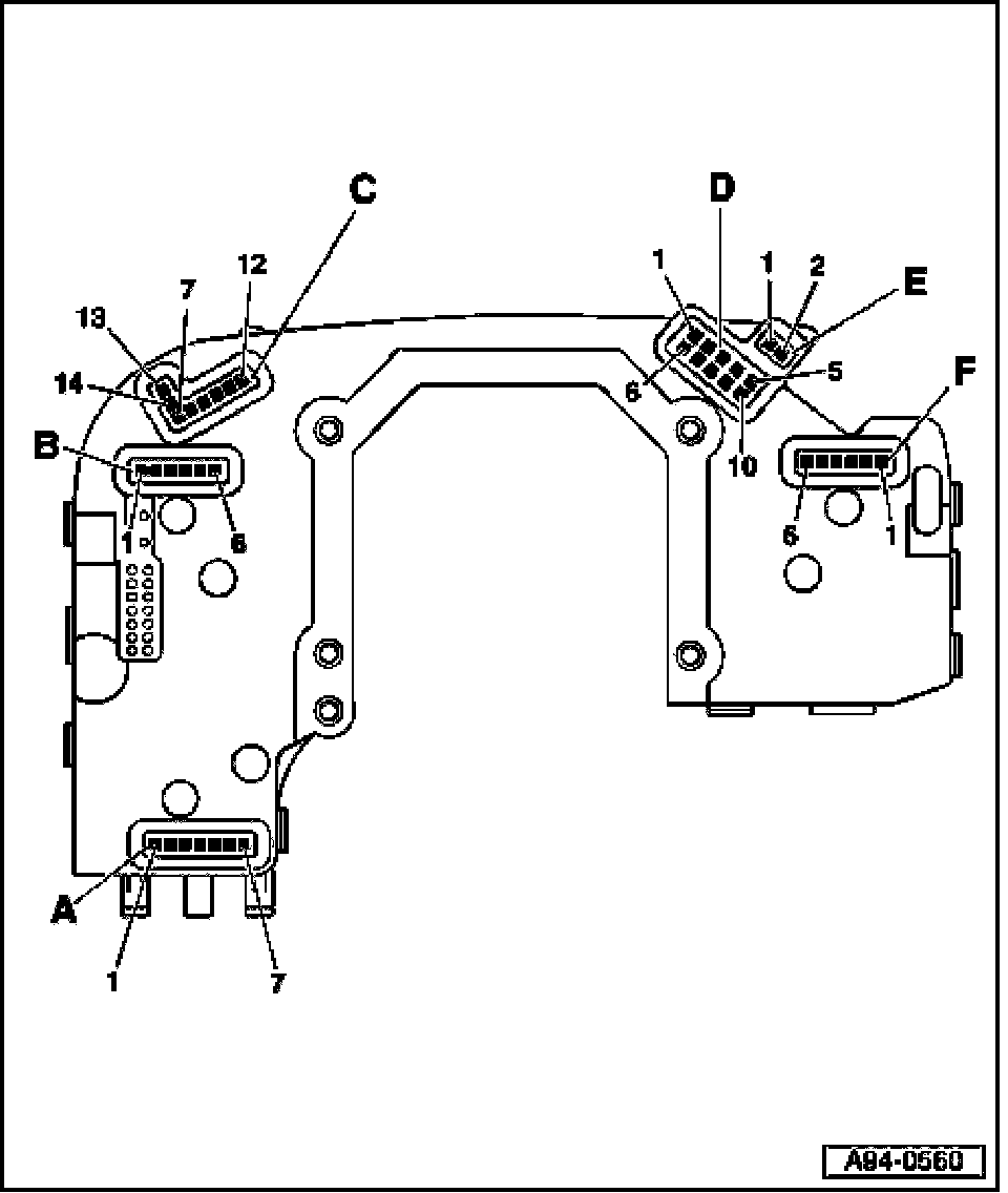
Connection Assignment At Steering Column Electronic Systems Control Module J527 (Front)
Connection Assignment At Steering Column Electronic Systems Control Module J527(front)
General information
Steering Column Electronic Systems Control Module J527 is part of complete "steering column switch module" (SCSM) system and receives signals from steering column switch, for example.
Checking Steering Column Electronic Systems Control Module J527.
A - Cruise control connector
1. Ground (GND)
2. Fix
3. Distance
4. 2 V power supply
5. Activation/touch function "Off"
6. Acceleration/deceleration
7. Locked "Off"
B - Turn signal indicator connector
1. Ground (GND)
2. Radio telephone (special-purpose vehicles)
3. Alarm (special-purpose vehicles)
4. Not used
5. Headlight flasher/light control
6. Turn signal indicators
C - Harness connector of multi-function steering wheel/Tiptronic/heated steering wheel
7. Touch
8. Multi-function steering wheel "+" power supply
9. Multi-function steering wheel/data
10. Touch ""
11. Multi-function steering wheel/dimmer
12. Tiptronic Ground (GND)
13. Heated steering wheel "+"
14. Heated steering wheel ""
D - Steering Angle Sensor
1. Light barrier 5
2. Light barrier 3
3. Light barrier 1
4. 12 V power supply
5. 5 V power supply
6. Light barrier 6
7. Light barrier 4
8. Light barrier 2
9. Steering Angle Sensor ground
10. Light barrier 7
E - Horn
1. Horn ground
2. Horn
F - Wiper system
1. Ground (GND)
2. Intermittent wipe potentiometer
3. Board computer
4. Not used
5. Wash
6. Wipe ""