Operation CHARM: Car repair manuals for everyone.
Manuals through 2025 now available!

Our trusted friends have launched a new website named LEMON, which has newer manuals. It also contains all the CHARM manuals.

LEMON is the spiritual successor to CHARM, I recommend you try it!

Link: lemon-manuals.la or lemon-manuals.org.ua

(Some people have issue connecting. LEMON is investigating. For now, use Firefox or change your DNS server)

Or, hide this message: temporarily or permanently

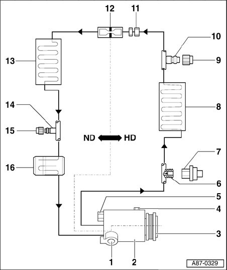
Exploded View of Components




A/C Refrigerant Circuit, Servicing

NOTE:
- Repair work on refrigerant circuit.
- All work or components marked with 1) can be repaired, replaced or performed in any workshop (work that does not pertain to refrigerant circuit).
- All refrigerant circuit components not marked with 1) as well as all coolant hoses and - lines can only be serviced or replaced in an A/C system service point workshop (refrigerant circuit must be discharged).

Exploded View Of Components

HD = High-pressure end

ND = Low-pressure end







1. A/C Compressor Regulator Valve N280
- Checking activation and function
2. Compressor
- Removing compressor from bracket and re-installing in vehicles with 8-cyl. MPI engine and
- Removing compressor from bracket and re-installing in vehicles with 12-cyl. engine and
- Compressor, removing and installing in vehicles with 8-cyl. FSI engine
- Compressor, removing and installing in vehicles with 10-cyl. engine
- On installing refrigerant lines and corresponding holder, make sure there is adequate distance between belt, holder and pulley
- Type of compressor differs depending on engine (8, 10 or 12-cyl. gasoline engine) Parts Catalog
Depending on compressor type ("6 SEU 14", "7 SEU 16" or "7 SEU 17") different refrigerant oil fill capacities are designated for the refrigerant circuit Parts Catalog
3. Compressor belt pulley/drive unit
- Replacing compressor pulley 1)
- Ribbed belt, removing and installing 1)
- Allocation of ribbed belt Parts Catalog
- Replacing compressor drive unit (vehicles with 8-cyl. FSI or 10-cyl. engine)

NOTE:
- Rubber element is fitted between pulley and drive shaft of compressor to protect belt if compressor is blocked or not operating smoothly.
- An overload safeguard is installed between drive unit and drive shaft of compressor to protect engine chain drive in the event compressor is seized or does not move freely.
- If compressor is runs with resistance, overload safeguard interrupts power transmission to compressor.
- Rubber elements are installed between belt pulley/drive unit and compressor drive shaft, vibrations which may occur during compressor operation may be dissipated via these rubber elements (damper function at torque fluctuations).
- Depending on compressor type, different belt pulleys are installed on compressor.

4. Oil drain plug
5. High pressure relief valve
6. Connection with valve
7. High Pressure Sensor G65 1)
- Checking signal
8. Condenser
9. Cap
- With seal
- Always to be screwed on
10. Service connection
- High pressure side
- Used for measuring, discharging and recharging by A/C system service point workshops
11. Bolts in refrigerant line
12. Restrictor
13. Evaporator
14. Service connection
- Low pressure side
- Used for measuring and discharging by A/C system service point workshops
15. Cap
- With seal
- Always to be screwed on
16. Accumulator