Operation CHARM: Car repair manuals for everyone.
Manuals through 2025 now available!

Our trusted friends have launched a new website named LEMON, which has newer manuals. It also contains all the CHARM manuals.

LEMON is the spiritual successor to CHARM, I recommend you try it!

Link: lemon-manuals.la or lemon-manuals.org.ua

(Some people have issue connecting. LEMON is investigating. For now, use Firefox or change your DNS server)

Or, hide this message: temporarily or permanently

Motronic Engine Control Module Power Supply Relay, Checking








Motronic Engine Control Module Power Supply Relay, Checking

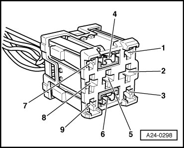
Motronic Engine Control Module (ECM) Power Supply Relay (J271) is located in electronics box in plenum chamber, relay position 2.







This test is only for vehicles up to m.y. 2004.

Vehicles as of m.y. 2005, check Motronic Engine Control Module (ECM) Power Supply Relay (J271) according to wiring diagram.

- Disconnect voltage supply relay - 2 -.

Voltage Supply, Checking

- Connect multimeter for voltage measurement as follows.









Specified value: approx. battery voltage

If specified value is not obtained:

- Repair open circuit in wiring or short circuit if necessary.

Activation, Checking

- Connect portable multimeter (VAG1526) for voltage measurement as follows.









- Switch ignition on.

Specified value: approx. battery voltage

- Switch ignition off.

If specified value is not obtained:

- Connect test box (VAG1598/31) to wiring harness of Engine Control Module (ECM),

- Check the following wire connection for open circuit according to wiring diagram:









- Check the wire for short circuit to B+ and Ground (GND).

Specified value: infinite ohms (no continuity)

- Repair open circuit in wiring or short circuit if necessary.

If no malfunctions are detected:

- Replace Motronic Engine Control Module (ECM) Power Supply Relay (J271).

- Read readiness code => [ Readiness Code, Reading ] Monitors, Trips, Drive Cycles and Readiness Codes. If DTC memory was erased, readiness code must be generated again => [ Readiness Code, Generating ] Monitors, Trips, Drive Cycles and Readiness Codes.