Operation CHARM: Car repair manuals for everyone.
Manuals through 2025 now available!

Our trusted friends have launched a new website named LEMON, which has newer manuals. It also contains all the CHARM manuals.

LEMON is the spiritual successor to CHARM, I recommend you try it!

Link: lemon-manuals.la or lemon-manuals.org.ua

(Some people have issue connecting. LEMON is investigating. For now, use Firefox or change your DNS server)

Or, hide this message: temporarily or permanently

Steering Column



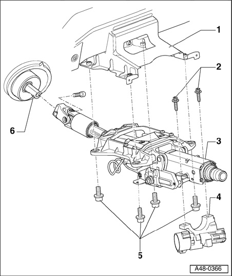
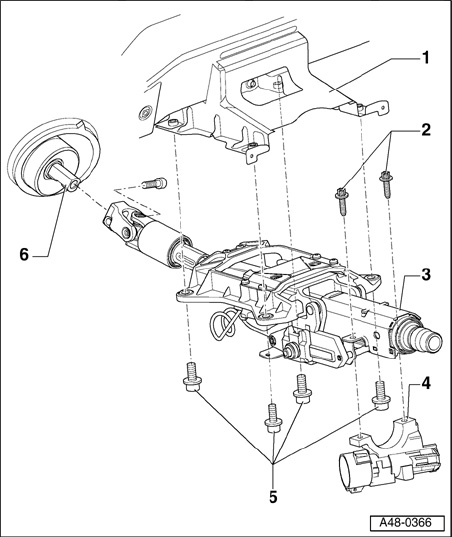
Steering column, assembly overview
The replacement steering column is only supplied as a complete unit. Repair is not possible.

The steering lock with ignition/starter switch (without lock cylinder) can be transferred from the old part.





1 - Retaining plate


2 - Shear bolt, 15 Nm

3 - Steering column

4 - Steering lock with ignition/starter switch (without lock cylinder)

5 - Combi bolt, 22 Nm

6 - Power steering gear

Note:
The movable splines between the top section and the bottom section of the steering column must on no account be separated.

^ Movement beyond a range of ± 5 cm can lead to damage to the steering column.

^ To avoid damage, please refer to see Transport lock.