Operation CHARM: Car repair manuals for everyone.
Manuals through 2025 now available!

Our trusted friends have launched a new website named LEMON, which has newer manuals. It also contains all the CHARM manuals.

LEMON is the spiritual successor to CHARM, I recommend you try it!

Link: lemon-manuals.la or lemon-manuals.org.ua

(Some people have issue connecting. LEMON is investigating. For now, use Firefox or change your DNS server)

Or, hide this message: temporarily or permanently

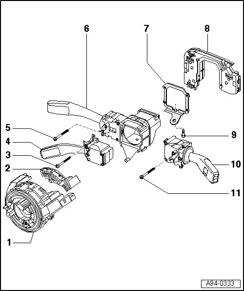
Steering Column Switch Module (SCSM), Overview






Steering Column Switch Module (SCSM), Overview





1 Coil connector with slip ring

Removing and installing, refer to => [ Airbag Spiral Spring/Return Spring With Slip Ring ] Service and Repair

CAUTION!
Coil connector with slip ring is not to be turned following removal.

2 Steering Angle Sensor (G85)

Removing and installing, Refer to => [ Steering Angle Sensor ] Service and Repair

3 Socket head bolt - 0.65 Nm

4 Cruise Control Switch (E45)

Removing and installing, Refer to => [ Cruise Control Switch ] Service and Repair

5 Socket head bolt - 0.65 Nm

6 Turn Signal Switch (E2)

Removing and installing, refer to => [ Turn Signal Switch ] Service and Repair

7 Retainer

8 Steering Column Electronic Systems Control Module (J527)

Removing and installing, Refer to => [ Steering Column Electronic Systems Control Module ] Service and Repair

Connector assignment, steering column electronic systems control module (J527). Refer to => [ Steering Column Electronic Systems Control Module Connector Assignment, Front Side ] Steering Column Electronic Systems Control Module Connector Assignment, Front Side

9 Clamping bolt, 3 Nm

10 Windshield Wiper/Washer Switch (E22)

Removing and installing, refer to => [ Windshield Wiper/Washer Switch ] Service and Repair

11 Socket head bolt - 0.65 Nm