Navigation System II-D Operating Electronics, Navigation Control Module, Connector Assignments
Navigation System II-D Operating Electronics, Navigation Control Module, Connector Assignments
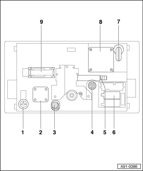
1 HF connection (black) from Navigation Interface (R94)
2 Fan
3 IF connection (yellow) to Antenna Selection Control Module (J515)/Left Antenna Module (R108)
4 11-pin multi-pin connector (T11) from Navigation/TV Tuner (J415)
5 Ground connection
6 Connector block with three multi-pin connectors and device fuse
7 GPS connection (blue) from Navigation System Antenna (R50)
8 Fan
9 Black 26-pin multi-pin connector (T26)
• Unlisted connector terminals are not assigned.
4 - 11-pin multi-pin connector (T11)
1 Audio ground from Navigation/TV Tuner (J415)
2 Left audio input from Navigation/TV Tuner (J415)
3 Right audio input from Navigation/TV Tuner (J415)
4 Video input sync. from Navigation/TV Tuner (J415)
5 Video ground from Navigation/TV Tuner (J415)
6 Switch A (NTSC=60Hz/PAL=50Hz) (not used)
7 Switch B (Monitor On) (not used)
8 Video input blue from Navigation/TV Tuner (J415)
9 Video input green from Navigation/TV Tuner (J415)
10 Video input red from Navigation/TV Tuner (J415)
11 Screen ground from Navigation/TV Tuner (J415)
6 - Multi-pin connector I, 20-pin, (T20d) black
1 Left rear signal to Amplifier (R12)
2 Right rear signal to Amplifier (R12)
3 Signal ground to Radio ( R12)
4 Left front signal to Amplifier (R12) (only with BOSE(R))
5 Right front signal to Amplifier (R12) (only with BOSE(R))
6 Positive switched to Amplifier (R12)
7 NF (+) from Telephone Transceiver (R36)
10 CD ground to CD Changer ( R41)
12 NF (-) from Telephone Transceiver (R36)
13 CD data in from CD Changer (R41)
14 CD data out to CD Changer ( R41)
15 CD CLK from CD Changer ( R41)
16 Permanent positive to CD Changer (R41)
17 Positive switched to CD Changer (R41)
18 CD ground to CD Changer ( R41)
19 Left signal from CD Changer (R41)
20 Right signal from CD Changer (R41)
6 - Multi-pin connector II, 8-pin, (T8a) brown
3 Right front speaker (+) (not with BOSE(R))
4 Right front speaker (-) (not with BOSE(R))
5 Left front speaker (+) (not with BOSE(R))
6 Left front speaker (-) (not with BOSE(R))
6 - Multi-pin connector III, 8-pin, (T8) black
1 Speed signal
2 NF mute from Telephone Transceiver (R36)
3 L-diagnostic
4 Terminal 86s
5 SAFE (terminal 30) connected with pin 7
6 Terminal 58s
7 Terminal 30
8 Terminal 31
9 - Black 26-pin multi-pin connector (T26)
1 Anti-theft warning system ground from Comfort System Central Control Module (J393)
4 Terminal 15
5 Left speed sensor input
6 FAW NF (+) (not used)
13 CAN-BUS High (BOSCH)
14 Positive switched (not used)
17 Signal from Back-Up Light Switch (F4)
18 Right speed sensor input (not used)
19 FAW NF (-) (not used)
20 FAW NF (screen) (not used)
26 CAN-BUS Low (BOSCH)