Operation CHARM: Car repair manuals for everyone.
Manuals through 2025 now available!

Our trusted friends have launched a new website named LEMON, which has newer manuals. It also contains all the CHARM manuals.

LEMON is the spiritual successor to CHARM, I recommend you try it!

Link: lemon-manuals.la or lemon-manuals.org.ua

(Some people have issue connecting. LEMON is investigating. For now, use Firefox or change your DNS server)

Or, hide this message: temporarily or permanently

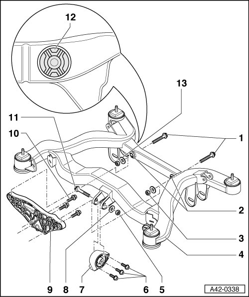
Subframe Mount Component Overview






Subframe Mount Component Overview





1 - Combi-bolt

2 - Rear differential mount

3 - Hex nut

4 - Subframe

5 - Hex nut

6 - Combi-bolt

7 - Final drive support

8 - Washer

9 - Rear crossmember

10 - Combi-bolt

11 - Combi-bolt

12 - Rear differential mount web alignment

13 - Washer