Operation CHARM: Car repair manuals for everyone.
Manuals through 2025 now available!

Our trusted friends have launched a new website named LEMON, which has newer manuals. It also contains all the CHARM manuals.

LEMON is the spiritual successor to CHARM, I recommend you try it!

Link: lemon-manuals.la or lemon-manuals.org.ua

(Some people have issue connecting. LEMON is investigating. For now, use Firefox or change your DNS server)

Or, hide this message: temporarily or permanently

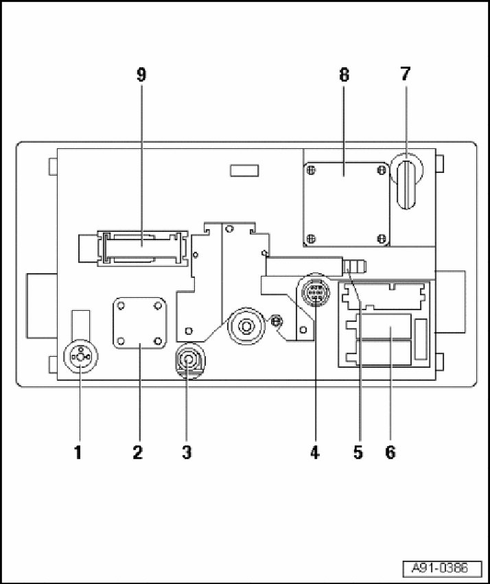
Operating Electronics, Navigation Control Module, Connector Assignments



Operating Electronics, Navigation Control Module, Connector Assignments







1 - HF connection (black) from Navigation Interface R94
2 - Fan
3 - IF connection (yellow) to Antenna Selection Control Module J515 / Left Antenna Module R108
4 - 11-pin multi-pin connector (T11) from Navigation/TV Tuner J415
5 - Ground connection
6 - Connector block with three multi-pin connectors and device fuse
7 - GPS connection (blue) from Navigation System Antenna R50 8-Fan
9 - Black 26-pin multi-pin connector (T26)

NOTE: Unlisted connector terminals are not assigned.







4 - 11-pin multi-pin connector (T11)
1 - Audio ground from Navigation/TV Tuner J415
2 - Left audio input from Navigation/TV Tuner J415
3 - Right audio input from Navigation/TV Tuner J415
4 - Video input sync, from Navigation/TV Tuner J415
5 - Video ground from Navigation/TV Tuner J415
6 - Switch A (NTSC=60Hz/PAL=50Hz) (not used)
7 - Switch B (Monitor On) (not used)
8 - Video input blue from Navigation/TV Tuner J415
9 - Video input green from Navigation/TV Tuner J415
10 - Video input red from Navigation/TV Tuner J415
11 - Screen ground from Navigation/TV Tuner J415







6 - Multi-pin connector I, 20-pin, (T20d) black
1 - Left rear signal to Amplifier R12
2 - Right rear signal to Amplifier R12
3 - Signal ground to Radio R12
4 - Left front signal to Amplifier R12 (only with BOSE)
5 - Right front signal to Amplifier R12 (only with BOSE)
6 - Positive switched to Amplifier R12
7 - NF (+) from Telephone Transceiver R36
10 - CD ground to CD Changer R41
12 - NF (-) from Telephone Transceiver R36
13 - CD data in from CD Changer R41
14 - CD data out to CD Changer R41
15 - CD CLK from CD Changer R41
16 - Permanent positive to CD Changer R41
17 - Positive switched to CD Changer R41
18 - CD ground to CD Changer R41
19 - Left signal from CD Changer R41
20 - Right signal from CD Changer R41







6 - Multi-pin connector II, 8-pin, (T8a) brown
3 - Right front speaker (+) (not with BOSE)
4 - Right front speaker (-) (not with BOSE)
5 - Left front speaker (+) (not with BOSE)
6 - Left front speaker (-) (not with BOSE)







6 - Multi-pin connector III, 8-pin, (T8) black
1 - Speed signal
2 - NF mute from Telephone Transceiver R36
3 - L-diagnostic
4 - Terminal 86s
5 - SAFE (terminal 30) connected with pin 7
6 - Terminal 58s
7 - Terminal 30
8 - Terminal 31







9 - Black 26-pin multi-pin connector (T26)
1 - Anti-theft warning system ground from Comfort System Central Control Module J393
4 - Terminal 15
5 - Left speed sensor input
6 - FAW NF (+) (not used)
13 - CAN-BUS High (BOSCH)
14 - Positive switched (not used)
17 - Signal from Back-Up Light Switch F4
18 - Right speed sensor input (not used) 19-FAWNF(-)(notused)
20 - FAW NF (screen) (not used)
26 - CAN-BUS Low (BOSCH)