Operation CHARM: Car repair manuals for everyone.
Manuals through 2025 now available!

Our trusted friends have launched a new website named LEMON, which has newer manuals. It also contains all the CHARM manuals.

LEMON is the spiritual successor to CHARM, I recommend you try it!

Link: lemon-manuals.la or lemon-manuals.org.ua

(Some people have issue connecting. LEMON is investigating. For now, use Firefox or change your DNS server)

Or, hide this message: temporarily or permanently

Adjustment Procedure Using ACC Setting Device VAS 6190






Adjustment Procedure Using ACC Setting Device VAS 6190

Special tools, testers and auxiliary items required

Vehicle diagnosis, testing and information system (VAS 5051 A)

Diagnostic Cable (VAS 5051/5A)

ACC Adjustment Device (VAS 6190)

Wheel alignment computer

Adjustment Tool (VAS 6190/2)

The (VAS 6190) may have to be adapted for the adjustment procedure. Refer to => [ ACC Setting Device VAS 6190, Converting for Adjustment Procedure ] ACC Setting Device VAS 6190, Converting for Adjustment Procedure.

Before driving the vehicle onto the alignment stand, check whether there is a sufficiently large space between the vehicle and the (VAS 6190). The distance between the (VAS 6190) and the vehicle must be 120 cm +/- 5 cm.

If there is not sufficient space, drive vehicle backward on alignment stand in order to be able to use the corresponding space.

Before beginning the adjustment, check the DTC memory and correct any malfunctions present.

The adjustment procedure is described here with the (VAS 6190). However the ADC test fixture (VAS 6041) and ADC reflector mirror (VAS 6041/1) can also be used.

If there was a previous axle alignment, the steps under "Calibration procedure without a previous axle alignment" should not performed.

Calibration Procedure without a Previous Axle Alignment

- Connect battery charger.

- Select the ACC calibration button on the alignment computer.

- Install quick clamps on the rear wheels.

- Install measuring sensors on the rear wheels.

- Perform a rim run-out compensation on the rear wheels.

The (VAS 6190) must not be moved on the calibration beam.

Calibration Procedure with or without a Previous Axle Alignment

- Release the bracket - 1 - and remove the air intake grille - 2 -.






- Remove all dirt on the sensor lens.

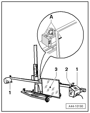
- Position (VAS 6190) at a distance - A - of 120 cm +/- 5 cm from sensor lens to mirror surface.







Place a toolbox or container weighing approximately 5 to 7 kg on the (VAS 6190) before installing the measuring sensors and moving the mirror on the calibration beam.

If weight is not put on the (VAS 6190) , it could tip over when the mirror is moved and/or when the measuring sensors (VAS 6190) are installed.

- Load the (VAS 6190) with the weight - arrow - as shown in the illustration.






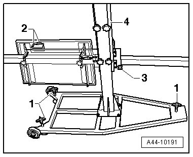
- Install the front wheel measuring sensors - 1 - on the (VAS 6190).






- In area - A -, bring item - 2 - on rotary knob into alignment with marking on mirror (number 2 on rotary knob must face toward vehicle).






- Now align by sliding it sideways - arrows B - (VAS 6190) so that the laser beam is horizontally centered on the senor lens.






- Bring bubble levels - 2 - on (VAS 6190) into balance using adjustment screws - 1 -.






- Adjust vertical slits - 4 - on (VAS 6190) so that laser beam is vertically centered on sensor lens.

- Adjust the same front axle individual toe settings using fine adjustment screw - 3 -.

- The difference between individual toe values must be less than 6' or they must be the same.

- Bring bubbles - 2 - on measurement sensor - 1 - into balance.






- Now using laser beam - 3 - on (VAS 6190) , check whether laser beam contacts sensor lens.

If the laser beam still meets the sensor lens at this step after adjusting the same individual toe values, the (VAS 6190) is aligned correctly (positioned).

If the laser beam does not meet the sensor lens, (VAS 6190) alignment must be performed again.

- Connect (VAS 5051 B).

- Connect (VAS 5051/5A) to diagnostic connector.






- Switch (VAS 5051 B) on.

(VAS 5051 B) is ready to operate when it displays operating modes in button fields.

- Switch on ignition.

- Touch Guided Fault Finding.

- Select in succession:

Brand

Type

Model year

Version

Engine Code

- Confirm data entered.

Wait until the (VAS 5051 B) has checked all available control modules in vehicle.

- Press the go to button and select "function/component selection".

- Select the corresponding program in "Guided Functions".

Now follow instructions on screen to perform adjustment.

- Turn the (VAS 6190/2) in - direction of arrow A or B - and use the lower screw - 2 - and the upper screw - 1 - for precision adjustment in "Guided Fault Finding".







The ACC adjustment is only accepted if "actuator diagnosis ended" is displayed in (VAS 5051/B).

- Switch ignition off.

- Disconnect (VAS 5051/5A) connector from diagnostic connection.

- Disconnect battery charger.

- Install the air intake grille. Refer to Removal and Installation.