Operation CHARM: Car repair manuals for everyone.
Manuals through 2025 now available!

Our trusted friends have launched a new website named LEMON, which has newer manuals. It also contains all the CHARM manuals.

LEMON is the spiritual successor to CHARM, I recommend you try it!

Link: lemon-manuals.la or lemon-manuals.org.ua

(Some people have issue connecting. LEMON is investigating. For now, use Firefox or change your DNS server)

Or, hide this message: temporarily or permanently

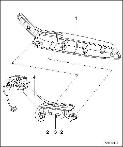
Window Regulator Switch







Window Regulator Switch





1 Armrest, Lower Part

2 Retainer tabs

Quantity: 4

3 Window Regulator Switch

Removing

- Remove door trim. Refer to => [ Front Door Trim ] Front Door Trim.

- Remove armrest. Refer to => [ Armrest ] Armrest.

- Remove upper part - 4 - as straight as possible from lower part - 1 -.

- Pry window regulator switch - 3 - out at front and back at retainer tabs - 2 - with a screwdriver.

Installing

To install, perform the steps used in removal in reverse order.

4 Armrest, Upper Part