Operation CHARM: Car repair manuals for everyone.
Manuals through 2025 now available!

Our trusted friends have launched a new website named LEMON, which has newer manuals. It also contains all the CHARM manuals.

LEMON is the spiritual successor to CHARM, I recommend you try it!

Link: lemon-manuals.la or lemon-manuals.org.ua

(Some people have issue connecting. LEMON is investigating. For now, use Firefox or change your DNS server)

Or, hide this message: temporarily or permanently

Comfort System Central Control Module






Comfort System Central Control Module

Special tools, testers and auxiliary items required

Pry lever (80-200)

Removing

Component location is in luggage compartment at rear, right side, below side trim

- If the control module was replaced, select the Replace function for the respective control module in Guided Fault Finding or Guided Functions.

- Select the function or path






- Follow the instructions on the Vehicle Diagnosis Tester display.

All cable ties opened or cut during engine removal must be reinstalled at the same locations during installation.

- Remove luggage compartment right side trim.

Three door model






- Disconnect electrical connectors - 1 - and - 2 -.

- Remove the nuts - arrows - and remove the retaining plate and control module.

- Free up the wiring harness using the (80-200) on the retaining plate.

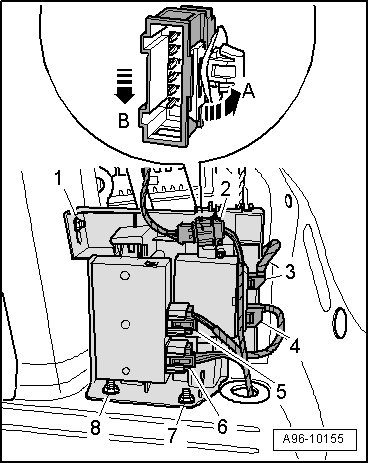
Sportback






- Disconnect electrical connectors - 2 to 6 -.

- Release the retaining clips in - direction of arrow A - and remove the connector in - direction of arrow B -.

- Remove the nuts - 1 -, - 7 - and - 8 - and remove the retaining plate and control module.

- Free up the wiring harness using the (80-200) on the retaining plate.

All






- Disconnect electrical connectors - 1 to 3 -.

- Press the retaining clips to the side - arrow 1 - and remove the comfort system central control module (J393) from the retaining plate - arrow 2 -.

Installing

Install in reverse order of removal, noting the following:

Attach all cable ties at the same locations when installing.

If comfort system central control module was replaced, then it must be re-coded.

- Select the function or path






- Follow the instructions on the Vehicle Diagnosis Tester display.

- Install luggage compartment right side trim.

Tightening Specifications