Operation CHARM: Car repair manuals for everyone.
Manuals through 2025 now available!

Our trusted friends have launched a new website named LEMON, which has newer manuals. It also contains all the CHARM manuals.

LEMON is the spiritual successor to CHARM, I recommend you try it!

Link: lemon-manuals.la or lemon-manuals.org.ua

(Some people have issue connecting. LEMON is investigating. For now, use Firefox or change your DNS server)

Or, hide this message: temporarily or permanently

Power/Memory/Heated Seats




Power/Memory/Heated Seats







The E46 is equipped with a number of power/memory seat configurations. Depending on the model, the seat configurations are either standard or optional equipment.

6 Way Manual And Power Adjustment Ranges







10 Way Manual And Power Sport Seat Adjustment Ranges







Components

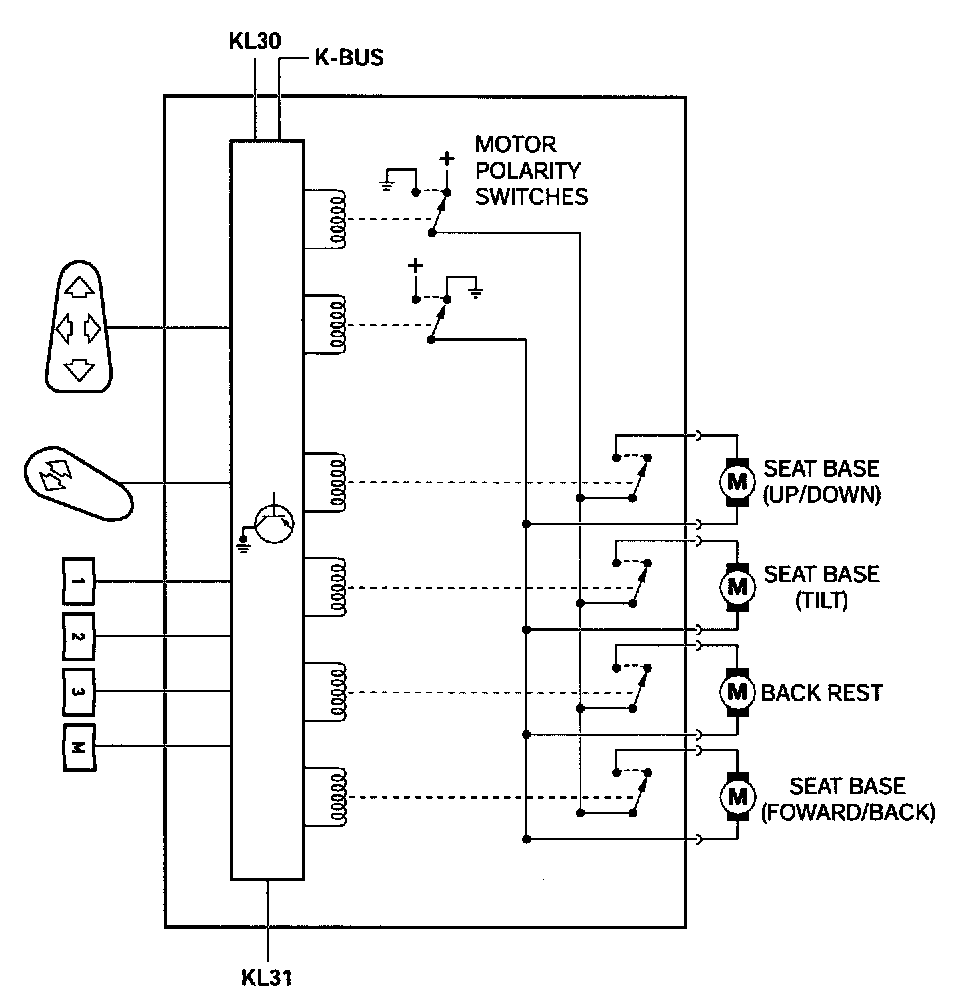
Seat Controls







Located in each seat base are the respective seat controls. The switch modules are contoured to fit behind the outboard seat base plastic trim. They each incorporate the seat adjustment switches and motor control circuitry.

As in the past there are no serviceable replacement parts (switch levers, switch buttons, etc.) they must be replaced as a complete unit if necessary. They differ from driver's to passenger seats as follows:

Driver's Seat = Seat Memory Control Module (SM)

- In addition to the position switches, the SM also contains the memory position switches and monitors the seat motor positions via pulsed signals from hall effect sensors in each driver's seat position motor.
- The SM communicates with the GM and Instrument cluster via the K bus to provide Car and Key Memory seat adjustment functions.
- The SM is equipped with on board diagnostics which monitor motor circuits for opens, shorts and not plausible operation. The SM communicates with the DIS or MoDiC for diagnosis, and car memory encoding.
- The electronics are protected against polarity reversal and excess voltage. A non-volatile memory maintains memory settings if the SM or battery is disconnected.

Passenger's Seat = Seat Control Switch







- The passenger seat control switch is purely a mechanical switching module that activates the passenger seat motors without position monitoring capabilities.
- Due to it's limited operation requirements, the passenger seat control switch is not equipped with on board diagnostics.
- The Passenger Seat control switch is equipped with an overload protection function. If excessive amperage is drawn due to a defective motor or a switch is stuck driving a motor to its' end limit the function activates opening the motor control circuit.

Seat Position Motors

There are either 3 or 4 electric motors in the front seats depending on the seat model. Each motor controls the respective functions outlined on the previous page.

The motors differ from driver's to passenger seats as follows:

Driver's seat motors:







- Each motor is individually controlled by the SM via a two wire circuit providing motor activation in both directions.
- Each position motor incorporates a hall effect sensor that provides a single pulsed square wave signal for each revolution of the motor. The hall sensor is required for the memory feature of the Driver's seat and as feedback for motor load protection.
- When a motor is activated, the SM also memorizes what direction the seat switch was moved to since it can not determine the exact seat position based on the hall sensor signal alone. This is required if the exact position is needed for memory storage.

Passenger seat motors:

- Each motor is individually controlled by the Seat Control Switch.
- Each position motor is connected to the seat position switch by a two wire circuit providing motor activation in both directions (no hall effect sensors).
- Each position motor is connected to the seat position switch by a two wire circuit providing motor activation in both directions (no hall effect sensors).

Seat Motor Activation

Driver's Seat Adjustment







When a position switch is moved, the control electronics of the SM receives an input signal to move the corresponding motor until the switch is released.

The position switch is also memorized for the requested direction (ie: slide forward/slide backward).

The SM includes a multiplexed switch unit that handles the polarity control and motor selection simultaneously.

Only one motor can be activated at a time.

The multiplexer control activates the polarity contacts and then the individual motor contacts to run the motors individually.

Passenger Seat Adjustment

Operation of the passenger seat is always possible regardless of key position. Moving a position switch operates a the motor control contacts directly, The switch applies voltage and ground path directly to operate the motor. Reversing the switch simply changes the motor polarity. More than one passenger seat motor can be run simultaneously.

Driver's Seat Memory Function







As with previous systems, the seat memory feature of the SM stores three seat positions for recall. The positions are stored in a non-volatile memory preventing loss of positions if in case the SM or the battery is disconnected.

The additional buttons on the SM (M) provide activation of recording memory position and (1-2-3) for storing or recalling a specific seat setting.

Storing current seat position:
- Seat in desired position,
- Ignition switch in KL R,
- Press the M button until it illuminates
- Within 7 seconds press the 1, 2 or 3 button to store.

The stored position can be recalled at any time by pressing the appropriate memory location button (1-2-3).

Memory Recall Modes Of Operation

Depending on current SM input signals via K-Bus, the memory recall operates in two distinctly different modes:
- One-touch mode (TTB),
- or press and hold mode of operation (DTB).

If the following input signal status is current, the SM resets the seat position by a momentary "one touch" of the selected memory button.
- Ignition switch off with the driver's door open, or,
- KL R on, door open or closed

If the following input signal status is current, the SM resets the seat position by a continuous "press and hold" of the selected memory button.

- Ignition switch off with the driver's door closed
- KL 15 on, door open or closed.


Driver's Seat Memory (CAR Memory Influence)

The SM can be encoded to recall a specific seat position for a vehicle user when the GM signals the SM to automatically recall stored positions separate of the 1-2-3 button selections.

This feature is encoded through the car memory function and activated by the key memory function. The SM will monitor the seat position and store it in another area of it's memory when the vehicle is locked with the remote keyless entry system. The GM sends a request to memorize the seat position and store it for FZV key user 1, 2, 3 or 4.

If another user of the vehicle changes the seat position the SM restores the memory position the next time the specific key is used to unlock the vehicle.

This feature can be further modified to activate the position recall based on the owner's selected activation scenario, for example: The owner can choose to:
- Disable this feature,
- Initiate memory recall when the unlock signal is initially sent before a door is opened.
- Initiate memory recall when the unlock signal is sent but only when the driver's door is opened.

See Car Memory Key Memory for additional information.

Seat Diagnosis

The SM communicates with the DIS or MoDiC via the K bus - instrument cluster gateway to the D bus. The SM monitors the seat motors and circuits as well as it's internal operation. Any detected faults are stored in the SM fault memory and are called up when diagnosing the system with the Fault Symptom diagnostic plan.

The SM also provides status display to the DIS of its input and output control signals as well as component activation.