Operation CHARM: Car repair manuals for everyone.
Manuals through 2025 now available!

Our trusted friends have launched a new website named LEMON, which has newer manuals. It also contains all the CHARM manuals.

LEMON is the spiritual successor to CHARM, I recommend you try it!

Link: lemon-manuals.la or lemon-manuals.org.ua

(Some people have issue connecting. LEMON is investigating. For now, use Firefox or change your DNS server)

Or, hide this message: temporarily or permanently

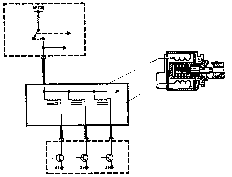
Operating Pressure Regulation (EDS)



Operating Pressure Regulation (EDS)





Valve body regulated pressure used for clutch engagement is "fine tuned" by the pressure regulating solenoid(s). Free wheel shifting transmissions such as the 4HP 24 and all of the GM transmissions require only one pressure regulator solenoid. Overlap shift transmissions such as the A5S 440/560Z require multiple pressure regulation solenoids.

4HP 24: The operating pressure used for clutch engagement is modified by the pressure regulating solenoid (MV5). Pressure regulation is required to maintain the proper shift firmness. The TCM activates the pressure regulating solenoid with a pulse width modulated output control signal at a fixed frequency. The pressure is modified by changing the duty cycle of the signal. The pressure is decreased by increasing the duty cycle of the signal.

A4S 310/270R:The pressure regulator solenoid (DR) adjusts the main line pressure that is used for clutch engagement. The pressure is modified to regulate the firmness of each shift. The DR solenoid can vary the main line pressure from approximately 4 to 13.5 bar.
The DR solenoid is controlled by the TCM with a pulse modulated power supply. The duty cycle is increased to reduce the regulated pressure.

A5S 360R: The main pressure regulator (VBS) solenoid is activated by a pulse width modulated signal from the TCM. Operating pressure is at maximum with no signal influence and is regulated down with an increase in the PWM duty cycle.

A5S 310Z: The EDS solenoid valve regulates the main line pressure and is used for the adaptive pressure control. Power to the EDS solenoid valve is supplied by the TCM. The EDS solenoid valve is activated by a pulse width modulated ground from the TCM based on the control module programming.

A5S 440/560Z: EDS 1 regulates the main line pressure and is used for the adaptive pressure control. It is a normally closed regulating flow type solenoid. Power to the EDS 1 regulator is supplied by the TCM (for failsafe). The EDS 1 regulator is activated by a pulse width modulated ground from the TCM. The TCM is programmed to modify the pressure for clutch engagement. The TCM varies the duty cycle of the pressure regulator solenoid based primarily on engine load and monitored clutch slip.