Operation CHARM: Car repair manuals for everyone.
Manuals through 2025 now available!

Our trusted friends have launched a new website named LEMON, which has newer manuals. It also contains all the CHARM manuals.

LEMON is the spiritual successor to CHARM, I recommend you try it!

Link: lemon-manuals.la or lemon-manuals.org.ua

(Some people have issue connecting. LEMON is investigating. For now, use Firefox or change your DNS server)

Or, hide this message: temporarily or permanently

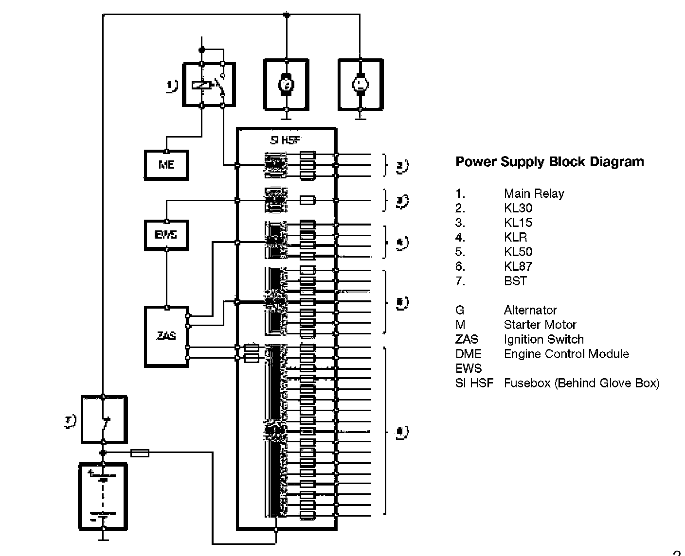
New System Description

Power Supply





The purpose of the Power Supply System is to safely deliver the required voltage and amperage to vehicle systems. The power supply system includes vehicle ground points and fuses. The power supply system includes the following components:
^ Battery
^ Monitored Battery B+ Cable (New System)
^ Fuse Box
^ Fuses
^ Ground Points
^ Alternator
^ Jumper Cable Point