Operation CHARM: Car repair manuals for everyone.
Manuals through 2025 now available!

Our trusted friends have launched a new website named LEMON, which has newer manuals. It also contains all the CHARM manuals.

LEMON is the spiritual successor to CHARM, I recommend you try it!

Link: lemon-manuals.la or lemon-manuals.org.ua

(Some people have issue connecting. LEMON is investigating. For now, use Firefox or change your DNS server)

Or, hide this message: temporarily or permanently

Automatic Engine Start-Stop Function



Automatic Engine Start-Stop Function


The automatic engine start-stop function is a measure for compliance with the ACEA self-imposed obligation for reduction of carbon dioxide emissions supported by BMW. The reduction in fuel consumption is achieved by automatic switch-off of the engine when the vehicle is at a standstill. The engine start also takes place automatically as soon as the corresponding switch-on conditions required for switch-on are met.
The automatic engine start-stop is carried out by the Digital Engine Electronics (DME). Different information present in the bus system is used for the automatic engine start-stop. Furthermore, additional sensors are required to ensure trouble-free functioning of the automatic engine start-stop.

NOTICE: Different designations.

Different designations are used for the automatic engine start-stop. The system is described as the Auto Start Stop Function in the on-board literature.

Brief component description

The following components are described for the automatic engine start-stop:
- Digital Engine Electronics
- DC/DC converter
- Automatic start-stop button
- Starter motor
- Alternator
- AGM battery
- Intelligent battery sensor
- Engine compartment lid contact switch
- Seat belt buckle switch
- Brake vacuum sensor, manual transmission
- Zero-gear sensor, manual transmission
- Clutch module, manual transmission
- Hydraulic impulse storage, automatic transmission.

Digital Motor Electronics
The DME digital engine electronics module furnishes the power to the sensors and actuators directly. The top side of the Digital Engine Electronics (DME) is simultaneously the lower section of the air intake system. There is a contour on the housing beside the intake pipe which assures optimum flow conditions into the intake system.
The Digital Engine Electronics (DME) is the computing and switching centre of the engine control system. Sensors on the engine and vehicle deliver the input signals. The signals employed to control the actuators are calculated using the input signals and the specified setpoint values stored in the Digital Engine Electronics (DME) as well as the characteristic maps. The DME digital engine electronics module activates the actuators directly or via relays. The following graphic shows the engine N55 as example.







DC/DC converter
Due to the considerably more frequent occurrence of starting operations, the electrical load that occurs often leads to voltage dips in the vehicle electrical system. To stabilise the supply voltage for certain voltage-sensitive electrical components and protect them, a DC/DC converter is used together with the automatic engine start-stop. The DC/DC converter supplies the terminal 30 relay with constant voltage, also during the starting operation.
The graphic below shows the DC/DC converter on the E90.







The DC/DC converter needs the following signals:
- Terminal 50
- Ground connection (Terminal 15)
- Terminal 30 (possibly model-specific variants).

The DC/DC converter transmits the following encoded information for the diagnosis (pulse-width modulated signal):
- DC/DC converter OK
- DC/DC converter faulty
- DC/DC converter overheated.

The diagnostic cable is read in and evaluated by the junction box electronics (JBE).

Automatic start-stop button
The automatic start-stop button deactivates the automatic engine start-stop at any time.
The automatic engine start-stop is reactivated at every manual engine restart.
The graphic below shows the automatic start-stop button below the start/stop button on the F10:







Starter motor
The starter has the job of rotating the crankshaft of the internal combustion engine at the minimum speed that is necessary for starting up (starting speed).
The starter that is used is coordinated with the engine of the respective vehicle model. The output can be up to 3000 Watts depending on the model.
The starter motor must do more in conjunction with the automatic engine start-stop. The starter motor is therefore configured for a significantly higher number (approximately 8 times) of starting operations. The components of the starter motor have been adapted to the higher requirements.







Alternator
A more powerful alternator is installed in conjunction with the automatic engine start-stop due to battery discharge during the engine shutdown.
The alternator assumes the following functions during driving:
- Retention of the required level of vehicle voltage
- Supply to all electrical consumers.

The controller regulates the output voltage of the electrically excited alternator with uncontrolled rectifier by applying the excitation current.

The Digital Engine Electronics (DME) controls the alternator by using the following functions:
- Switching the alternator on and off on the basis of defined parameters
- Temperature-dependent maximum permitted power consumption of the alternator
- Calculation of the drive torque and current based on the transmitted controller parameters
- Control of the reaction of the alternator with addition of high power consumers (load-response function)
- Diagnosis of the alternator and data line between the alternator and Digital Engine Electronics (DME)
- Storage of faults that occur on the alternator in the fault memory of the Digital Engine Electronics (DME)
- Activation of the charge indicator light in the instrument cluster (KOMBI) when a fault is identified.







AGM battery
The automatic engine start-stop is used with the intelligent generator control (IGR). The much more frequent charging and discharging means that the load on the battery is very high.
The cycle resistance of AGM batteries means that they achieve similar results to conventional batteries with regard to service life despite the high load.
An AGM battery is a lead-acid battery. As compared to the conventional battery, the AGM battery has a glass-fibre fleece as a separator in which the electrolyte is fully absorbed. The AGM battery has a gastight housing with pressure relief valve.







Intelligent battery sensor
The intelligent battery sensor (IBS) is secured to the negative battery terminal and connected to the Digital Engine Electronics (DME) over the local interconnect network bus.
The intelligent battery sensor (IBS) is an extremely important component for energy management in the vehicle network. It is a mechatronics component for monitoring the battery condition. The following measured variables are registered:
- Terminal voltage
- Charge current and discharge current
- Temperature of the battery terminal.

The designation "intelligent" with the battery sensor refers to an integrated microcontroller with a software proportion. Upstream processing of especially time-critical measured variables is carried out by the processor. The results are then forwarded to the Digital Engine Electronics (DME). The graphic below shows the negative battery terminal on the F10.







The intelligent battery sensor (IBS) transmits the data over the local interconnect network bus to the Digital Engine Electronics (DME). The software in the Digital Engine Electronics (DME) controls communication with the intelligent battery sensor (IBS). Calculation of the battery condition (SOH = State of Health) and also calculation of the state of charge (SOC) is carried out in the Digital Engine Electronics (DME).

The functions of the intelligent battery sensors (IBS) in detail are:
- Continuous measurement of the battery in every operating condition of the vehicle
- Balancing of the charge current and discharge current of the battery
- Monitoring of the state of charge and activation of the electrical energy management and power management. Measures in the event of a critical state of charge (limit of battery starting capability).
- Determination of data for calibration of the state of charge
- Calculation of the current characteristics at engine start for ascertaining the battery condition
- Closed-circuit current monitoring
- Data transfer to the Digital Engine Electronics (DME)
- Self-diagnosis
- Fully automatic software updates of algorithms and parameters for self-diagnosis over Digital Engine Electronics (DME)
- Capability of waking itself during the rest state and outputting a corresponding message to the junction box electronics (JBE) in the event of critical states (battery charge low and/or standby current increased). The junction box electronics (JBE) causing various actions, such as switch-off of terminal 30F, depending on the type of message and vehicle condition.

In the time between engine OFF and the switch-off of the DME main relay, the intelligent battery sensor (IBS) receives the following information from the Digital Engine Electronics (DME):
- Maximum removable charge for a reliable engine start.

After switch-off of the DME main relay, the intelligent battery sensor (IBS) continuously checks the state of charge and standby current consumption.

Engine compartment lid contact switch
The engine compartment lid contact switch is included in the calculations of the automatic engine start-stop as an input signal. If the engine compartment lid is open, the engine is not started or stopped by the automatic engine start-stop.







NOTICE: Service position of the engine compartment lid contact switch.

In the service position, the engine compartment lid contact switch simulates a closed engine compartment lid. An automatic engine start can therefore be carried out by the automatic engine start-stop in the service position of the engine compartment lid contact switch.

Belt buckle switch
The automatic engine start-stop uses the seat belt buckle switch to identify whether the driver's 3-point automatic reel belt is closed. If the driver's 3-point automatic-reel belt is not closed, the automatic engine start-stop reacts differently according to the driving condition:
- When the engine is running a switch-off inhibitor is set and the engine not stopped
- If the engine is off the automatic engine start-stop is deactivated. A restart is possibly solely by using the start/stop button.







Brake vacuum sensor, manual transmission
The brake servo is equipped with a brake vacuum sensor for ensuring brake power assistance even when the engine is switched off. The brake vacuum sensor is located next to the brake servo. The brake vacuum sensor is connected over a separate line.
When the vacuum falls below a specified range the system executes an automatic engine start to generate the required vacuum.







The brake vacuum sensor outputs voltage signals to the Digital Engine Electronics (DME) dependent on the current vacuum.







Zero-gear sensor, manual transmission
On vehicles with manual transmission, a zero-gear sensor is installed on the top of the transmission housing and has the task of identifying the idle position of the gearshift lever. The zero-gear sensor is a PLCD sensor (Permanent magnetic Linear Contactless Displacement sensor). The gear shift causes the gearshift rod and therefore the magnet in the transmission to move. The Digital Engine Electronics (DME) identifies the position of the gearshift lever from the PLCD sensor. The following distinctions must be made for the automatic engine startstop:
- Gear engaged - automatic engine start-stop without function
- Idle position engage - engine starts at 10 % clutch operated
- Gearshift lever pressed lightly - engine starts at 90 % clutch operated.







Teach-in is necessary to compensate for tolerances in the mechanical and electrical systems. The Digital Engine Electronics (DME) then evaluates the maximum ranges in which the engine may start with clutch control as a ratio of the learnt zero point of the gearshift lever. When the clutch pedal is fully operated the engine can start within a gearshift lever articulation of 1.89 mm (10 percent pulse width modulation).
The PLCD sensor is supplied with 5 volts. The output voltage is a pulse-width modulated signal. The duty cycle changes dependent on the position of the gearshift lever (10 ... 90 percent).







The data are applied when the Digital Engine Electronics (DME) are replaced. Prior to the replacement, the learnt value must be read out using the diagnosis and applied after the replacement.
The procedure for teach-in is described in the diagnosis system.

Clutch module, manual transmission
On vehicles with manual gearboxes, the clutch module at the clutch pedal picks up the following clutch positions:
- Clutch pedal depressed: clutch switch is open
- Clutch pedal not depressed: clutch switch is closed.

The clutch module comprises the clutch switch and evaluation electronics.











A signal line is routed into the Digital Engine Electronics (DME) . The clutch module supplies 12 volts voltage to the Digital Engine Electronics (DME) when the clutch pedal is not operated, and 0 volts voltage when the clutch pedal is operated.
The clutch module's signal is employed as an input signal for the automatic engine start-stop function. 2 conditions are recognised:
- 10 percent actuation
- 90 percent operated.

Hydraulic impulse storage, automatic transmission
The hydraulic impulse storage allows the automatic engine start-stop on vehicles with automatic transmission. The hydraulic impulse storage provides the required pressure to be able to activate the shift elements during an automatic engine start.







System pressure is applied to the hydraulic impulse storage when driving. The piston is pressed back against the spring pressure. The electromagnetic locking unit keeps the piston in this position. The hydraulic impulse storage is ready for the engine start.
At an engine start the electromagnetic locking unit is released by the automatic engine start-stop. Spring force presses the piston into its original position. This makes the pressure required for the shift elements immediately available.







During the engine start the hydraulic impulse storage fills system pressure into the shift elements of the drive-off gear. The engine start can therefore be carried out for selector lever position D. The automatic engine start-stop is deactivated if the selector lever is in the shift gate M/S.

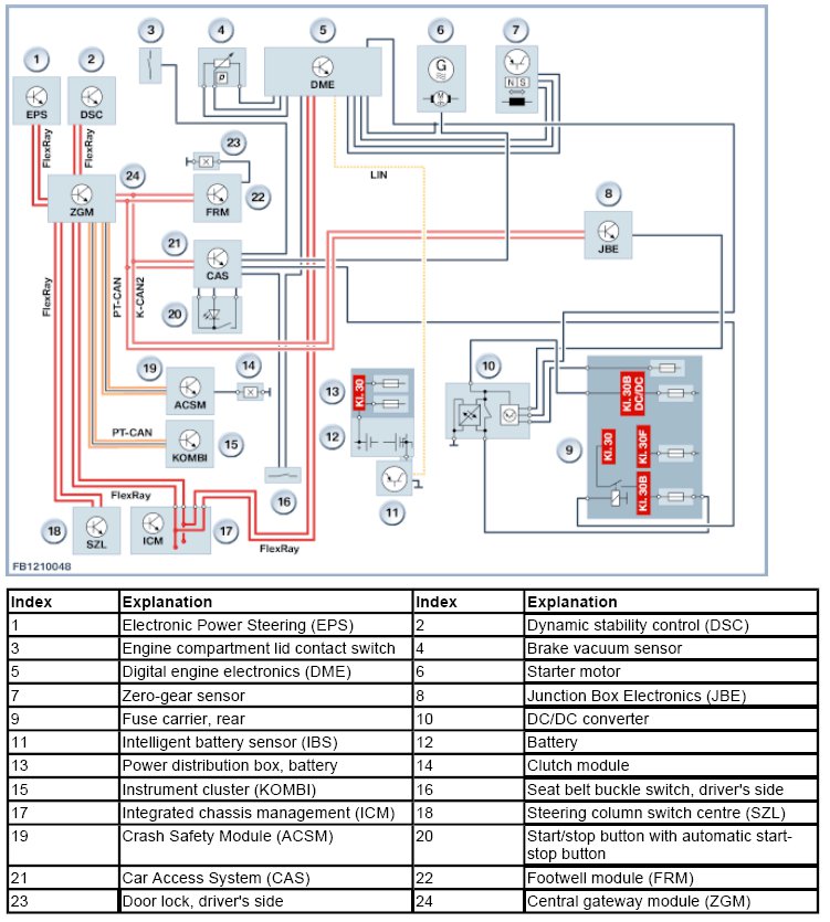
System overview
The following system overview shows vehicles with manual transmission.







System functions
The following system functions are described:
- Displays
- Power management
- Engine shutdown
- Engine start
- Switch-off inhibitors, switch-on requesters and deactivators
- Safety functions.

Displays
Various displays for the automatic engine start-stop are available to the driver as a feedback signal. All messages for the automatic engine start-stop are output on the instrument cluster (KOMBI).
Distinction is drawn between the following displays:







Power management
The battery condition calculated in the Advanced Power Management (APM) is an important criteria for the automatic engine start-stop. The aim is to permit reliable starting of the combustion engine after a defined immobilisation period from the viewpoint of the vehicle electrical system. The Advanced Power Management (APM) monitors the following data:
- State of charge
- Temperature
- Voltage dip on engine start
- Power requirement of switched on consumers.

The result of the calculation may be a switch-off inhibitor or switch-on requester for the automatic engine start-stop.
Excessive power consumption must be avoided when the engine is off. Therefore, at terminal 15 ON and engine OFF the Advanced Power Management (APM) deactivates all major consumers or reduces their consumption. The displays remain active.
The following consumers of electrical power are affected:
- Heated rear window
- Mirror heating
- Seat heating
- Blower.

IMPORTANT: Automatic starting possible.

If the state of charge of the battery drops below a specific value after an engine shutdown initiated by the automatic engine start-stop, the automatic engine start-stop starts the engine even if the driver has not taken explicit action.

Engine shutdown
The engine shutdown is carried out on vehicles with manual transmission in the following conditions if no switch-0ff inhibitor is active:
- Vehicle stationary
- No gear engaged
- Clutch pedal not pressed.

The engine shutdown is carried out on vehicles with automatic transmission in the following conditions if no switch-0ff inhibitor is active:
- Vehicle stationary
- Selector level position D engaged
- Brake pedal operated.

On vehicles with the "Automatic Hold" function the brake pedal may be released after a vehicle standstill without starting the engine.
On vehicles with automatic transmission the engine shutdown may be inhibited. No engine shutdown is carried out after a vehicle standstill when the brake pedal is operated strongly and then released a little within one second.

Engine start
The engine start is carried out on vehicles with manual transmission in the following conditions regardless of the switch-on requester:
- Clutch pedal is pressed.

The engine start is carried out on vehicles with automatic transmission in the following conditions:
- Brake pedal is released.

On vehicles with automatic transmission the brake pedal can establish readiness for drive off and start the engine.
1. Operate brake pedal strongly
2. Release brake pedal a little
3. Engine is started.

On vehicles with the "Automatic Hold" function the engine is only started after operation of the accelerator pedal.

Switch-off inhibitors, switch-on requesters and deactivators

Different conditions may affect the automatic engine start-stop function:
- Switch-off inhibitor: Engine is not stopped by the automatic engine start-stop
- Switch-on requester: Stopped engine is started by the automatic engine start-stop
- Deactivator: Automatic Start/Stop function is deactivated.

The individual automatic engine start-stop status can be read out by the diagnosis system.
Switch-off inhibitors
Under certain conditions the automatic engine start-stop function must be suppressed:
- Vehicle is rolling (only vehicles with manual transmission)
- Brake vacuum too low (only vehicles with manual transmission)
- Brake pedal not operated firmly enough, the vehicle is therefore not detected as being sufficiently stopped (only vehicles with automatic transmission)
- Vehicle is stopped on inclines / downhill gradients greater than 12 %
- Applied steering angle greater than 6°
- Steering wheel movement not completed (otherwise insufficient power steering support)
- Vehicle with manual transmission was not driven with speed greater than 5 km/h after last engine shutdown
- Vehicle with automatic transmission was not driven with speed greater than 9 km/h after last engine shutdown
- Engine not running at idle speed (accelerator pedal is operated)
- Reversing
- Engine operating temperature too low
- Carbon canister is being flushed
- Inadequate fuel grade
- Active transmission adaptation (only vehicles with automatic transmission)
- Hydraulic impulse storage not yet loaded (only vehicles with automatic transmission)
- Stop & go traffic
- State of charge of the battery too low
- Ambient temperature below +3 °C
- Ambient temperature above +30 °C (with heating and air conditioning system switched on)
- Rain-light-solar-condensation sensor identifies condensation on the windscreen
- Heating and air conditioning system switched on, however passenger compartment not correspondingly heated up or cooled down
- Braking occurred with Antilock Brake System.

Switch-on requesters
It may also be necessary to start the engine when:
- Vehicle is not stopped sufficiently by released brake pedal (only vehicles with automatic transmission)
- Steering wheel is moved
- Engine not running at idle speed (accelerator pedal is operated)
- Transmission changes from P to D; the driver had previously changed from position D to P to take his foot from the brake pedal with an automatically stopped engine (only vehicles with automatic transmission)
- Transmission changes from D to N or R (only vehicles with automatic transmission)
- Brake vacuum too low (only vehicles with manual transmission)
- State of charge of the battery too low
- Ambient temperature above +30 °C (with heating and air conditioning system switched on)
- Rain-light-solar-condensation sensor identifies condensation on the windscreen
- Evaporator temperature too low to guarantee sufficient climate control
- Special case: driver's seat belt is still fastened and driver's door is opened (for instance when using a dummy in regions without mandatory seat belt usage).

Deactivators
When a precondition for deactivation is present the automatic engine start-stop is deactivated.
The scenarios below are produced dependent upon when a precondition for deactivation has occurred for the automatic engine start-stop:
- Engine still runs and is no longer automatically stopped
- Engine was automatically stopped and starts again automatically
- Engine was automatically stopped and no longer starts automatically (the Check Control message "Automatic engine start-stop off" is shown and the automatic start-stop button must be operated to start the engine).

The following deactivators may occur:
- Driver absence detected
- Engine start did not take place after starting
- Engine compartment lid unlocked
- Fault relevant to automatic engine start-stop on engine, transmission or components involved in automatic engine start-stop was detected
- Bus communication malfunction
- Automatic engine start-stop was deactivated by automatic start-stop button
- Automatic engine start-stop was deactivated by diagnosis system
- Vehicle is in transport mode
- Engine was stopped.

An example of deactivation with subsequent switch-on request:
1. At an automatic engine shutdown the automatic engine start-stop is deactivated by the automatic startstop button
2. The engine starts automatically
3. There is no further automatic engine shutdown as the automatic engine start-stop remains deactivated.

NOTICE: Read out the history memory.

The history of the automatic engine start-stop can be read out at "System check MSA" in the diagnosis system.

Safety functions

An automatic engine start is prevented in the following conditions:
- Repair work in the engine compartment (engine compartment lid open)
Exception: Service position of the engine compartment lid contact switch.

- Leaving the vehicle (driver's door open and driver's seat belt not fastened).

WARNING: Engine start at service position of the engine compartment lid contact switch.

An automatic engine start is possible when the engine compartment lid contact switch is in the service position. Therefore deactivate the automatic engine start-stop (automatic start-stop button).

Be sure to comply with safety precautions during repair work on vehicles with automatic engine start-stop.

Always prevent an automatic engine start during repair work in the engine compartment by deactivating the automatic engine start-stop (automatic start-stop button).

Notes for Service department

Battery replacement

Data on the battery type and state of charge may be lost after a battery replacement. These data will only be available again following an internal-vehicle standby current measurement on a vehicle after its has gone to sleep and been locked. This measurement, during which the vehicle is not to be woken up, takes approximately 6 hours. The automatic engine start-stop is not active until the data have been transferred.
The vehicle must complete the internal standby current measurement after a battery replacement to register the battery data. In the case of a battery replacement, an AGM battery must be reinstalled so that trouble-free function of the automatic engine start-stop remains guaranteed.

Diagnosis instructions
The history of the automatic engine start-stop can be read out at "System check MSA" in the diagnosis system. We can assume no liability for printing errors or inaccuracies in this document and reserve the right to introduce technical modifications at any time.