Operation CHARM: Car repair manuals for everyone.
Manuals through 2025 now available!

Our trusted friends have launched a new website named LEMON, which has newer manuals. It also contains all the CHARM manuals.

LEMON is the spiritual successor to CHARM, I recommend you try it!

Link: lemon-manuals.la or lemon-manuals.org.ua

(Some people have issue connecting. LEMON is investigating. For now, use Firefox or change your DNS server)

Or, hide this message: temporarily or permanently

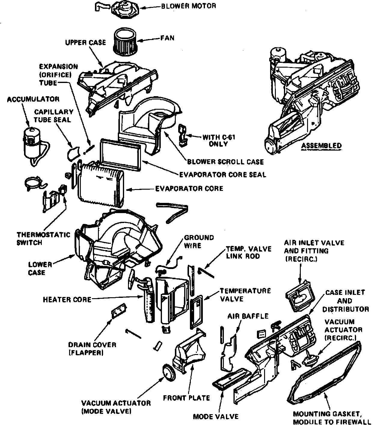
Blower Motor: Service and Repair

Fig. 13 Heater module assembly exploded view. 1982---87 Regal less A/C:




Fig. 14 Heater module assembly exploded view. 1982---87 Regal with A/C:




Fig. 15 Heater module assembly exploded view. 1982---88 Full Size exc. Riviera & models with A/C:




Fig. 16 Heater module assembly exploded view. 1982---88 Full Size with A/C exc. Riviera:





EXC. RIVIERA
1. Disconnect blower motor wiring.
2. Remove blower motor attaching screws and the blower motor, Figs. 13, 14, 15 and 16.