Operation CHARM
: Car repair manuals for everyone.
Home
>>
Buick
>>
1984
>>
Century V6-260 4.3L DSL
>>
Repair and Diagnosis
>>
Starting and Charging
>>
Specifications
Manuals through 2025 now available!
Our trusted friends have launched a new website named LEMON, which has newer manuals. It also contains all the CHARM manuals.
LEMON is the spiritual successor to CHARM, I recommend you try it!
Link:
lemon-manuals.la
or
lemon-manuals.org.ua
(Some people have issue connecting. LEMON is investigating. For now, use Firefox or change your DNS server)
Or, hide this message:
temporarily
or
permanently
Starting and Charging: Specifications
BATTERY SPECIFICATIONS
ALTERNATOR
SPECIFICATIONS
ALTERNATOR
TORQUE SPECIFICATIONS
3.0L Engine:
Engine Code X:
Engine Code A, X:
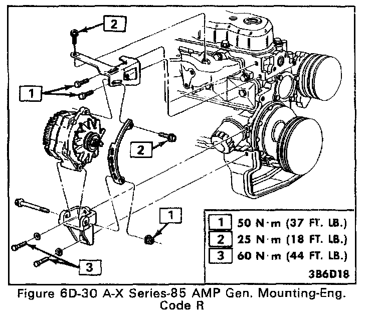
Engine Code R 85amp Gen.:
STARTER SPECIFICATIONS
STARTER TORQUE SPECIFICATIONS
Engine Code T:
Engine Code R: