Operation CHARM: Car repair manuals for everyone.
Manuals through 2025 now available!

Our trusted friends have launched a new website named LEMON, which has newer manuals. It also contains all the CHARM manuals.

LEMON is the spiritual successor to CHARM, I recommend you try it!

Link: lemon-manuals.la or lemon-manuals.org.ua

(Some people have issue connecting. LEMON is investigating. For now, use Firefox or change your DNS server)

Or, hide this message: temporarily or permanently

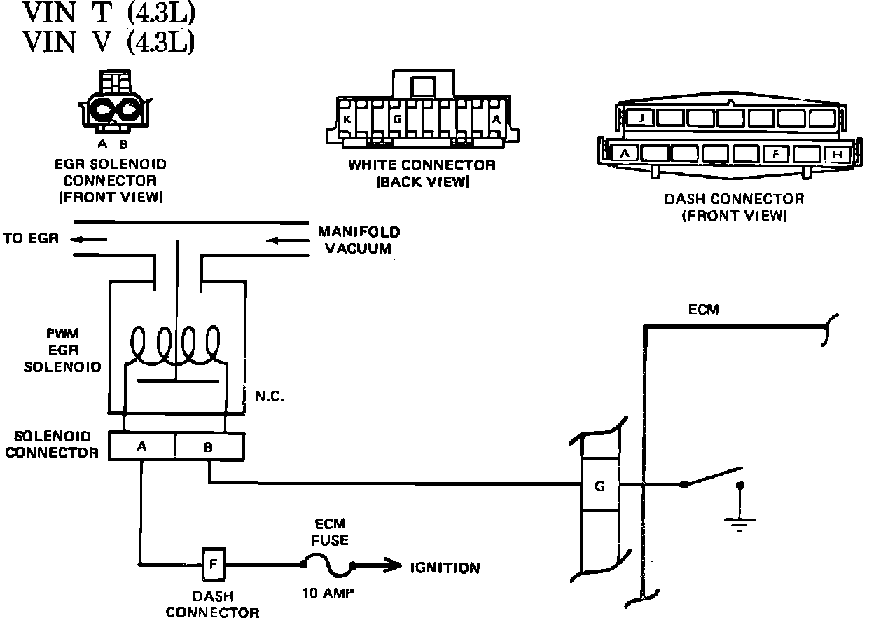
EGR Solenoid Check

Fig. 028 - WIRING DIAGRAM for EGR Solenoid Check. VIN T, VIN V:





EGR SOLENOID CHECK

The EGR solenoid controls vacuum to the EGR valve. The signal from the ECM is Pulse Width Modulated (PWM), which changes the cycle ("ON" time) from 0% to 100%. As the EGR solenoid cycles, vacuum to the EGR valve is controlled. The solenoid operates on 12V, supplied by the ignition to the solenoid. The ground is completed by the ECM to turn the solenoid "ON", allowing vacuum to the EGR valve. A vacuum error will set a CEL, and could be the result of a faulty EGR solenoid. When a vacuum error is sensed by the ECM, EGR is turned "OFF". It takes approximately 10 seconds for the ECM to sense a vacuum error, and the CEL will not go "OFF" until the key is turned "OFF".


Fig. 027 - Chart For EGR Solenoid Check.:





1. Checks for ignition voltage to Terminal "G" of ECM. Normal reading will be battery voltage.
2. This checks for EGR control by the ECM. With the engine at idle, the voltage will drop below battery voltage as the PWM solenoid cycles. If voltage falls for 10 seconds, then goes back to battery voltage, the ECM has recognized a vacuum error and has shut the EGR "OFF". Constant battery voltage indicates no ECM control. Normal voltage is battery voltage with key "ON", and below battery voltage and varying, with the engine at idle.
3. Checks for ignition voltage to EGR solenoid. Should normally be battery voltage.
4. Checks for a grounded wire between ECM and EGR solenoid. Test light should normally be "OFF".
5. and 5a. Checks for proper resistance of EGR and EPR solenoids. Normal reading for a good solenoid is between 20-40 ohms. If less than 20 ohms, ECM damage will result, and ECM must be replaced along with the solenoid. If resistance is 20 ohms or above, no ECM damage will occur.