Operation CHARM: Car repair manuals for everyone.
Manuals through 2025 now available!

Our trusted friends have launched a new website named LEMON, which has newer manuals. It also contains all the CHARM manuals.

LEMON is the spiritual successor to CHARM, I recommend you try it!

Link: lemon-manuals.la or lemon-manuals.org.ua

(Some people have issue connecting. LEMON is investigating. For now, use Firefox or change your DNS server)

Or, hide this message: temporarily or permanently

Electronic/Powertrain Control Module (ECM/PCM)





ECM Wiring Diagram (1 Of 3):







BD15 = Injector #1
BC13 = Injector #2
BC15 = Injector #3
BD13 = Injector #4
BD16 = Injector #5
BD14 = Injector #6
YD9 = ESC
YC3 = Canister Purge
BC2 = EGR Sol. #3
BC3 = EGR Sol. #2
BD2 = EGR Sol. #1
BA6 = Ignition #1
YD10 = MAF Signal
YC7 = IAC B HI
YC8 = IAC B LO
YC5 = IAC A HI
YC6 = IAC A LO
BC8 = EST
BD8 = Fuel Control (IN)
BD9 = Ref Low (Ground) (IN)
BC5 = Cam Signal (IN)
BC7 = Bypass
BD11 = High res. 18X





ECM Wiring Diagram (2 Of 3):







YD4 = CTS
YD5 = Sensor Ground
YD13 = TPS
BC14 = +5V REF
BA5 = MAT Sensor Ground
YD11 = MAT Signal
YD2 = 02 Signal
YD3 = 02 Ground Ref.
BA12 = ECM Ground
YD8 = 2nd Gear
BC10 = 3rd Gear
YD7 = 4th Gear
YC10 = TCC
BC4 = Brake
BA8 = Serial Data/ALDL
BA9 = Serial Data/ALDL
YD6 = DIAG/ALDL
YC11 = SES Lite
BB11 = 2 K/M Speed
BB10 = VSS HI
BB9 = VSS Low
BA2 = P/N
BA11 = Fuel Pump Relay





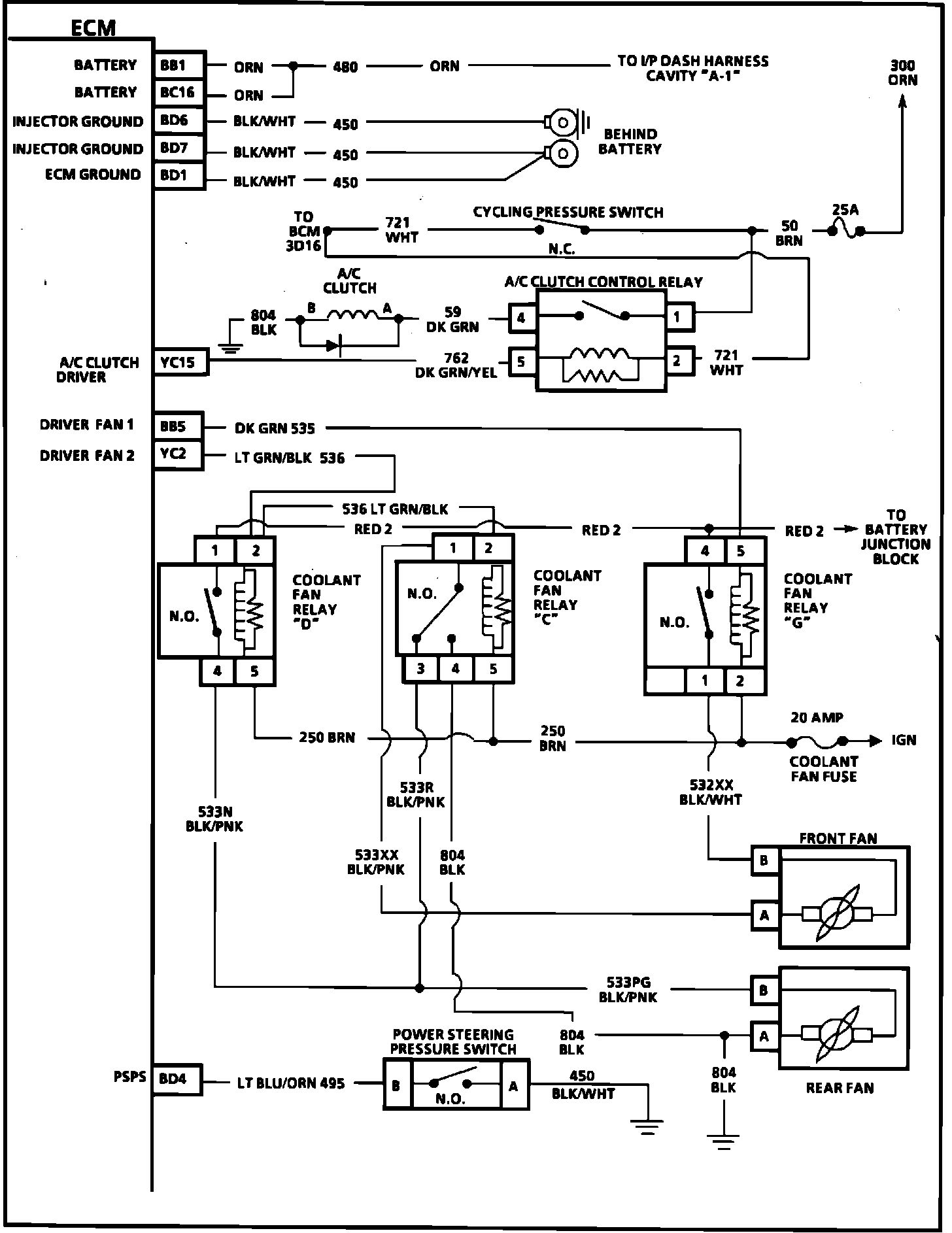
ECM Wiring Diagram (3 Of 3):







BB1 = Battery
BC16 = Battery
BD6 = Injector Ground
BD7 = Injector Ground
BD1 = ECM Ground
YC15 = A/C Clutch Driver
BB5 = Driver Fan 1
YC2 = Driver Fan 2
BD4 = PSPS