Manuals through 2025 now available!
Our trusted friends have launched a new website named LEMON, which has newer manuals. It also contains all the CHARM manuals.
LEMON is the spiritual successor to CHARM, I recommend you try it!
Link:
lemon-manuals.la or
lemon-manuals.org.ua
(Some people have issue connecting. LEMON is investigating. For now, use Firefox or change your DNS server)
Or, hide this message:
temporarily or
permanently
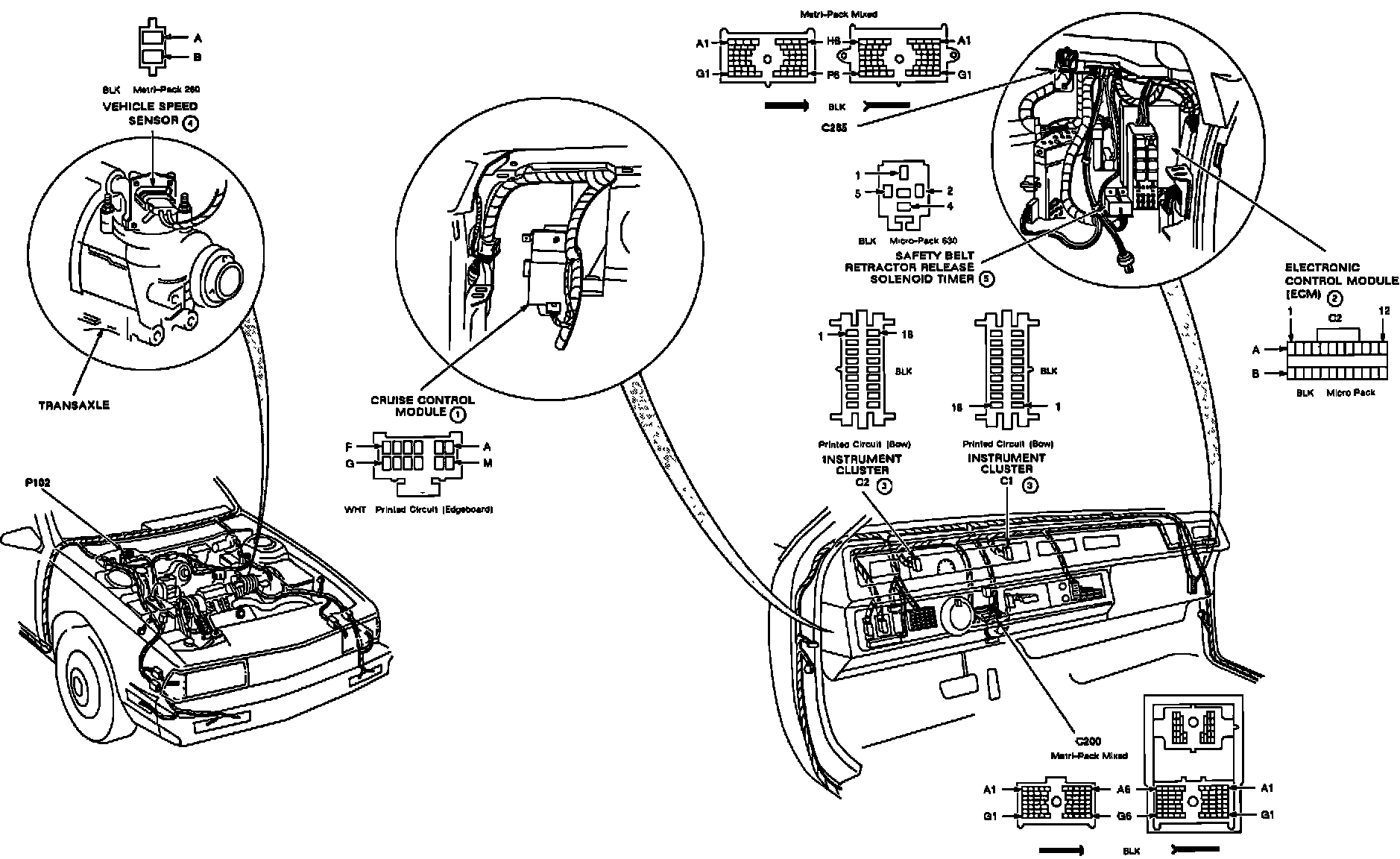
Cruise Control Module
Vehicle Speed Sensor (VSS) Components Location.:
Cruise Control Components Location (Passenger Compartment).:
Behind I/P, Above Park Brake Assembly
Applicable to: 1990