Operation CHARM: Car repair manuals for everyone.
Manuals through 2025 now available!

Our trusted friends have launched a new website named LEMON, which has newer manuals. It also contains all the CHARM manuals.

LEMON is the spiritual successor to CHARM, I recommend you try it!

Link: lemon-manuals.la or lemon-manuals.org.ua

(Some people have issue connecting. LEMON is investigating. For now, use Firefox or change your DNS server)

Or, hide this message: temporarily or permanently

Electronic/Powertrain Control Module (ECM/PCM)

ECM Wiring Diagram (1 Of 3):






B1 = SERIAL DATA
B15 = DIAGNOSTIC TEST
W12 = ECM GROUND
W13 = ECM GROUND
B23 = OXYGEN SENSOR GROUND
B2 = OXYGEN SENSOR SIGNAL
B13 = VSS INPUT (HIGH)
B6 = VSS INPUT (LOW)
W22 = VSS OUTPUT
B8 = COOLANT TEMPERATURE SIGNAL
B12 = SENSOR GROUND
B19 = TPS SIGNAL
W11 = 5 VOLT REFERENCE
B20 = MAP SIGNAL
W14 = SENSOR GROUND
B5 = IAT SIGNAL
W7 = IAC COIL "A" HIGH
W17 = IAC COIL "A" LOW
W9 = IAC COIL "B" HIGH
W8 = IAC COIL "B" LOW







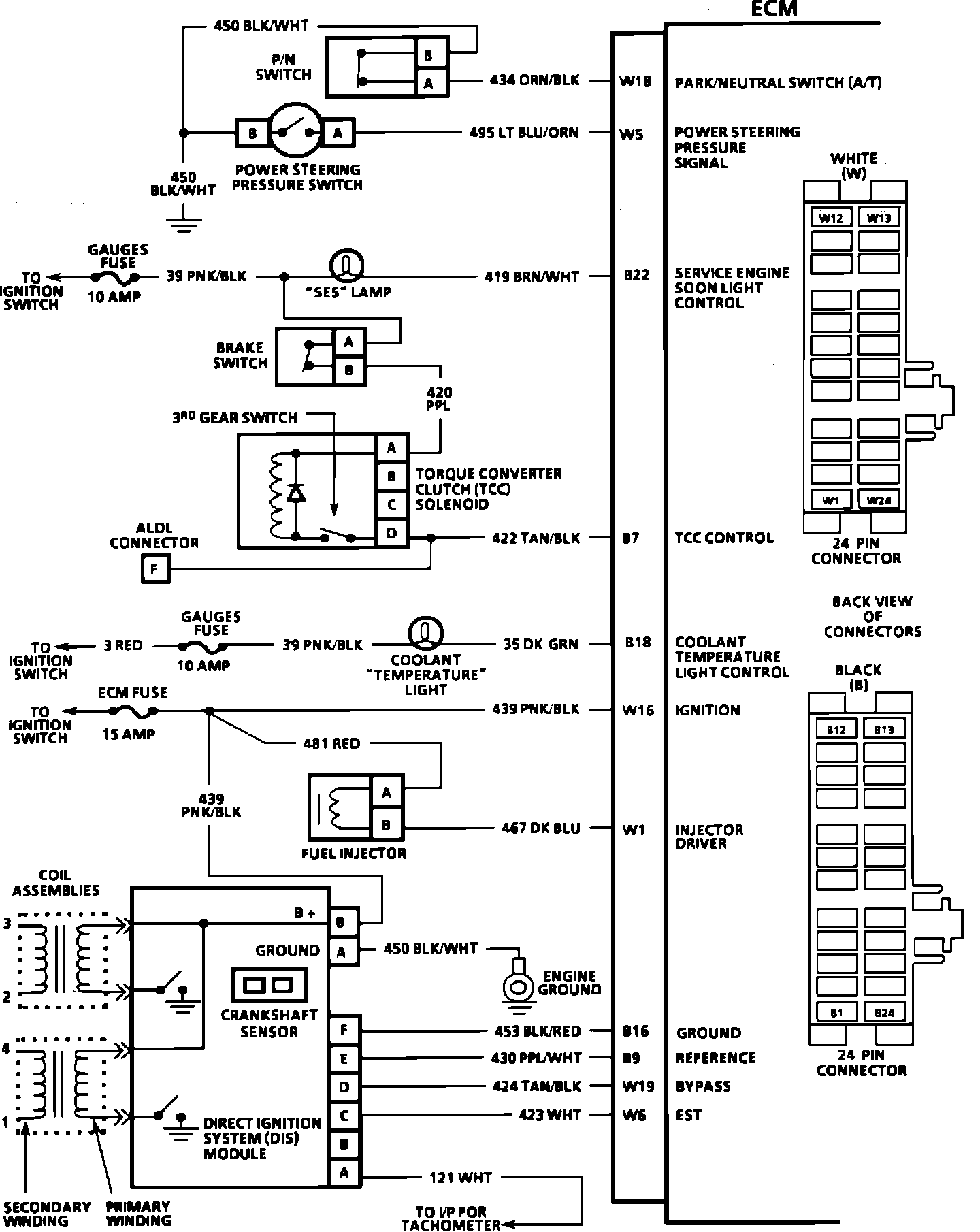
ECM Wiring Diagram (2 Of 3):







W18 = PARK NEUTRAL SWITCH (A/T)
W5 = POWER STEERING PRESSURE SIGNAL
B22 = SERVICE ENGINE SOON LIGHT CONTROL
B7 = TCC CONTROL
B18 = COOLANT TEMPERATURE LIGHT CONTROL
W16 = IGNITION
W1 = INJECTOR DRIVER
B16 = GROUND
B9 = REFERENCE
W19 = BYPASS
W6 = EST




ECM Wiring Diagram (3 Of 3):








W10 = BATTERY +
W15 = BATTERY +
W24 = FUEL PUMP RELAY DRIVE (12V)
W12 = ECM GROUND
W13 = ECM GROUND
B24 = A/C FAN SIGNAL
W2 = A/C REQUEST
B3 = A/C RELAY CONTROL
B21 = COOLING FAN CONTROL