Operation CHARM: Car repair manuals for everyone.
Manuals through 2025 now available!

Our trusted friends have launched a new website named LEMON, which has newer manuals. It also contains all the CHARM manuals.

LEMON is the spiritual successor to CHARM, I recommend you try it!

Link: lemon-manuals.la or lemon-manuals.org.ua

(Some people have issue connecting. LEMON is investigating. For now, use Firefox or change your DNS server)

Or, hide this message: temporarily or permanently

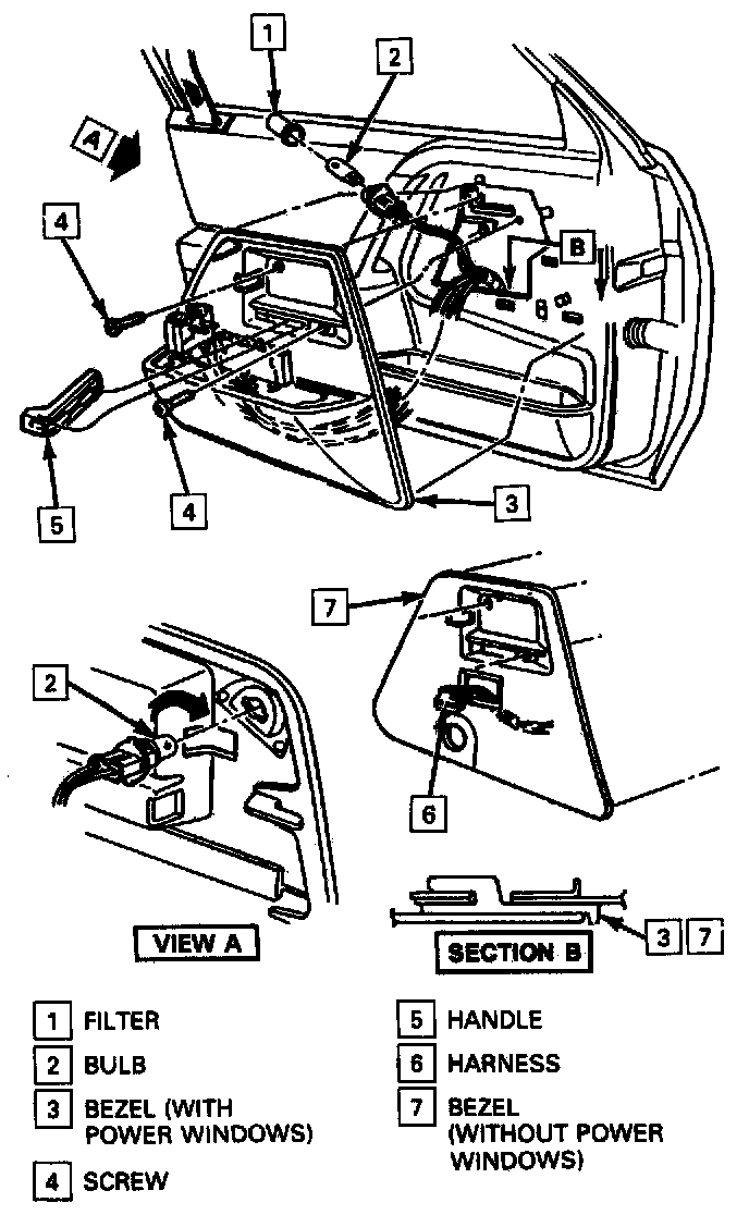
Window Handle: Service and Repair


INSIDE HANDLES AND SWITCH PLATE

Typical Window Regulator Handle Installation:




Door Lock Remote Control Handle & Escutcheon:






TOOL REQUIRED:
^ J 9886-01 Door Handle Clip Remover

^ Door inside handles are retained by either rivets or spring clips. On styles equipped with rivet retained handles, the rivets are covered by a screw retained remote control escutcheon.

REMOVE OR DISCONNECT
1. Depress door trim assembly and insert J 9886-01 between handle and trim panel or plastic bearing plate.
2. Push J 9886-01 to disengage clip.
3. Pull handle inboard to remove from spindle.

INSTALL OR CONNECT
1. Retaining clip on handle.
2. Position handle on spindle.
3. Press handle outboard until clip engages regulator spindle.