Operation CHARM: Car repair manuals for everyone.
Manuals through 2025 now available!

Our trusted friends have launched a new website named LEMON, which has newer manuals. It also contains all the CHARM manuals.

LEMON is the spiritual successor to CHARM, I recommend you try it!

Link: lemon-manuals.la or lemon-manuals.org.ua

(Some people have issue connecting. LEMON is investigating. For now, use Firefox or change your DNS server)

Or, hide this message: temporarily or permanently

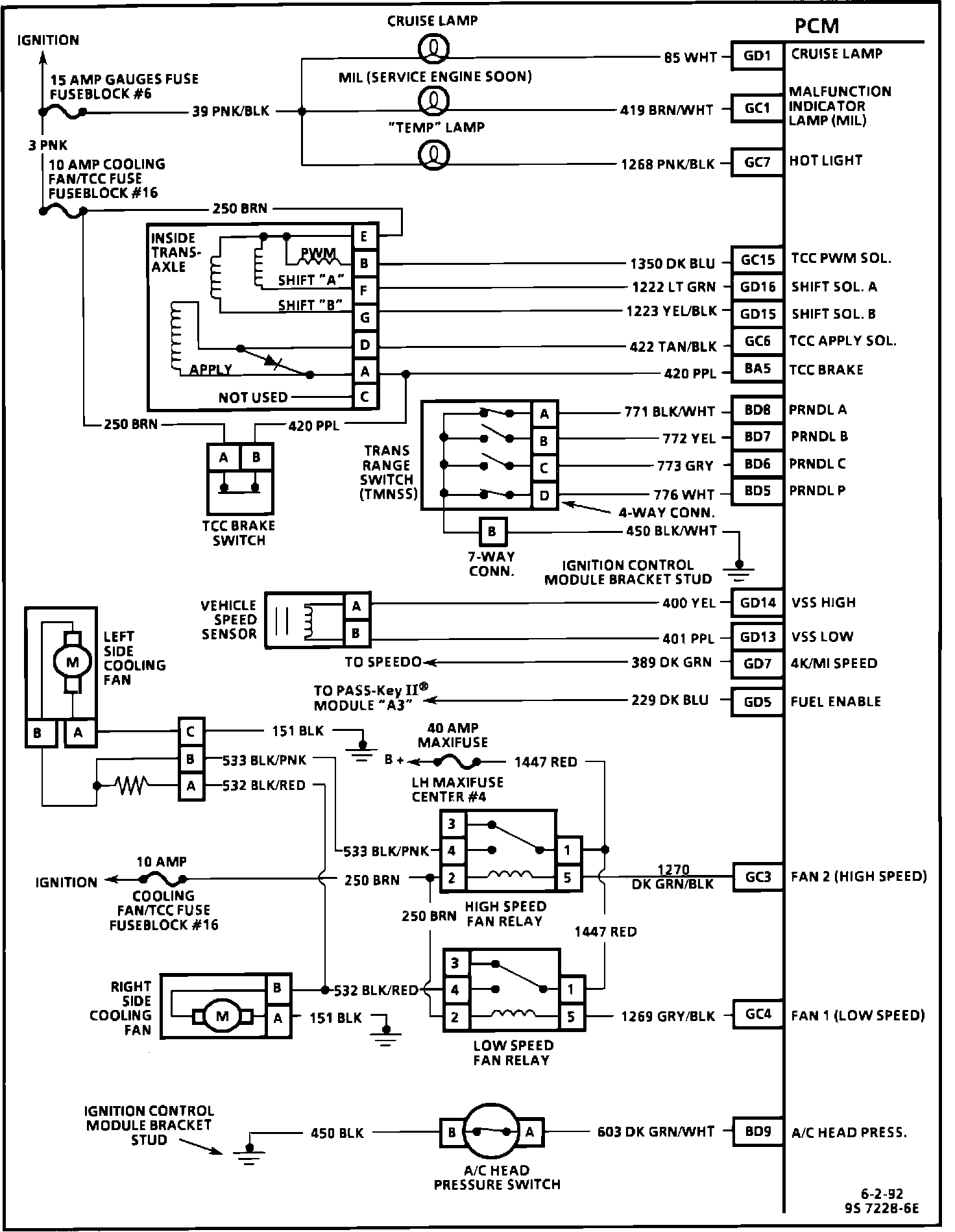
Electronic/Powertrain Control Module (ECM/PCM)

NOTE: The first character of each PCM pin number in the following diagrams indicates the color of the connector (B - BLACK; G- GREEN).

Engine Management Wiring Diagram (1 Of 4):





Part 1 of 4

PIN # - CIRCUIT

BB9 - ECT Signal
BA8 - Sensor Ground
BB10 - Throttle Position Sensor (TPS) signal
BB3 - +5 Volt (reference voltage)
BB7 - Intake Air Temperature (IAT) Sensor Signal
BA7 - Intake Air Temperature (IAT) Sensor Ground
BC15 - Injector #1
BD16 - Injector #2
BC12 - Injector #3
BC14 - Injector #4
BC16 - Injector #5
BD15 - Injector #6
BA2 - Ignition Feed
BD14 - Mass Air Flow (MAF) Sensor Signal
BD2 - Oxygen Sensor Ground Reference
BA6 - PCM Ground
BD3 - Oxygen Sensor Signal
GC5 - Canister Purge Solenoid
GC8 - EGR solenoid #3
GC10 - EGR solenoid #2
GC9 - EGR solenoid #1


Engine Management Wiring Diagram (2 Of 4):





Part 2 of 4

PIN # - CIRCUIT

BD1 - Serial Data
BB11 - Diagnostic Request
BC2 - Serial Data/DLC
BC5 - Serial Data Jumper
GC16 - Serial Data Jumper
BC4 - Fuel Pump Relay
BC7 - Ignition Control
BC11 - Fuel Control
BC8 - Reference Low (ground)
BFA12 - Camshaft Sensor Signal
BC6 - EST By-pass
GD6 - Spark Reference
BB8 - Knock Sensor Signal


Engine Management Wiring Diagram (3 Of 4):





Part 3 of 4

PIN # - CIRCUIT


GD1 - Cruise Lamp
GC1 - "Service Engine Soon" Lamp
GC7 - Temperature Warning Lamp (Overheat)
GC15 - [1][2]Torque Converter Clutch PWM Solenoid
GD16 - Shift Solenoid "A"
GD15 - Shift Solenoid "B"
GC6 - [1][2]Torque Converter Clutch Apply Solenoid
BA5 - Torque Converter Clutch Brake Input
BD8 - PRNDL Switch "A"
BD7 - PRNDL Switch "B"
BD6 - PRNDL Switch "C"
BD5 - PRNDL Switch "P"
GD14 - Vehicle Speed Sensor (VSS) High
GD13 - Vehicle Speed Sensor (VSS) Low
GD7 - 4K/Mi Speed
GD5 - Fuel Enable Pass-Key II [1] Input
GC3 - Fan #2 (High Speed)
GC4 - Fan #2 (Low Speed)
BD9 - A/C Head Pressure Switch

Engine Management Wiring Diagram (4 Of 4):





Part 4 of 4

PIN # - CIRCUIT

BD11 - A/C Request
GC2 - A/C Relay
BC1 - Cruise Vent Solenoid
BA10 - SPS High
BA9 - SPS Low
BC3 - Cruise Vacuum Solenoid
BD10 - Cruise Brake Input
GD2 - Cruise "ON"/"OFF"
GD3 - Set/Coast
GD4 - Resume/Accelerate
GC14 - Idle Air Control (IAC) Valve "B" High
GC13 - Idle Air Control (IAC) Valve "B" Low
GC11 - Idle Air Control (IAC) Valve "A" High
GC12 - Idle Air Control (IAC) Valve "A" Low
BC13 - Injector Ground
BD13 - Injector Ground
BB6 - PCM Ground
BB4 - Battery
BA4 - Battery