Operation CHARM: Car repair manuals for everyone.
Manuals through 2025 now available!

Our trusted friends have launched a new website named LEMON, which has newer manuals. It also contains all the CHARM manuals.

LEMON is the spiritual successor to CHARM, I recommend you try it!

Link: lemon-manuals.la or lemon-manuals.org.ua

(Some people have issue connecting. LEMON is investigating. For now, use Firefox or change your DNS server)

Or, hide this message: temporarily or permanently

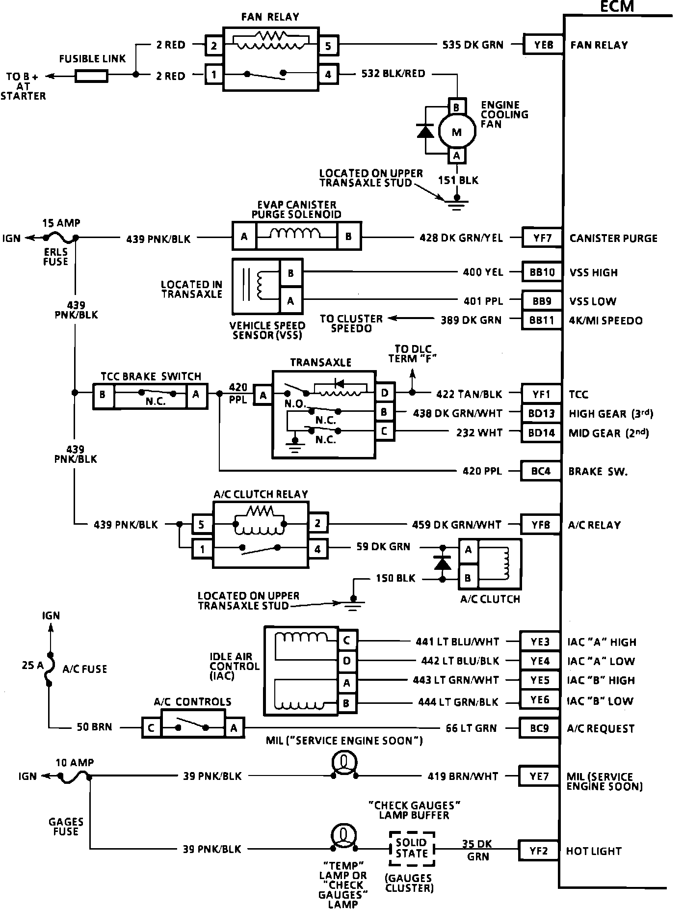
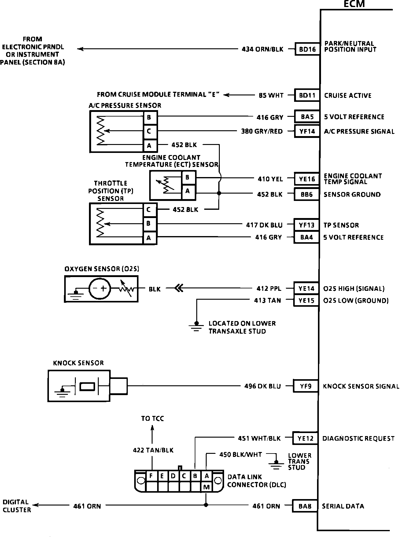
Electronic/Powertrain Control Module (ECM/PCM)

ECM Wiring Diagram:







BA11 = FUEL PUMP
BC11 = INJECTORS 1,3,5
BC12 = INJECTORS 2,4,6
BD6 = INJECTOR GROUND
BD7 = INJECTOR GROUND
BD8 = REFERENCE
BD9 = REFERENCE LOW (GROUND)
BC8 = EST
BC7 = BYPASS
BA6 = IGNITION "ON" INPUT
YF10 = MAF SENSOR SIGNAL
BA12 = ECM GROUND
BD1 = ECM GROUND
BC16 = BATTERY
BB1 = BATTERY



ECM Wiring Diagram:







BD16 = P/N INPUT
BD11 = CRUISE ACTIVE
BA5 = 5 VOLT REFERENCE
YF14 = A/C PRESSURE SIGNAL
YE16 = COOLANT TEMP SIGNAL
BB6 = SENSOR GROUND
YF13 = TPS SIGNAL
BA4 = 5 VOLT REFERENCE
YE14 = 02 HI
YE15 = 02 LO
YF9 = ESC SIGNAL
YE12 = DIAGNOSTIC REQUEST
BA8 = SERIAL DATA



ECM Wiring Diagram:







YE8 = FAN RELAY
YF7 = CANISTER PURGE
BB10 = VSS HIGH
BB9 = VSS LOW
BB11 = SPEEDO 4K/MI
YF1 = TCC
BD13 = HIGH GEAR (3RD)
BD14 = MID GEAR (2ND)
BC4 = BRAKE SWITCH
YF8 = A/C RELAY
YE3 = IAC "A" HI
YE4 = IAC "A" LO
YE5 = IAC "B" HI
YE6 = IAC "B" LO
BC9 = A/C REQUEST
YE7 = SES LIGHT
YF2 = HOT LIGHT