Operation CHARM: Car repair manuals for everyone.
Manuals through 2025 now available!

Our trusted friends have launched a new website named LEMON, which has newer manuals. It also contains all the CHARM manuals.

LEMON is the spiritual successor to CHARM, I recommend you try it!

Link: lemon-manuals.la or lemon-manuals.org.ua

(Some people have issue connecting. LEMON is investigating. For now, use Firefox or change your DNS server)

Or, hide this message: temporarily or permanently

Pictoral Views

Pictorial View:






1 FAN ASSEMBLY, ENGINE COOLING
2 CONNECTOR ASSEMBLY, ENGINE COOLING FAN
3 WASHER, ENGINE WIRING HARNESS STARTER LEAD
4 CABLE ASSEMBLY, BATTERY POSITIVE
5 NUT, ENGINE WIRING HARNESS STARTER LEAD
6 NUT, STARTER SOLENOID SWITCH
7 SWITCH, STARTER SOLENOID
8 OXYGEN SENSOR
9 CONNECTOR, GENERATOR ASSEMBLY
10 GENERATOR ASSEMBLY
11 NUT, ENGINE WIRING HARNESS GENERATOR LEAD
12 GENERATOR LEAD, ENGINE WIRING HARNESS
13 COVER, ENGINE WIRING HARNESS GENERATOR TERMINAL
14 CONNECTOR ASSEMBLY, ENGINE COOLING FAN
15 CONNECTOR ASSEMBLY, ENGINE COOLANT TEMPERATURE SWITCH
16 CONNECTOR ASSEMBLY, TCC SWITCH



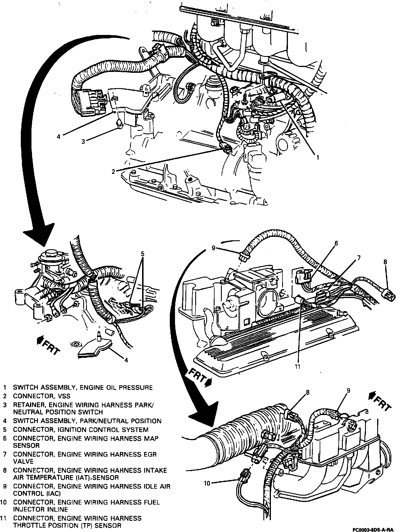
Pictorial View:






1 SWITCH ASSEMBLY, ENGINE OIL PRESSURE
2 CONNECTOR, VSS
3 RETAINER, ENGINE WIRING HARNESS PARK/NEUTRAL POSITION SWITCH
4 SWITCH ASSEMBLY, PARK/NEUTRAL POSITION
5 CONNECTOR, IGNITION CONTROL SYSTEM
6 CONNECTOR, ENGINE WIRING HARNESS MAP SENSOR
7 CONNECTOR, ENGINE WIRING HARNESS EGR VALVE
8 CONNECTOR, ENGINE WIRING HARNESS INTAKE AIR TEMPERATURE (IAT) SENSOR
9 CONNECTOR, ENGINE WIRING HARNESS IDLE AIR CONTROL (IAC)
10 CONNECTOR, ENGINE WIRING HARNESS FUEL INJECTOR INLINE
11 CONNECTOR, ENGINE WIRING HARNESS THROTTLE POSITION (TP) SENSOR