Operation CHARM: Car repair manuals for everyone.
Manuals through 2025 now available!

Our trusted friends have launched a new website named LEMON, which has newer manuals. It also contains all the CHARM manuals.

LEMON is the spiritual successor to CHARM, I recommend you try it!

Link: lemon-manuals.la or lemon-manuals.org.ua

(Some people have issue connecting. LEMON is investigating. For now, use Firefox or change your DNS server)

Or, hide this message: temporarily or permanently

Electronic/Powertrain Control Module (ECM/PCM)

PCM Wiring Diagram:






BC5 SERIAL DATA JUMPER
GC16 SERIAL DATA JUMPER
BC2 SERIAL DATA INPUT
BB9 ENGINE COOLANT TEMPERATURE SENSOR SIGNAL
BA8 SENSOR GROUND
BB10 TP SENSOR SIGNAL
BB3 5V REFERENCE
BA2 IGNITION FEED
BD14 MAF SENSOR SIGNAL
BB7 IAT SENSOR SIGNAL
BB12 A/C REFRIGERANT PRESSURE SIGNAL
BA3 5V REFERENCE
BD3 HEATED OXYGEN SENSOR SIGNAL (HIGH)
BD2 HEATED OXYGEN SENSOR SIGNAL (LOW)
BD11 A/C REQUEST
GC2 A/C RELAY CONTROL
BB8 KNOCK SENSOR (KS) SIGNAL




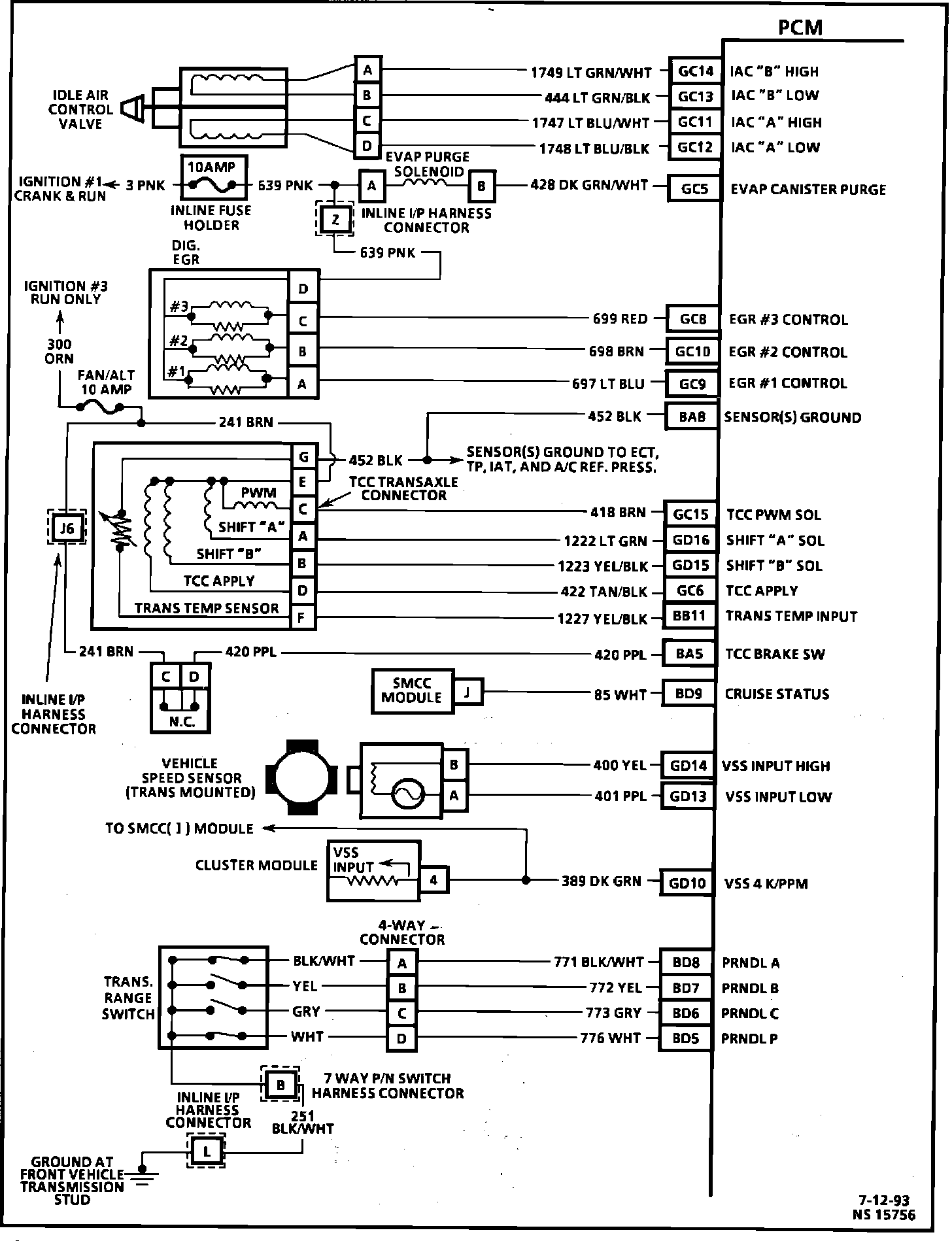
PCM Wiring Diagram:






GC14 IAC "B" HIGH
GC13 IAC "B" LOW
GC11 IAC "A" HIGH
GC12 IAC "A" LOW
GC5 EVAP CANISTER PURGE
GC8 EGR #3 CONTROL
GC10 EGR #2 CONTROL
GC9 EGR #1 CONTROL
BA8 SENSOR GROUND
GC15 TCC PWM SOLENOID
GD16 SHIFT "A" SOLENOID
GD15 SHIFT "B" SOLENOID
GC6 TCC APPLY
BB11 TRANS TEMP INPUT
BA5 TCC BRAKE SWITCH
BD9 CRUISE STATUS
GD14 VSS INPUT HIGH
GD13 VSS INPUT LOW
GD10 VSS 4 K/PPM
BD8 PRNDL A
BD7 PRNDL B
BD6 PRNDL C
BD5 PRNDL P



PCM Wiring Diagram:






GC3 ENGINE PRIMARY COOLANT FAN #1 RELAY CONTROL
GC4 ENGINE SECONDARY COOLANT FAN #2 RELAY CONTROL
BA4 BATTERY

BB4 BATTERY
BC4 FUEL PUMP RELAY CONTROL
BA12 CAM REFERENCE SIGNAL HIGH
GD6 24X CRANKSHAFT REFERENCE SIGNAL HIGH




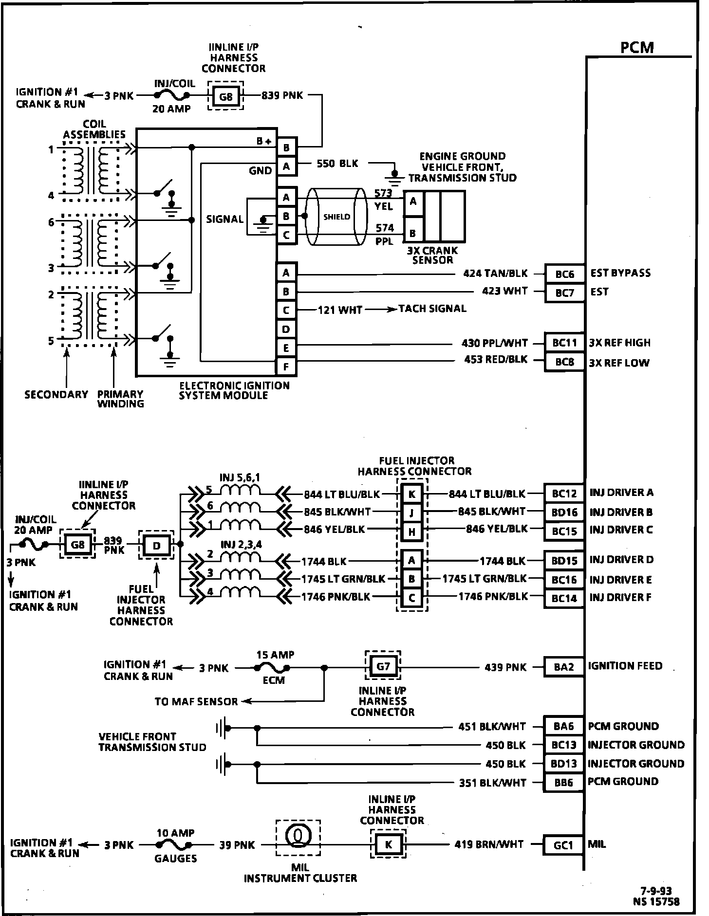
PCM Wiring Diagram:






BC6 EST BYPASS
BC7 EST
BC11 3X CRANKSHAFT REFERENCE SIGNAL HIGH
BC8 3X CRANKSHAFT REFERENCE SIGNAL LOW
BC12 INJECTOR DRIVER A
BD16 INJECTOR DRIVER B
BC15 INJECTOR DRIVER C
BD15 INJECTOR DRIVER D
BC16 INJECTOR DRIVER E
BC14 INJECTOR DRIVER F
BA2 IGNITION FEED
BA6 PCM GROUND
BC13 INJECTOR GROUND
BD13 INJECTOR GROUND
BB6 PCM GROUND
GC1 MIL