Oil Pressure Sensor: Service and Repair
Oil Pressure Sender/Switch, Replace:
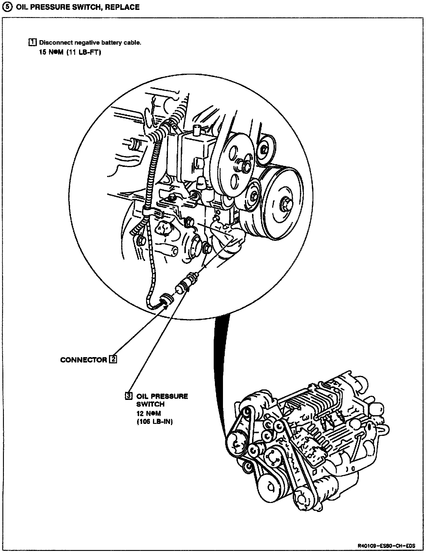
Oil Pressure Switch, Replace:
Lower Left Rear Of Engine (Supercharged):
Remove or Disconnect:
1. Disconnect negative battery cable
2. Remove serpentine belt
3. Disconnect electrical connector
4. Remove fuel pump and engine oil pressure indicator switch
Install or Connect:
1. Apply 1052080 sealant to threads
2. Install fuel pump and engine oil pressure indicator switch
3. Tighten switch
Torque Value: 13 N-m (116 lb.in.)
4. Connect electrical connector
5. Install serpentine belt
6. Connect negative battery cable