Operation CHARM: Car repair manuals for everyone.
Manuals through 2025 now available!

Our trusted friends have launched a new website named LEMON, which has newer manuals. It also contains all the CHARM manuals.

LEMON is the spiritual successor to CHARM, I recommend you try it!

Link: lemon-manuals.la or lemon-manuals.org.ua

(Some people have issue connecting. LEMON is investigating. For now, use Firefox or change your DNS server)

Or, hide this message: temporarily or permanently

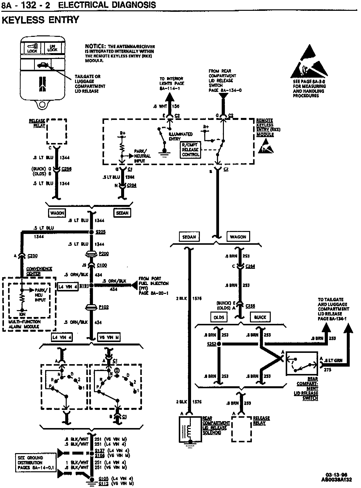
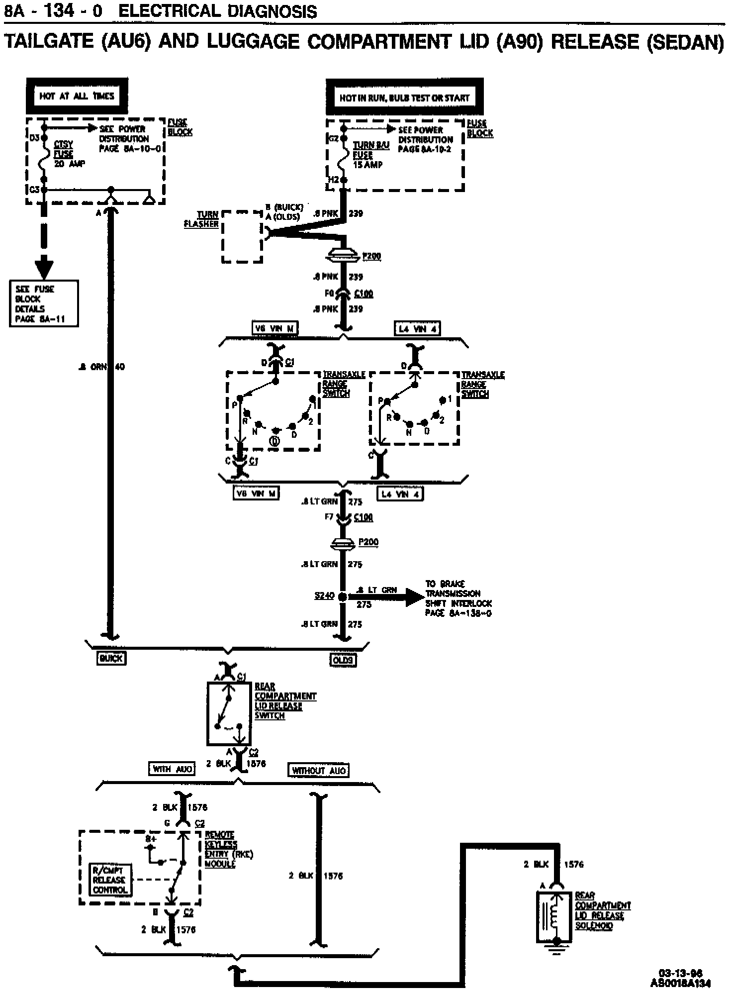
Keyless Entry & Trunk Lid Release - Revised Schematics

File In Section: 8 - Chassis/Body Electrical

Bulletin No.: 63-81-12

Date: April, 1996

SERVICE MANUAL UPDATE

Subject:
Section 8A (Book 2) - Revised Schematics for Keyless Entry and Tailgate/Luggage Compartment Lid Release

Models:
1995 Buick Century
1995 Oldsmobile Cutlass Ciera, Cruiser








This bulletin is being issued to revise the schematics on pages 8A-132-2 and 8A-134-0 of the Service Manual.

Please replace the Keyless Entry and Tailgate/Luggage Compartment Lid Release schematics with this bulletin.