Operation CHARM: Car repair manuals for everyone.
Manuals through 2025 now available!

Our trusted friends have launched a new website named LEMON, which has newer manuals. It also contains all the CHARM manuals.

LEMON is the spiritual successor to CHARM, I recommend you try it!

Link: lemon-manuals.la or lemon-manuals.org.ua

(Some people have issue connecting. LEMON is investigating. For now, use Firefox or change your DNS server)

Or, hide this message: temporarily or permanently

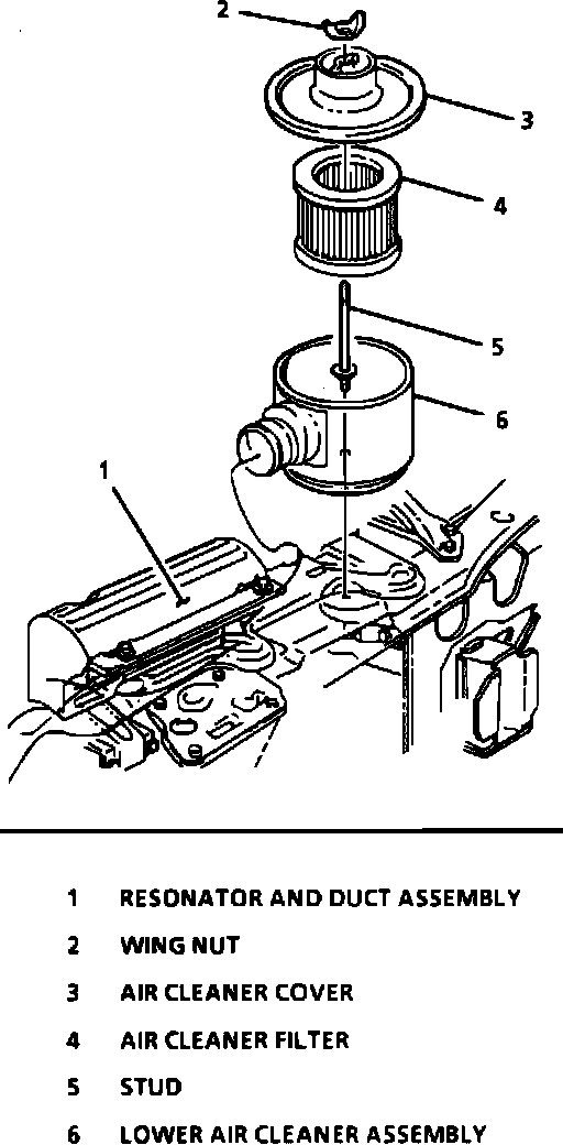
Air Cleaner Housing: Service and Repair

Air Cleaner Assembly:






REMOVE OR DISCONNECT
1. Loosen rear air duct clamp at air cleaner. Position rear air duct out of the way.
2. Remove wing nut, air cleaner cover and filter.
3. Remove stud.
4. Separate lower air cleaner from resonator and remove from vehicle.

INSTALL OR CONNECT
1. Position the side opening on the lower air cleaner to resonator and slide into position
2. Orientate lower air cleaner to air cleaner bracket. Position air cleaner for proper alignment with air duct.
3. Fasten stud securely.

Tighten
Stud to 9 Nm (80 lb. in.).

4. Install air filter, cover, and wing nut.
5. Position rear air duct onto air cleaner and fasten clamp.