Operation CHARM: Car repair manuals for everyone.
Manuals through 2025 now available!

Our trusted friends have launched a new website named LEMON, which has newer manuals. It also contains all the CHARM manuals.

LEMON is the spiritual successor to CHARM, I recommend you try it!

Link: lemon-manuals.la or lemon-manuals.org.ua

(Some people have issue connecting. LEMON is investigating. For now, use Firefox or change your DNS server)

Or, hide this message: temporarily or permanently

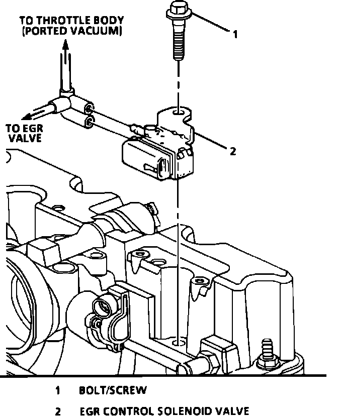
EGR Control Solenoid: Service and Repair

EGR Solenoid Location:




EGR Control Solenoid & EGR Injector Valve:






REMOVE OR DISCONNECT
1. Negative battery cable.
2. Manifold Absolute Pressure (MAP) sensor.
3. Electrical connector at solenoid valve.
4. Screw and solenoid valve.
5. Vacuum hoses.

INSTALL OR CONNECT
1. Solenoid and bracket.

Tighten
Solenoid valve mounting bolts to 30 Nm (22 lb. ft.).

2. Vacuum hoses.
3. Electrical connector.
4. Position MAP sensor seal (lubricated with a thin film of clean engine oil) into manifold assembly halfway, insert MAP sensor nipple into seal, seat sensor fully into seal and onto mounting surface.
5. MAP sensor screws.

Tighten
MAP sensor screws to 3 Nm (27 lb. in.). DO NOT OVER TORQUE!

6. Negative battery cable.