Operation CHARM: Car repair manuals for everyone.
Manuals through 2025 now available!

Our trusted friends have launched a new website named LEMON, which has newer manuals. It also contains all the CHARM manuals.

LEMON is the spiritual successor to CHARM, I recommend you try it!

Link: lemon-manuals.la or lemon-manuals.org.ua

(Some people have issue connecting. LEMON is investigating. For now, use Firefox or change your DNS server)

Or, hide this message: temporarily or permanently

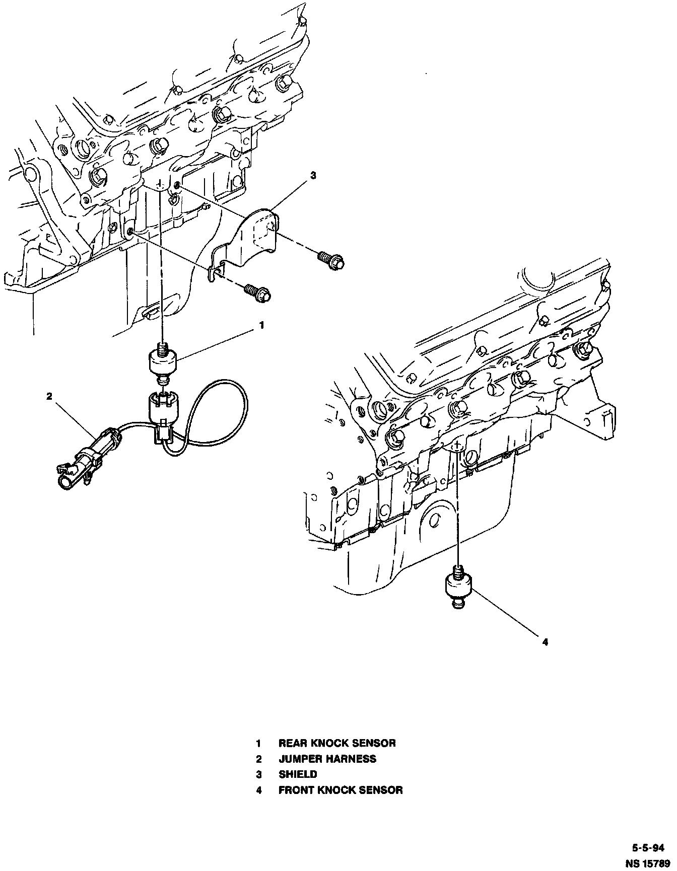
Knock Sensor: Service and Repair

Knock Sensor:






REMOVE OR DISCONNECT
1. Negative battery cable.
2. Drain cooling system.
3. Raise vehicle.
4. Knock sensor wiring harness connector from knock sensor.

WARNING: Engine coolant may be hot. Although cooling system has been drained, coolant still remains in the engine water jacket. This coolant will drain when knock sensor is removed.

5. Knock sensor from engine block.

INSTALL OR CONNECT

NOTE: Do Not apply thread sealant to sensor threads. Sensor is coated at factory and applying additional sealant will affect the sensors ability to detect detonation.

1. Knock sensor into engine block.

Tighten
Knock sensor to 19 Nm (14 lb. ft.).

2. Knock sensor wiring harness connector to the knock sensor.
3. Lower vehicle.
4. Fill cooling system.
5. Negative battery cable.