Operation CHARM: Car repair manuals for everyone.
Manuals through 2025 now available!

Our trusted friends have launched a new website named LEMON, which has newer manuals. It also contains all the CHARM manuals.

LEMON is the spiritual successor to CHARM, I recommend you try it!

Link: lemon-manuals.la or lemon-manuals.org.ua

(Some people have issue connecting. LEMON is investigating. For now, use Firefox or change your DNS server)

Or, hide this message: temporarily or permanently

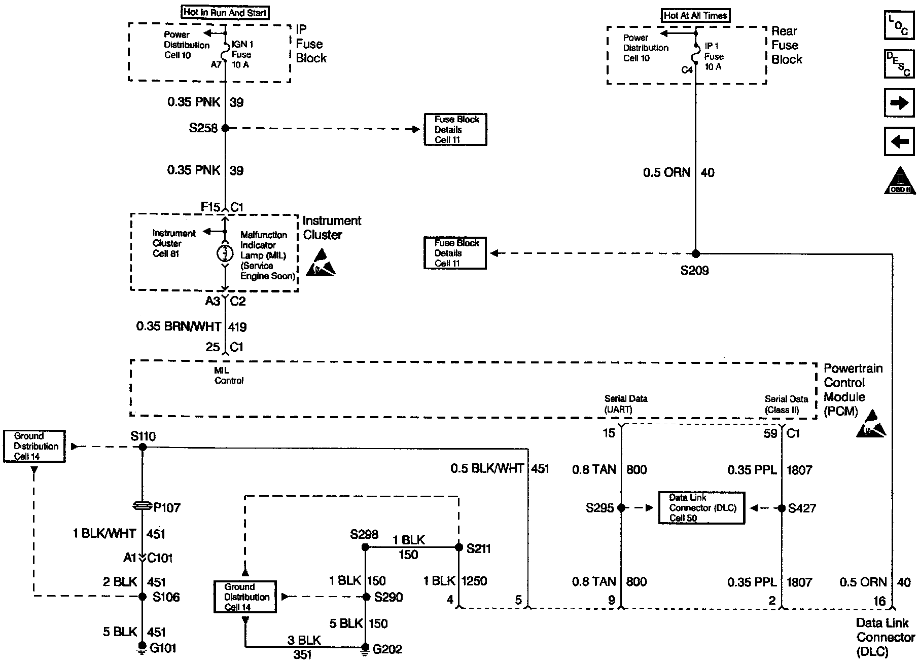
- Powertrain/On-Board Diagnostic System Check




Mil Control, Data Link Connector:






Circuit Description

The Powertrain On-Board Diagnostic System Check must be the starting point for any driveability complaint diagnosis. Before using this procedure, you should perform a careful visual/physical check of the PCM and engine grounds for being clean and tight. The Powertrain On-Board Diagnostic System Check is an organized approach to identifying a problem created by an electronic engine control system malfunction.


Diagnostic Aids

An intermittent may be caused by a poor connection, rubbed through wire insulation or a wire broken inside the insulation. Check for poor connections or a damaged harness. Inspect the PCM harness and connectors for improper mating, broken locks, improperly formed or damaged terminals, poor terminal to wire connection, and damaged harness.


Test Description

Number(s) below refer to the Step number(s) on the Diagnostic Table:

1. The Malfunction Indicator Lamp (MIL) should be ON steady with the key ON 1 engine OFF. If not, the No Malfunction Indicator Lamp table should be used to isolate the malfunction. No Malfunction Indicator Lamp (MIL)

2. This test ensures that the PCM is capable transmitting Class 2 serial data to the Data Link Connector (DLC) and that the Class 2 data circuit is not open or shorted. If a problem is encountered and a malfunctioning scan tool is suspected, try the scan tool on another vehicle to verify operation. If a DLC problem exists, the DLC Diagnosis table should be used to diagnose the condition. Data Link Connector Diagnosis

3. If the engine will not start, the Engine Cranks But Will Not Run table should be used to diagnose the condition. Engine Cranks, But Will Not Run

4. Refer to Powertrain Control Module Diagnosis for a complete list of DTC(s) supported by this vehicle application. If multiple DTCs are stored, diagnose each DTC according the the following priority:

^ PCM Error DTCs (PO6O1, P0602).

^ System Voltage (P0560).

^ Component Level DTCs (Switches, sensor range/ performance, sensor high voltage, sensor low voltage, ODMs, etc....).

^ System level DTCs (Fuel trim, Misfire, EGR flow, TWC System, Idle Control System, HO2S Response or HO2S Transition Time Ratio).

5. A scan tool parameter which is not within the typical range may help to isolate the area which is causing the problem.