Operation CHARM: Car repair manuals for everyone.
Manuals through 2025 now available!

Our trusted friends have launched a new website named LEMON, which has newer manuals. It also contains all the CHARM manuals.

LEMON is the spiritual successor to CHARM, I recommend you try it!

Link: lemon-manuals.la or lemon-manuals.org.ua

(Some people have issue connecting. LEMON is investigating. For now, use Firefox or change your DNS server)

Or, hide this message: temporarily or permanently

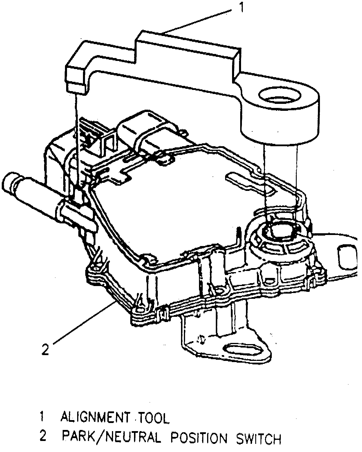
Transmission Position Sensor/Switch: Service and Repair






^ Tool Required:
- J 41545 Switch Alignment Tool

REMOVE OR DISCONNECT
1. Set parking brake and set gear selector to "NEUTRAL" (N).
2. Linkage retaining nut.
3. Shift cable and lever.
4. Park/neutral position switch.
5. Electrical connectors.

INSTALL OR CONNECT
1. Electrical connectors.
2. Verify transaxle shaft is still in "NEUTRAL" position. If it had been moved, rotate shaft clockwise from "PARK" through " - VERSES into "NEUTRAL", being careful not to damage the shaft flats, corners, or threads.

Adjust
- New replacement park/neutral position switches are already pinned in the "NEUTRAL" position.
- When installing park/neutral position switch with a sheared pin, insert the alignment too into the two slots on the switch in the area 0 the transaxle shaft. Rotate the tool until the rear leg on the tool falls into the slot on the switch near the hose. Verify tool is properly seated in all three slots. Remove tool.

Inspect
- Check for a cracked carrier if pin is sheared or if installing original switch.

3. Park/neutral position switch:
- Align flats in park/neutral position switch with transaxle manual shaft flats.
- Press park/neutral position switch onto shaft and fully seat against transaxle.
4. Bolts.





5. Verify alignment of switch with alignment tool before tightening bolts.
- Tighten bolts to 25 Nm (8 lb ft).
6. Remove alignment tool.
7. Shift cable and lever.
8. Linkage retaining nut.
- Tighten nut to 20 Nm (15 lb ft).

Important:
- Set parking brake.
- After park/neutral position switch installation, verify that engine starts only in "PARK" (P) or "NEUTRAL" (N). If engine starts in any other position, re-adjust park/neutral position switch.

NOTICE: Check the shifter for normal freedom of movement and proper adjustment of shift control cable. Ensure the vehicle has the correct shift control cable bracket and shift lever. Refer to COMPUTER AND CONTROL SYSTEMS for diagnosis if DTC(s) are present.