Operation CHARM: Car repair manuals for everyone.
Manuals through 2025 now available!

Our trusted friends have launched a new website named LEMON, which has newer manuals. It also contains all the CHARM manuals.

LEMON is the spiritual successor to CHARM, I recommend you try it!

Link: lemon-manuals.la or lemon-manuals.org.ua

(Some people have issue connecting. LEMON is investigating. For now, use Firefox or change your DNS server)

Or, hide this message: temporarily or permanently

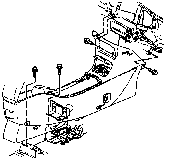
Console Replacement

Front Floor Console:




Front Floor Console Rear Mounting Plate:




Front Floor Console Mounting Plate:




Front Floor Console Mounting Plate:




Front Floor Console Mounting To Instrument Panel And Floor:




Front Floor Console Mounting Bracket:




Front Floor Console Mounting To Instrument Panel:




Front Floor Console Trim Plate:




Front Floor Console Controls:




Front Floor Console Inner Trim Panels:




Front Floor Console Wiring:






Remove or Disconnect
1. Battery ground (negative) cable.
2. Apply parking brake.
3. Reposition transaxle shift lever to the "LOW" position.
4. Front floor console trim plate.
5. Rubber mat from storage compartment in front floor console.
6. Bolts/screws from storage compartment area of front floor console.
7. Bolts/screws from front floor console mounting bracket rear of transaxle shifter lever.
8. Bolts screws from forward edge of front floor console.
9. Electrical connectors.
10. Pull front floor console rearward to release tabs from retainers in instrument panel.
11. Front floor console from vehicle.

Install or Connect

NOTICE: Refer to Service Precautions.

1. Front floor console to vehicle.
2. Electrical connectors
3. Align front floor console over transaxle shifter and position front floor console tabs to retainers in instrument panel.
4. Press front floor console forward into retainers in instrument panel until fully seated.
5. Align front floor console to front floor console mounting brackets.
6. Bolts/screws to forward edge of front floor console.

Tighten
^ Bolts/screws to 5 N.m (44 lb.in.).

7. Bolts/screws to front floor console mounting bracket rear of transaxle shifter lever.

Tighten
^ Bolts/screws to 5 N.m (44 lb.in.).

8. Bolts/screws to storage compartment area of front floor console.

Tighten
^ Bolts/screws to 5 N.m (44 lb.in.).

9. Rubber mat to storage compartment in front floor console.
10. Front floor console trim plate.
11. Reposition transaxle shift lever to the "PARK" position.
12. Release parking brake.
13. Battery ground (negative) cable.