Operation CHARM: Car repair manuals for everyone.
Manuals through 2025 now available!

Our trusted friends have launched a new website named LEMON, which has newer manuals. It also contains all the CHARM manuals.

LEMON is the spiritual successor to CHARM, I recommend you try it!

Link: lemon-manuals.la or lemon-manuals.org.ua

(Some people have issue connecting. LEMON is investigating. For now, use Firefox or change your DNS server)

Or, hide this message: temporarily or permanently

Engine Disassembly

TOOL REQUIRED
J 37096 Flex Plate Holding Tool
J 38197 Crankshaft Balancer Puller
J 33049 Camshaft Bearing Remover/Installer Set
J 6125-1B Slide Hammer
J 36995 and J 36995-UPD Balance Shaft Remover
J 41507 Connecting Rod Assembly Guide
J 41348 Main Bearing Cap Puller

1. Engine Flexplate





a. Remove the flexplate bolts. Discard the bolts. See Transmission and Drivetrain.
b. Remove the flexplate.
c. Inspect the flexplate for damage. If the flexplate is damaged, replace the flexplate.
d. Inspect the crankshaft and flexplate mating surfaces for burrs. If necessary, replace the flexplate.





2. Accessory Drive Belt Tensioner
a. Remove the supercharger belt.
b. Remove the ignition module.





c. Remove the tensioner bolts.
d. Remove the tensioner.





3. Accessory Drive Belt Tensioner Bracket
a. Remove the drive belt tensioner bracket bolt.
b. Remove the drive belt tensioner bracket.





4. Accessory Drive Belt Idler Pulley Bracket
a. Remove the pulley bracket bolts.
b. Remove the pulley bracket.





5. Oil Level Indicator and Tube
a. Remove the oil level indicator nut.
b. Remove the oil level indicator.





6. Coolant Outlet Housing and Thermostat
a. Remove the engine coolant temperature sensor wiring harness from the stud.
b. Remove the coolant outlet housing bolts.
c. Remove the coolant outlet housing.
d. Remove the gasket.
e. Remove the thermostat.
7. Water Pump





a. Remove the water pump pulley bolts.
b. Remove the water pump pulley.





c. Remove the water pump bolts.
d. Remove the water pump.





8. Supercharger
a. Remove the ICM harness from the fuel rail.
b. Remove the spark plug wire clips from the supercharger.
c. Remove the vacuum line from the fuel rail.
d. Remove the fuel rail nuts.
e. Remove the fuel rail.
f. Remove the booster bypass nut.
g. Remove the regulator valve and the harness bolt.
h. Remove the boost solenoid bolts.
i. Remove the bolts from the vacuum block.
j. Remove the MAP sensor bracket bolts.
k. Remove the TBI nuts.

NOTE: Note the location of the spacers and the bolts sizes in order to aid in installation.

l. Remove the bolts, spacers, and the stud from the supercharger.
m. Remove the supercharger.
n. Remove the supercharger gasket.
9. Intake Manifold
a. Remove the EGR outlet pipe from the intake manifold.
b. Remove the engine coolant temperature sensor wiring harness from the coolant outlet stud.
c. Remove the intake manifold bolts.
d. Remove the intake manifold.





10. Exhaust Crossover
a. Remove the exhaust crossover heat shield nuts.
b. Remove the exhaust crossover heat shield.
c. Remove the studs from the right exhaust crossover.
d. Remove the bolts from the left exhaust crossover.
e. Remove the exhaust crossover.
11. Exhaust Manifold (Left Side)





a. Remove the spark plug wires from the spark plugs.





b. Remove the exhaust manifold nuts and studs.
c. Remove the exhaust manifold.
12. Exhaust Manifold (Right Side)





a. Remove the EGR outlet pipe from the manifold.





b. Remove the heated oxygen sensor lead.





c. Remove the manifold studs.
d. Remove the manifold.
13. Valve Rocker Arm Cover (Left Side)
a. Remove the engine lift bracket.
b. Remove the ICM bracket.





c. Remove the rocker arm cover bolts.
d. Remove the rocker arm cover.
14. Valve Rocker Arm Cover (Right Side)
a. Remove the engine lift bracket.
b. Disconnect the right hand spark plug wires.





c. Remove the rocker arm cover bolts.
d. Remove the rocker arm cover.
15. Valve Rocker Arm and Push Rod
a. Remove the rocker arm cover.





b. Remove the rocker arm bolts.
c. Remove the rocker arm.
16. Valve Lifter





a. Remove the valve guide retainer bolts.
b. Remove the retainer.
c. Remove the lifter guides.
d. Remove the valve lifters.
17. Cylinder Head





a. Remove the cylinder head bolts.
b. Discard the cylinder head bolts.
c. Remove the cylinder head.
d. Remove the gasket.
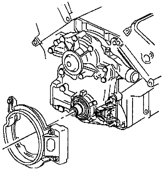
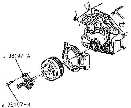
18. Crankshaft Balancer
a. Use the Flex plate Holding Tool in order to hold the flexplate.
b. Remove the balancer bolt.

CAUTION: Do not separate the pulley from the balancer. Service the pulley and the balancer as an assembly.





c. Use the Crankshaft Balancer Puller in order to remove the crankshaft balancer.
^ Invert the Crankshaft Balancer Puller so that the leg of the tool is facing away from the balancer.
^ Install the silver screws (Crankshaft Balancer Puller) to the balancer.
^ Turn the Crankshaft Balancer Puller in order to remove the balancer from the crankshaft.
^ Remove the Crankshaft Balancer Puller from the balancer.
19. [1][2]Engine Front Cover





a. Remove the sensor shield.





b. Remove the crankshaft position sensor.
c. Remove the bolts connecting the oil pan to the front cover.





d. Remove the front cover bolts.
e. Remove the front cover.





f. Remove the gasket.





20. [1][2]Engine Front Cover Oil Seal

CAUTION: Do not damage the seal bore or the contact surfaces. Use a screwdriver in order to pry out the oil seal.





21. Oil Filter Adapter and Valve Assembly
a. Remove the oil filter adapter bolts from the front cover.
b. Remove the following components:
^ The oil filter adapter.
^ The gasket.
^ The oil pressure valve.
^ The oil pressure relief valve spring.





22. Oil Pump
a. Remove the front cover.
b. Remove the oil filter adapter.
c. Remove the pressure relief valve and spring.
d. Remove the oil pump cover screws.
e. Remove the oil pump cover.
f. Remove the gears.
23. Timing Chain and Sprockets





a. Align the timing marks on the sprockets. Position the timing marks as close together as possible.





b. Remove the timing chain damper.
c. Remove the camshaft sprocket bolt.
d. Remove the camshaft sprocket.
e. Remove the timing chain.
f. Remove the crankshaft sprocket.





24. Camshaft
a. Remove the camshaft thrust plate screws.
b. Remove the camshaft thrust plate.
c. Remove the camshaft.
^ Install three 5/16-18 x 4 inch bolts into the camshaft bolt hole.
^ Carefully rotate and pull the camshaft out of the camshaft bearings.
25. Camshaft Bearing
a. Remove the camshaft.
b. Remove the rear main oil seal housing.
c. Assemble the Camshaft Bearing Remover/Installer Set according to the manufacturer's recommendations.
d. Remove the camshaft bearings using the Camshaft Bearing Remover/Installer Set.
26. Balance Shaft





a. Remove the balance shaft drive gear bolt.
b. Remove the balance shaft drive gear.
c. Remove the balance shaft retainer bolts.
d. Remove the balance shaft retainer.
e. Remove the balance shaft gear.





f. Use the Slide Hammer in order to remove the balance shaft.





g. Use the Balance Shaft Remover in order to remove the rear bushing. It may take a considerable amount of force in order to loosen the bushing from the block bore.





27. Crankshaft Rear Main Oil Seal
^ Use a screwdriver in order to pry out the oil seal.





28. Crankshaft Rear Main Oil Seal Housing
a. Remove the rear main oil seal housing bolts. The bolts may remain in the housing bolt holes
b. Remove the rear main oil seal housing.
29. Oil Pan

CAUTION: Remove the oil level sensor, located in the oil pan, before the oil pan is removed. The sensor may be damaged if the oil pan is removed first.





a. Remove the oil level sensor.





b. Remove the oil pan bolts.
c. Remove the oil pan.
d. Remove the oil pan gasket.





30. Oil Pump Pipe and Screen Assembly
a. Remove the oil pump pipe screen bolts.
b. Remove the oil pump screen.
c. Remove the gasket.
d. Use solvent in order to clean the screen and the housing. Blow dry the screen and the housing.
e. Clean the gasket mating surfaces.
31. Piston, Connecting Rod, and Bearing
a. Mark the connecting rod cap and rod in order to reassemble the cap and rod properly.





b. Remove the connecting rod bolts.
c. Remove the connecting rod cap.





d. Install the Connecting Rod Assembly Guide to the connecting rod. Securely hand tighten the tool to the connecting rod.
e. Use hand pressure on the Connecting Rod Assembly Guide in order to push the connecting rod towards the top of the cylinder.

CAUTION: Remove any carbon or ridge at the top of the cylinder bore in order to avoid damaging the piston ring lands.

f. Remove the piston and the connecting rod from the top of the cylinder.
g. Remove the bearings.
32. Crankshaft, Bearings, and Bearing Cap





a. Remove the connecting rod caps.
b. Push the pistons and the connecting rods to the top of the cylinder bores.

CAUTION: This engine has side bolts on all of the main caps except the rear cap. These bolts must be removed to service the caps.

c. Remove the side bolts.
d. Remove the main cap bolts.

CAUTION: Main bearing caps are press fit. Remove the caps carefully for service. Main Bearing Cap Puller has been designed to work with Slide Hammer in order to prevent damage to the bearing and cap. Main Bearing Cap Puller MUST be installed properly into the bolt holes of the caps and Slide Hammer attached to Main Bearing Cap Puller in order to properly remove the main cap without damaging the bearing or the cap. Any deviation from this procedure may cause damage to the cap and the bearing and may result in future engine damage.





e. Install the Main Bearing Cap Puller into the main cap bolt holes.
f. Tighten the bolts on the Main Bearing Cap Puller to 12 Nm (100 inch lbs.).
g. Install the Slide Hammer to the Main Bearing Cap Puller.
h. Use the Slide Hammer in order to remove the main bearing cap.





i. Remove the crankshaft.
j. Clean the crankshaft of the following foreign material:
- Oil
- Sludge
- Carbon
k. Clean the oil passages of any obstructions.





l. Inspect the keyway for damage.
m. Inspect the threads.
n. Inspect the bearing journals and thrust surfaces for the following conditions:
- Cracks
- Chips
- Gouges
- Roughness
- Grooves
- Overheating (discoloration)
o. Inspect the bearing inserts for embedded foreign material. Determine the source of the foreign material.
p. Replace the crankshaft if the crankshaft is damaged. Remove slight roughness with a fine polishing cloth. Remove burrs with a fine oil stone.
q. Use a micrometer in order to measure the crankshaft journal taper.
r. Use a micrometer in order to measure the crankshaft journal runout.
s. Note the results if the measurements are within specifications. Use the results later in order to select bearing inserts.
t. Replace the crankshaft if the measurements are not within specifications.
u. Use the following procedure in order to measure the crankshaft flange runout:
1. With the crankshaft installed, place the dial indicator stem outside of the flywheel mounting bolt holes.
2. Set the indicator to 0.
3. Rotate the crankshaft.
4. Record the readings.
5. Replace the crankshaft if the readings are not within limits.
v. If the main bearing high spots are not in line the crankshaft is bent. Replace the crankshaft if the crankshaft is bent.

Notice: Do not scrape, shim, or file bearing inserts. If the bearing surface of the insert is touched with bare fingers, the skin oil and acids will etch the bearing surface.

Important: Engine bearings are of the precision insert type. They are available for service use in standard and 0.001 inch undersize.

w. Inspect the bearing surfaces for the following conditions:
- Wear
- Gouges
- Embedded foreign material
- Determine the nature and the source of any foreign material. Inspect the oil pan sludge and residue.
- Uneven side to side wear
If wear is uneven, check for a bent crankshaft or tapered bearing journals.
x. Inspect the outer surfaces for the following conditions:
- Wear
Surface wear indicates either movement of the insert or high spots in the surrounding material
- Discoloration caused by overheating
- Flattened tangs and wear grooves caused by looseness or rotation.
y. Inspect the thrust surfaces for the following conditions:
- Wear
- Grooving caused by irregularities of the crankshaft thrust surface





z. Inspect the connecting rods or main bearing bores for the following conditions:
- Bearing failure. Investigate bearing failure carefully, other than normal wear. Inspect the crankshaft or connecting rod and the bearing bores.
- Measure the bore for taper and out of round

Notice: This bolt is designed to permanently stretch when tightened. The correct part number fastener must be used to replace this type of fastener. Do not use a bolt that is stronger in this application. If the correct bolt is not used, the parts will not be tightened correctly. The system or the components may be damaged.

- Tighten the bearing cap to specifications in order to inspect the connecting rods or main bearing bores. Start the main bolts by hand. Ensure that the bottom of the cap is parallel to the bottom of the channel.
Tighten
- Tighten all of the caps in equal increments. Do not tighten one cap completely at a time.
- Tighten the bolts to 70 Nm (52 lb ft) in order to fully seat the caps. Loosen the bolts 360 degrees counterclockwise.
- Tighten the bolts to 20 Nm (15 lb ft), then 40 Nm (30 lb ft).
Use the J 36660 in order to tighten the bolts in steps: 35 degrees +35 degrees +40 degrees for a total of 110 degrees. Refer to Fastener Notice in General Information.
aa. Install the side main bolts.
- Tighten the side main bolts to 15 Nm (11 lb ft). Use the J 3666D in order to tighten the bolts an additional 45 degrees.
Measure the bore for taper and for out of round.
bb. Inspect the bearing cap bolts. Replace the bolts if the bolts are stretched.
Compare the bolt to a new bolt in order to determine if the bolt is stretched.