Operation CHARM: Car repair manuals for everyone.
Manuals through 2025 now available!

Our trusted friends have launched a new website named LEMON, which has newer manuals. It also contains all the CHARM manuals.

LEMON is the spiritual successor to CHARM, I recommend you try it!

Link: lemon-manuals.la or lemon-manuals.org.ua

(Some people have issue connecting. LEMON is investigating. For now, use Firefox or change your DNS server)

Or, hide this message: temporarily or permanently

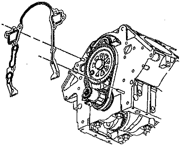
Timing Cover: Service and Repair

TOOL REQUIRED
^ J 37096 Flywheel Holding Tool
^ J 36660 Torque Angle Meter

REMOVAL
1. Disconnect the battery ground (negative) cable.
2. Remove the drive belt tensioner.
3. Remove the crankshaft balancer.
4. Remove the electrical connections from the front cover.





5. Remove the crankshaft position sensor shield.





6. Remove the crankshaft position sensor.
7. Remove the oil pan to the front cover bolts.
8. Remove the oil filter.
9. Remove the lower radiator hose. See Cooling System.
10. Remove the water pump pulley. See Cooling System.





11. Remove the front cover attaching bolts and front cover with the oil filter adapter as one assembly.





12. Remove the front cover gasket.
13. If the front cover is being replaced, use the following procedure:
a. Remove the oil filter adapter and pressure relief valve from the front cover.
b. Remove the oil pump from the front cover.
c. Remove the water pump from the front cover. See Cooling System.
14. Inspect the timing chain for overall in and out movement. Maximum movement is 25.4 mm (1 inch).
15. Inspect the sprockets for wear.
16. Clean the mating surfaces of the front cover and cylinder block.
17. Clean the sealing surfaces with degreaser.

NOTE: The oil pan can be dropped slightly for front cover clearance if all pan bolts are loosened and the oil level sensor is removed.

18. If the front cover has been replaced, use the following procedure:
a. Install the oil filter adapter and pressure relief valve.
b. Install the oil pump to the front cover.
c. Install the water pump and new gasket. See Cooling System.

INSTALLATION
1. Install the new gasket. Ensure that the sealing surfaces are not damaged.
2. Apply sealer GM P/N 1052080 or equivalent to the bolt threads.
3. Install the new front cover seal.

NOTE: Align the cogs on the crankshaft sprocket with the cogs on the oil pump in the front cover.

4. Install the front cover on the engine.
5. Install the upper front cover bolts. Tighten the bolts to 15 Nm (11 ft. lbs.). Use the Torque Angle Meter in order to rotate the bolts an additional 40.
6. Inspect the pan gasket. Replace it if necessary.
7. Install the oil pan to the front cover bolts, and the oil pan bolts if loosened. Tighten the bolts to 14 Nm (125 inch lbs.).
8. Install the water pump pulley. See Cooling System.
9. Connect the lower radiator hose. See Cooling System.
10. Install the oil filter.
11. Install the crankshaft position sensor.
13. Install the crankshaft position sensor shield.
14. Install the electrical connections to the front cover.
15. Install the crankshaft balancer.
16. Install the drive belt tensioner.
17. Connect the battery ground (negative) cable.
18. Fill the engine coolant. See Cooling System.
19. Fill the crankcase with clean engine oil.
20. Inspect for proper fluid levels.
21. Inspect for leaks.