Operation CHARM: Car repair manuals for everyone.
Manuals through 2025 now available!

Our trusted friends have launched a new website named LEMON, which has newer manuals. It also contains all the CHARM manuals.

LEMON is the spiritual successor to CHARM, I recommend you try it!

Link: lemon-manuals.la or lemon-manuals.org.ua

(Some people have issue connecting. LEMON is investigating. For now, use Firefox or change your DNS server)

Or, hide this message: temporarily or permanently

Coolant: Service and Repair

NOTE: This procedure significantly increases the amount of used coolant and diluted hazardous waste.

DRAINING
1. Park the vehicle on a level surface.
2. Remove and clean coolant recovery reservoir.
3. Remove the radiator cap when the engine is cool by:
a. Slowly rotating the cap counterclockwise to detent. Do not press down while rotating pressure cap.
b. Wait until any residual pressure (indicated by a hissing sound) is relieved.
c. After all hissing stops, continue to rotate counterclockwise until the cap is removed.

NOTE: Recover coolant and store in a used coolant holding tank and submit the used coolant for recycling on a regular basis. This procedure significantly increases the amount of used coolant and diluted hazardous waste.

4. Place drain pan under vehicle to collect all drained coolant.
5. Open the radiator drain valve located at the bottom of the radiator tank. For procedures requiring the cooling system to be partially drained, opening the radiator drain valve should provide sufficient draining and no further actions should be necessary.





6. Open the air bleed vent(s): Open the air bleed vents on the thermostat housing and above water pump. The air bleed vents should be opened two to three turns.





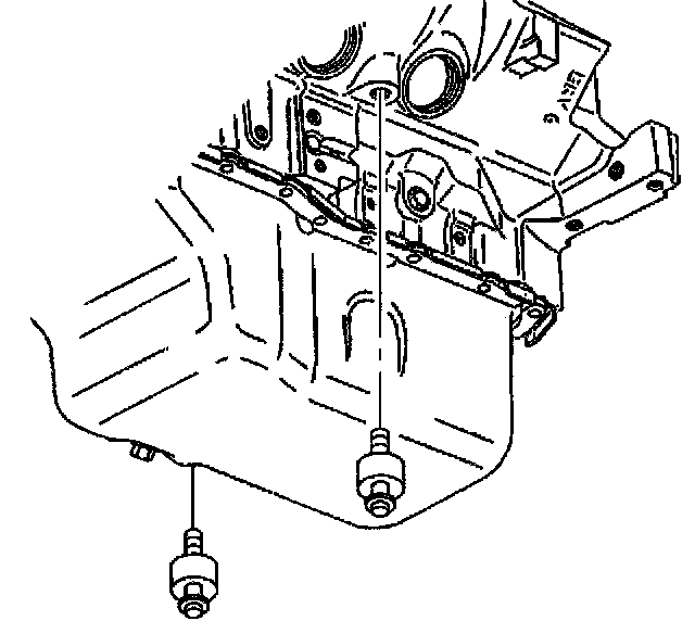
7. Remove the engine block drains: Remove both engine block drains. The front engine block drain is located between the starter and the engine oil filter. The rear engine block drain is located in the same area in the center of the block.
8. Disconnect inlet hose to engine oil cooler (if equipped).
9. Allow the coolant to drain completely.

WARNING: Dispose of used coolant in a proper fashion, i.e., in a used coolant holding tank. NEVER POUR USED COOLANT DOWN THE DRAIN! Ethylene glycol antifreeze is a very toxic chemical; disposing of it into the sewer system or ground water is both illegal and ecologically unsound!

REFILLING
1. Close the radiator drain valve. Reinstall all engine block drains.
2. Install the coolant recovery reservoir. Flush the reservoir with clean water, drain and reinstall.
3. Slowly fill the cooling system through the radiator neck using the following procedure:
^ If the coolant system has been flushed, first add 100 percent ethylene glycol in the amount listed for the appropriate engine application. Then slowly add clean water to the system until the level of the coolant mixture has reached the base-of the radiator neck. Wait for two minutes and recheck the level of the coolant mixture, add clean water if necessary to restore the coolant mixture level to the base of the radiator neck.
^ When refilling the engine cooling system, add three engine coolant supplement sealant pellets, GM P/N 3634621 or equivalent, and GM approved new Ethylene Glycol Coolant DEX-COOL GM P/N 9985809.
^ If the cooling system is being refilled ONLY (no flush), a 50 percent ethylene glycol and 50 percent clean water mixture should be used to fill the system. Fill the system until the level of the 50/50 mixture has reached the base of the radiator neck. Wait two minutes and recheck the level of the coolant mixture, add a 50/50 ethylene glycol/water mixture as necessary to restore the coolant mixture level to the base of the radiator neck.
4. Install the radiator cap making certain the arrows line up with the overflow tube.
5. Close all air bleeds. DO NOT over torque the air bleed valve. The air bleed valve is made out of brass.
6. Fill the coolant reservoir with a 50 percent ethylene glycol and a 50 percent clean water coolant mixture. The proper amount of this mixture to be installed into the coolant reservoir is listed below:
^ Add 0.65 liters (0.68 quarts) of a 50/50 mixture of ethylene glycol and clean water to the coolant recovery reservoir.

CAUTION: The low coolant indicator lamp may come on after this procedure. After operating the vehicle so that the engine heats up and cools down three times. If at any time the "TEMP" warning indicator comes on, immediate action is required.