Operation CHARM: Car repair manuals for everyone.
Manuals through 2025 now available!

Our trusted friends have launched a new website named LEMON, which has newer manuals. It also contains all the CHARM manuals.

LEMON is the spiritual successor to CHARM, I recommend you try it!

Link: lemon-manuals.la or lemon-manuals.org.ua

(Some people have issue connecting. LEMON is investigating. For now, use Firefox or change your DNS server)

Or, hide this message: temporarily or permanently

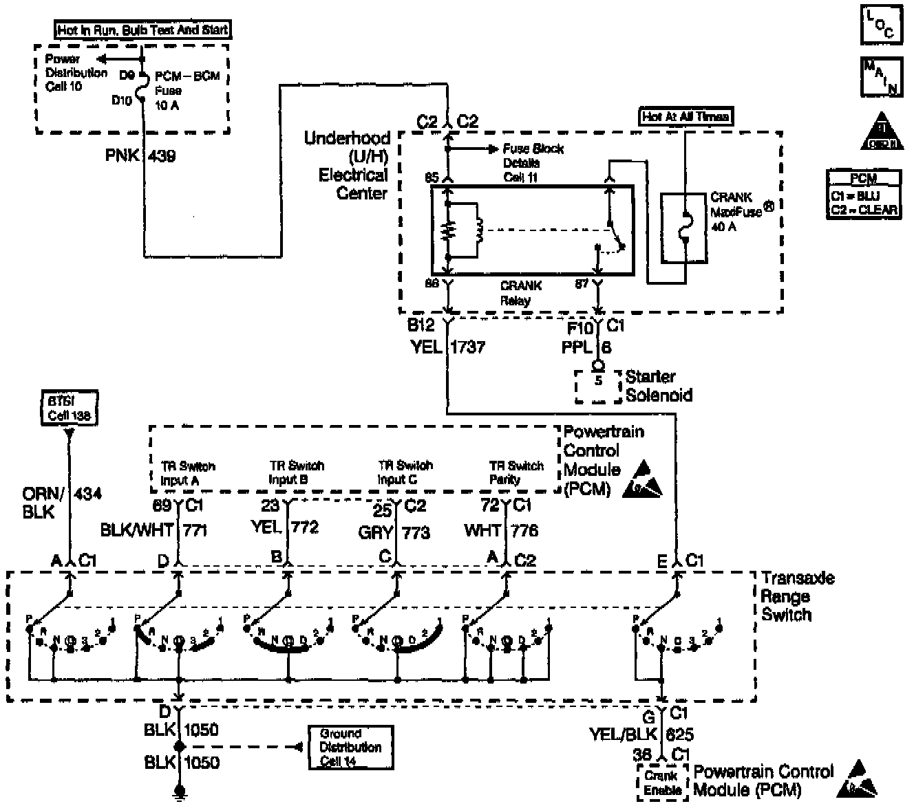
PCM Controlled Starter Diagnosis

Diagnostic Chart:




Diagnostic Chart:




Diagnostic Chart:




Diagnostic Chart:




Wiring Diagram:






Circuit Description

The PCM has the ability to disable starter operation if conditions inappropriate for starter operation exist. The PCM disables the starter if the engine is running, if a correct VTD password is not received from the PASS-Key(R) III module or if the vehicle operator attempts to engage the starter for an extended period of time.

The PCM controlled starter system consists of the following components:

^ Starter enable relay.

^ The Transaxle Range/Park Neutral Position switch.

^ The ignition switch.

^ The starter solenoid.

^ The PCM.

Diagnostic Aids

The PCM Controlled Starter Diagnosis table is intended to identify electrical malfunctions that can occur with the system. For additional system diagnosis, refer to Starting and Charging.

Check for the following conditions:

^ Poor connection at the PCM, the starter enable relay, the Transaxle Range/Park/Neutral Position (PNP) switch, the ignition switch or the starter solenoid.

Inspect harness connectors for the following conditions:

- Backed out terminals.

- Improper mating.

- Broken locks.

- Improperly formed or damaged terminals.

- Poor terminal to wire connection.

^ Damaged harness.

Inspect the wiring harness for damage. Either of the following conditions can cause the PCM to disable starter operation:

- The engine has been running for longer than 10 seconds.

- The starter has been continuously engaged for longer than 15 seconds.

- A correct VTD password has not been received from the PASS-Key(R) III module.

Test Description

Number(s) below refer to step number(s) in the diagnostic table.

2. Checks for a short to ground in the relay control circuit (CKT 1737 or CKT 625).

4. Determines if the circuit is shorted before or after the Transaxle Range switch or the PCM is detective.

6. Ensures battery voltage is available at cavity 30 of the relay connector.

7. Ensures battery voltage is available to the relay coil with the ignition switch in the RUN position.

8. Ensures battery voltage is available to the relay coil with the ignition switch in the CRANK position.

11. A blown fuse indicates a short to ground in the B+ feed to cavity 30, CKT 6, or the starter solenoid.

15. A blown fuse indicates a short to ground in the CKT 439, or a shorted starter enable relay coil.

19. Checks for an open or short to voltage in CKT 1737. A short to voltage in the starter enable relay control circuit will cause a thermal shutdown of the relay driver.

36. This vehicle is equipped with a PCM which utilizes an Electrically Erasable Read Only Memory (EEPROM) When the PCM is being replaced, the new PCM must be programmed.