Operation CHARM: Car repair manuals for everyone.
Manuals through 2025 now available!

Our trusted friends have launched a new website named LEMON, which has newer manuals. It also contains all the CHARM manuals.

LEMON is the spiritual successor to CHARM, I recommend you try it!

Link: lemon-manuals.la or lemon-manuals.org.ua

(Some people have issue connecting. LEMON is investigating. For now, use Firefox or change your DNS server)

Or, hide this message: temporarily or permanently

Troubleshooting Hints

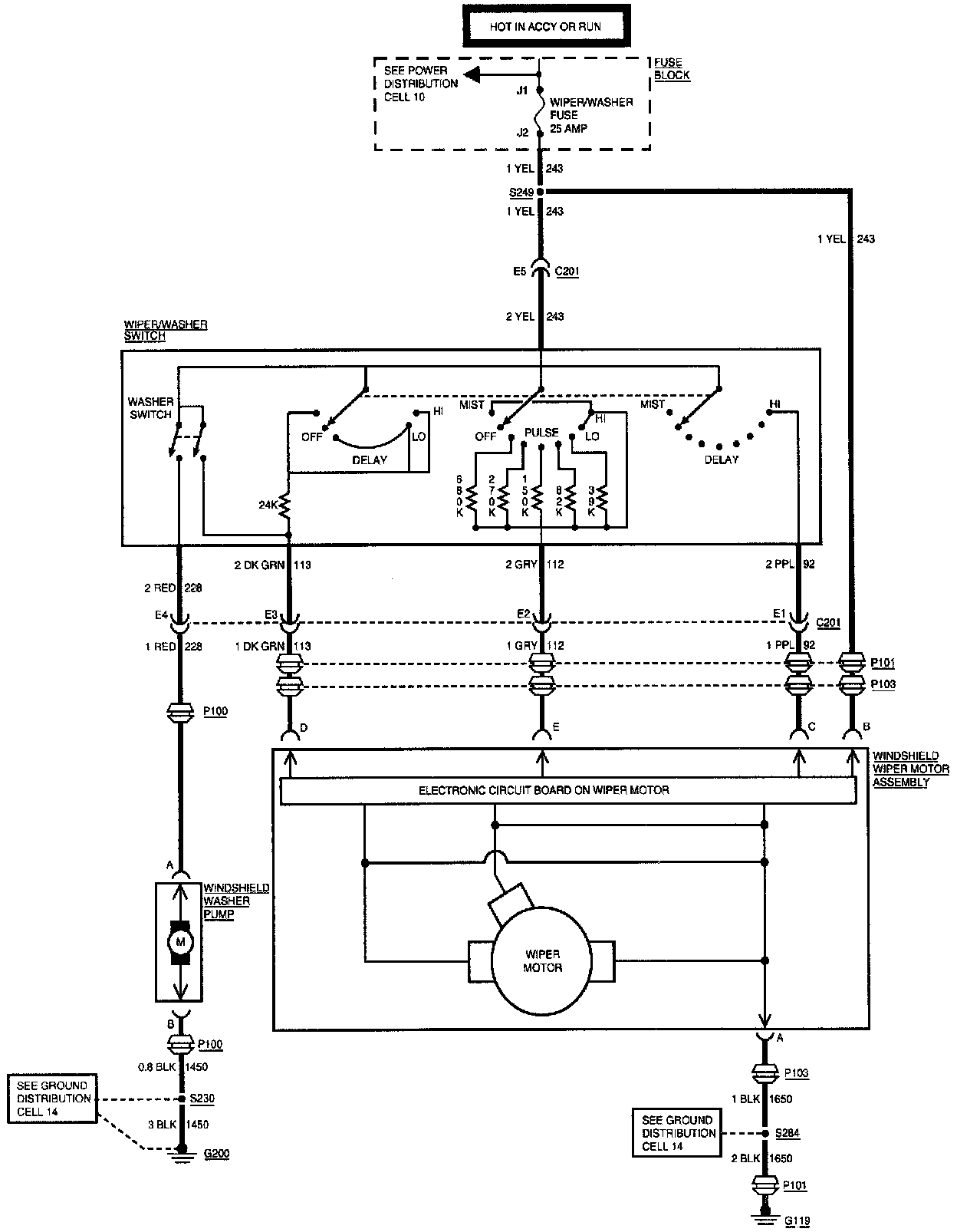
Wiring Diagram:




Wiring Diagram:






^ Make the following checks before beginning System Diagnosis.
1. Check wiper/washer fuse. If open, check for short to ground through CKT 243 and replace fuse.
2. Check that all system connectors are mated firmly.
3. If washer does not operate, check that:
- washer reservoir is filled.
- Hoses are correctly attached.
- Hoses are not cut, kinked, or pinched.
- Nozzles are not clogged.
- Connector seal at washer pump is not damaged is not missing.
4. Check for binding or broken wiper arm linkage.