Operation CHARM: Car repair manuals for everyone.
Manuals through 2025 now available!

Our trusted friends have launched a new website named LEMON, which has newer manuals. It also contains all the CHARM manuals.

LEMON is the spiritual successor to CHARM, I recommend you try it!

Link: lemon-manuals.la or lemon-manuals.org.ua

(Some people have issue connecting. LEMON is investigating. For now, use Firefox or change your DNS server)

Or, hide this message: temporarily or permanently

Brake Bleeding: Service and Repair

HYDRAULIC BRAKE SYSTEM BLEEDING





Caution: Do not move the vehicle until a firm brake pedal is obtained. Air in the brake system can cause loss of brakes with possible personal injury.

Caution: Use only SUPREME 11 or equivalent DOT 3 brake fluid from a clean, sealed container. Do not use fluid from an open container that may be contaminated with water. Improper or contaminated fluid will result in damage to components or loss of braking, with possible personal injury.

Caution: Overfilling the reservoir must be avoided due to the potential for overflow onto the nearby catalytic converters in the exhaust system. Brake fluid is flammable, and contact with hot exhaust components could result in a fire and possible personal injury.

Notice: If any brake component is repaired or replaced such that air is allowed to enter the brake system, the entire bleeding procedure must be followed.

Notice: Avoid spilling brake fluid on any of the vehicle's painted surfaces, wiring, cables, or electric connectors. Brake fluid will damage the paint and the electrical connections. If any fluid is spilled on the vehicle, flush the area to lessen the damage.

Notice: Prior to bleeding the brakes, the front and rear displacement cylinder pistons must be returned to the topmost position. The preferred method uses a Scan Tool to perform the rehoming procedure. If E Scan Tool is not available, the second procedure may be used, but it is extremely important that the procedure be followed exactly as outlined.

A bleeding operation is necessary in order to remove air when air is introduced into the hydraulic brake system.

Bleed the hydraulic system at all four brakes if air has been introduced through a low fluid level or by disconnecting brake pipes at the master cylinder. If a brake hose or brake pipe is disconnected at one wheel, bleed only that one wheel caliper. If brake pipes or hoses are disconnected at any fitting located between the master cylinder and the brakes, then only bleed the brake system served by the disconnected pipe or hose.

With Scan Tool (Preferred Method)
1. Using a Scan Tool, select the Motor Rehome function. The Motor Rehome function cannot be performed if current DTCs are present. If DTCs are present, repair the vehicle fault and clear the DTCs before performing the Motor Rehome function.

2. Bleed the entire brake system.

WITHOUT SCAN TOOL

NOTICE: This method can only be used if the amber ABS warning indicator is not illuminated and no DTCs are present.

IMPORTANT: Do not place your foot on the brake pedal through this entire procedure unless specifically directed to do so.

1. Remove foot from the brake pedal.
2. Start the engine. Allow the engine to run for at least ten seconds while observing the amber ABS warning indicator.
3. If the amber ABS warning indicator turns on and stays on after ten seconds, stop the bleeding procedure. Use a Scan Tool in order to diagnose the ABS malfunction.
4. If the amber ABS warning indicator turns on for approximately three seconds, then turns off and stays off, turn the ignition off.
5. Repeat the previous four steps one more time.
6. Bleed the entire brake system.

PRESSURE BLEEDING
Tools Required
^ J 29532 Diaphragm Type Brake Bleeder
^ J 35589 Compact Brake Bleeder Adapter

NOTICE: Pressure bleeding equipment must be of the diaphragm type. It must have a rubber diaphragm between the air supply and the brake fluid to prevent air, moisture, and other contaminants from entering the hydraulic system.

1. Clean the brake fluid reservoir cover and the surrounding area.
2. Remove the brake fluid reservoir cover.
3. Inspect the brake fluid reservoir level. Refer to Master Cylinder Reservoir Filling. Add clean brake fluid as required.
4. Connect the J 35539 to the brake fluid reservoir.
5. Adjust the pressure bleed equipment to 35-70 kPa (5-10 psi).
6. Complete the following procedures using pressure bleeding equipment that is connected and pressurized:

6.1. Attach a clear plastic bleeder hose to the rearward bleeder valve on the brake modulator.
6.2. Submerge the opposite hose end in a clean container partially filled with clean brake fluid.
6.3. Slowly open the bleeder valve. Allow the fluid to flow until no air is seen in the fluid.
6.4. Close the valve when the fluid flows without any air bubbles.

IMPORTANT: Use a shop cloth in order to catch escaping brake fluid. Prevent the fluid from running down the motor pack case or into the electrical connector. Also, do not allow brake fluid to contact any painted surfaces as surface damage will occur. If brake fluid does contact any surface, flush the surface with water to lessen the damage.

6.5. Repeat the previous four steps until no air bubbles are present.
6.6. Relocate the bleeder hose on the forward brake modulator bleeder valve.
6.7. Submerge the opposite hose end in a clean container partially filled with clean brake fluid.
6.8. Slowly open the bleeder valve. Allow the fluid to flow until no air is seen in the fluid.
6.9. Close the valve when the fluid flows without any air bubbles.

NOTICE: Fastener Notice in Service Precautions.

6.10. Repeat the previous four steps until no air bubbles are present.
^ Tighten the ABS modulator bleeder valves to 9 Nm (80 inch lbs).

7. Bleed the brake modulator brake pipe connections using pressure bleeding equipment that is connected and pressurized:

7.1. Slowly open the forward brake pipe tube nut on the brake modulator. Inspect for air in the escaping fluid.
7.2. When the air flow ceases, immediately tighten the tube nut.
^ Tighten the tube nut to modulator 24 Nm (18 ft lbs).

7.3. Moving from the front to the rear, repeat the previous two steps for the remaining three brake pipe connections.





8. Complete the following procedure using pressure bleeding equipment that is connected and pressurized.

8.1. Remove the traction control module bolt to bracket in order to access the bleeder valves.
8.2. Attach a clear plastic bleeder hose to the right side bleeder valve on the traction control module.
8.3. Submerge the opposite hose end in a clean container partially filled with clean brake fluid.
8.4. Slowly open the bleeder valve. Allow the fluid to flow until no air is seen in the fluid.
8.5. Close the valve when the fluid flows without any air bubbles.

IMPORTANT: Use a shop cloth to catch escaping brake fluid. Take care to prevent fluid from running down the motor pack base or into the electrical connector. also do not allow the brake fluid to contact any painted surfaces as surface damage will occur. If the brake fluid does contact any surface, flush the surface with water to lessen the damage

8.6. Repeat the previous four steps until no air bubbles are present.
8.7. Relocate the bleeder hose on the left side of the traction control module bleeder valve.
8.8 Submerge the opposite hose end in a clean container partially filled with clean brake fluid.
8.9. Slowly open the bleeder valve. Allow the fluid to flow until no air is seen in the fluid.
8.10. Close the valve when the fluid flows without any air bubbles.
8.11. Repeat the previous four steps until no air bubbles are present.

NOTICE: Refer to Fastener Notice in Service Precautions.

^ Tighten the traction control module bleeder valves to 9 Nm (80 inch lbs).
^ Tighten the traction control module bolt to bracket to 3 Nm (27 inch lbs).

9. Bleed the traction control module brake pipe connections using pressure bleeding equipment that is connected and pressurized.

9.1. Slowly open the right side brake pipe tube nut on the traction control module. Inspect for air in the escaping fluid.
9.2. When the air flow ceases, immediately tighten the tube nut.
^ Tighten the tube nut to modulator 24 Nm (18 ft lbs).

9.3. Moving from right to left, repeat the previous two steps for the remaining three brake pipe connections.





10. Raise and suitably support the vehicle.
11. Use the following bleed sequence to bleed the system.

^ Right rear
^ Left front
^ Left rear
^ Right front

12. Bleed the wheel brakes in the sequence shown above:

IMPORTANT: Ensure that the bleeder valves do not leak. Complete the following steps in order to bleed the brakes:

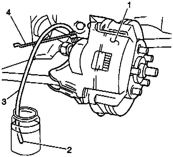
12.1. Attach a clear plastic bleeder hose (3) to the bleeder valve at the wheel.
12.2. Submerge the opposite hose end in a clean container (2) partially filled with clean brake fluid.
12.3. Slowly open the bleeder valve and allow the fluid to flow.
12.4. Close the valve when the fluid begins to flow without any air bubbles. Tap lightly on the caliper (1) or backing plate in order to dislodge any trapped air bubbles.
^ Tighten the front caliper bleeder valves to 13 Nm (115 inch lbs).
^ Tighten rear caliper bleeder valves to 7 Nm (62 inch lbs)
. ^ Tighten the rear wheel cylinder bleeder valves to 7 Nm (62 inch lbs).

13. Remove the pressure bleeding equipment, including the J 35589.
14. Lower the vehicle.





15. Inspect the brake fluid level in the reservoir. Fill the reservoir to the proper level if necessary.
16. Reinstall the brake fluid reservoir cap.
17. Turn the ignition to the RUN position, then turn off the engine.
18. Apply the brake pedal with moderate force and hold the brake pedal. Note the pedal travel and feel.
19. If the pedal feels firm and constant and pedal travel is not excessive, start the engine. With the engine running, re-check the pedal travel.
20. If the pedal travel is still firm and constant and pedal travel is not excessive, perform a road test on the vehicle. Make several normal (non-ABS) stops from a moderate speed in order to ensure proper brake system function. Allow adequate cooling time between stops.
21. If pedal travel feels soft or has excessive travel either initially or after the engine start, use the following procedure:

21.1. Using the Scan Tool, release then apply each motor 2-3 times and cycle each solenoid 5-10 times.
21.2. When finished, apply the front and rear motors in order to ensure the pistons are in the upmost position. Do not drive the vehicle.
21.3. If a Scan Tool is not available, remove the foot from the brake pedal, start the engine and allow it to run for at least 10 seconds in order to initialize the ABS. Do not drive the vehicle.
21.4. After ten seconds, turn the ignition off.
21.5. Repeat the initialization procedure five times in order to ensure that any trapped air has been dislodged. Repeat the pressure bleeding procedure starting at Step 1.

22. Perform a road test on the vehicle. Make several normal (non-ABS) stops from a moderate speed in order to ensure proper brake system function. Allow adequate cooling time between stops.


MANUAL BLEEDING





IMPORTANT: In the following procedure, use a suitable container and/or shop cloths in order to catch and prevent the brake fluid from contacting any painted surfaces.

1. Clean the brake fluid reservoir cover and the surrounding area.
2. Remove the brake fluid reservoir cover.
3. Inspect the brake fluid level. Fill the reservoir to the correct level if necessary.
4. Install the brake fluid reservoir cover.





5. Prime the ABS brake modulator/master cylinder assembly.

5.1. Attach the bleeder hose (3) to the rearward bleeder valve.
5.2. Submerge the opposite hose end in a clean container (3) partially filled with clean brake fluid.
5.3. Slowly open the rearward bleeder valve.
5.4. Depress the brake pedal and hold the pedal until the fluid begins to flow.
5.5. Close the valve and release the brake pedal.

IMPORTANT: Once the fluid is visibly flowing from both modulator bleeder valves, the ABS brake modulator/master cylinder assembly is sufficiently full of fluid. However, it may not be completely purged of air. At this point, move to the wheel brakes and bleed the brakes. This ensures that the lowest points in the system are completely free of air. Then purge the ABS brake modulator/master cylinder assembly of any remaining air.





5.6. Repeat the previous three steps until air bubbles are no longer present.
5.7. Relocate the bleeder hose to the forward brake modulator bleeder valve.
5.8. Submerge the opposite hose end in a clean container (3) partially filled with clean brake fluid.

5.9. Slowly open the forward bleeder valve.

5.10. Depress the brake pedal and hold the pedal until the fluid begins to flow.
5.11. Close the valve and release the brake pedal.
5.12. Repeat the previous three steps until air bubbles are no longer present.
^ Tighten the ABS brake modulator bleeder valves to 9 Nm (80 inch lbs).





6. Remove the brake fluid reservoir cover.
7. Inspect the brake fluid level in the reservoir. Fill the reservoir to the correct level if necessary.
8. Install the brake fluid reservoir cover.





9. Complete the following steps in order to prime the traction control module.

9.1. Remove the traction control module bracket bolt in order to access bleeder valves.
9.2. Attach the bleeder hose to the right side bleeder valve.
9.3. Submerge the opposite hose end in a clean container partially filled with clean brake fluid.
9.4. Depress the brake pedal slowly and hold the pedal until the fluid begins to flow.
9.5. Close the valve and release the brake pedal.

IMPORTANT: Once the fluid is visibly flowing from both bleeder valves, the traction control module is sufficiently full of fluid. However, it may not be completely purged of air. At this point, bleed the wheels brakes. Bleeding the wheel brakes ensures that the lowest points in the system are completely free of air. Then, purge the traction control module of any remaining air.

9.6. Repeat the previous four steps until air bubbles are no longer present.
9.7. Relocate the bleeder hose to the left side bleeder valve.
9.8. Submerge the opposite hose end in a clean container partially filled with clean brake fluid.
9.9. Depress the brake pedal slowly and hold the pedal until the fluid begins to flow.
9.10. Close the valve and release the brake pedal.
9.11. Repeat the previous four steps until air bubbles are no longer present.
^ Tighten the traction control module bleeder valves to 9 Nm (80 inch lbs).
^ Tighten the traction control module bracket bolt to 3 Nm (27 inch lbs).





10. Remove the brake fluid reservoir cover.
11. Inspect the brake fluid level in the reservoir. Fill the reservoir to the correct level if necessary.
12. Install the brake fluid reservoir cover.
13. Raise and suitably support the vehicle.





14. Use the following bleed sequence to bleed the system.

^ Right rear
^ Left front
^ Left rear
^ Right front

15. Perform the following steps in order to bleed the brakes in the sequence shown above:

15.1. Attach a clear bleeder hose (3) to the bleeder valve at the wheel.
15.2. Submerge the opposite hose in a clean container (2) partially filled with clean brake fluid.
15.3. Open the bleeder valve.
15.4. Slowly depress the brake pedal.
15.5. Close the valve and slowly release the brake pedal.

IMPORTANT: Once the fluid is visibly flowing from both bleeder valves, the traction control module is sufficiently full of fluid. However, it may not be completely purged of air. At this point, bleed the wheels brakes. Bleeding the wheel brakes ensures that the lowest points in the system are completely free of air. Then, purge the traction control module of any remaining air.

IMPORTANT: In order to assist in freeing the entrapped air, tap lightly on the caliper (1) or braking plate in order to dislodge any trapped air bubbles.

15.6. Wait five seconds.

16. Repeat the following steps until the brake pedal feels firm at half travel and no air bubbles are observed in the bleeder hose:

16.1. Remove the traction control module bracket bolt in order to access the bleeder valves.
16.2. Attach the bleeder hose to the right side bleeder valve.
16.3. Submerge the opposite hose end in a clean container partially filled with clean brake fluid.
16.4. Depress the brake pedal slowly and hold the pedal until the fluid begins to flow.
16.5. Close the valve and release the brake pedal.
16.6. Repeat the previous four steps until air bubbles are no longer present.
16.7. Relocate the bleeder hose to the left side bleeder valve.
16.8. Submerge the opposite hose end in a clean container partially filled with clean brake fluid.
16.9. Depress the brake pedal slowly and hold the pedal until the fluid begins to flow.
16.10. Close the valve and release the brake pedal.

IMPORTANT: Ensure that the bleeder valves do not leak.

16.11. Repeat the previous four steps until air bubbles are no longer present.

16.11.1. Tighten the traction control module bleeder valves to 9 Nm (80 inch lbs).
16.11.2. Tighten the traction control module bracket bolt to 3 Nm (27 inch lbs).

17. Perform the following steps in order to bleed the brakes in the sequence shown above:

17.1. Attach a clear bleeder hose (3) to the bleeder valve at the wheel.
17.2. Submerge the opposite hose in a clean container (2) partially filled with clean brake fluid.
17.3. Open the bleeder valve.
17.4. Slowly depress the brake pedal.
17.5. Close the valve and slowly release the brake pedal.
17.6. Wait five seconds.
^ Tighten the front caliper bleeder valves to 13 Nm (115 inch lbs).
^ Tighten the rear caliper bleeder valves to 7 Nm (62 inch lbs).
^ Tighten the rear wheel cylinder bleeder valves to 7 Nm (62 inch lbs).

18. Lower the vehicle.





19. Remove the brake fluid reservoir. Fill the reservoir to the correct level if necessary.
20. Install the brake fluid reservoir cover.
21. Complete the following steps in order to bleed the ABS modulator/master cylinder assembly:

21.1. Attach a clear plastic bleeder hose to the rearward bleeder valve on the ABS brake modulator.
21.2. Submerge the opposite hose end in a clean container partially filled with clean brake fluid.
21.3. Depress the brake pedal with moderate force.
21.4. Slowly open the rearward bleeder valve and allow the fluid to flow.
21.5. Close the valve and release the brake pedal.
21.6. Wait five seconds.
21.7. Repeat the previous six steps until air bubbles are no longer visible in the bleeder hose.

22. Relocate the bleeder hose to the forward brake modulator bleeder valve. Submerge the opposite hose end in a clean container partially filled with clean brake fluid.
23. Depress the brake pedal with moderate force.
24. Slowly open the forward bleeder valve and allow the fluid to flow.
25. Close the valve and release the brake pedal.
26. Wait five seconds.
27. Repeat the previous five steps until air bubbles are no longer visible in the bleeder hose.





28. Bleed the traction control module.

28.1. Attach a clear plastic bleeder hose to the right side bleeder valve on the traction control module.
28.2. Submerge the opposite hose end in a clean container partially filled with the clean brake fluid.
28.3. Depress the brake pedal with moderate force.
28.4. Slowly open the bleeder valve and allow the fluid to flow.
28.5. Close the valve and release the brake pedal.
28.6. Wait five seconds.
28.7. Repeat the previous six steps until air bubbles are no longer visible in the bleeder hose.
28.8. Relocate the bleeder hose to the left side of the traction control module bleeder valve.
28.9. Submerge the opposite hose end in a clean container partially filled with the clean brake fluid.
28.10 Depress the brake pedal with moderate force.
28.11. Slowly open the bleeder valve and allow the fluid to flow.
28.12 Close the valve and release the brake pedal.
28.13 Wait five seconds.

Repeat the previous five steps until air bubbles are no longer visible in the bleeder hose.





29. Remove the brake fluid reservoir cover.
30. Inspect the brake fluid level in the reservoir. Fill to the correct level if necessary.
31. Install the brake fluid reservoir cover.
32. Turn the ignition switch to the RUN position, then turn off the engine. Apply the brake pedal with moderate force and hold the pedal. Note the pedal travel and feel.
33. If the pedal feels firm and constant and pedal travel is not excessive, start the engine. With the engine running, recheck the pedal travel.
34. If the pedal feel is still firm and constant and pedal travel is not excessive, perform a vehicle road test. Make several normal (non-ABS) stops from a moderate speed in order to ensure proper brake system function.
35. If pedal feel is soft or has excessive travel either initially or after engine start, use the following procedure:

35.1. Using the Scan Tool, release then apply each motor 2-3 times and cycle each solenoid 5-10 times.
35.2. Apply the front and the rear motors in order to ensure that the pistons are in the upmost position. Do not drive the vehicle.
35.3. If a Scan Tool is not available, remove your foot from the brake pedal, then start the engine. Allow the engine to run for at least ten seconds in order to initialize the ABS. Do not drive the vehicle.
35.4. After ten seconds, turn off the ignition.

36. Repeat the initialization procedure five times in order to dislodge any air in the system.
37. Repeat the manual bleeding procedure, starting at Step 1.
38. Perform a vehicle road test. Make several normal (non-ABS) stops from a moderate speed in order to ensure proper brake system function.