Operation CHARM: Car repair manuals for everyone.
Manuals through 2025 now available!

Our trusted friends have launched a new website named LEMON, which has newer manuals. It also contains all the CHARM manuals.

LEMON is the spiritual successor to CHARM, I recommend you try it!

Link: lemon-manuals.la or lemon-manuals.org.ua

(Some people have issue connecting. LEMON is investigating. For now, use Firefox or change your DNS server)

Or, hide this message: temporarily or permanently

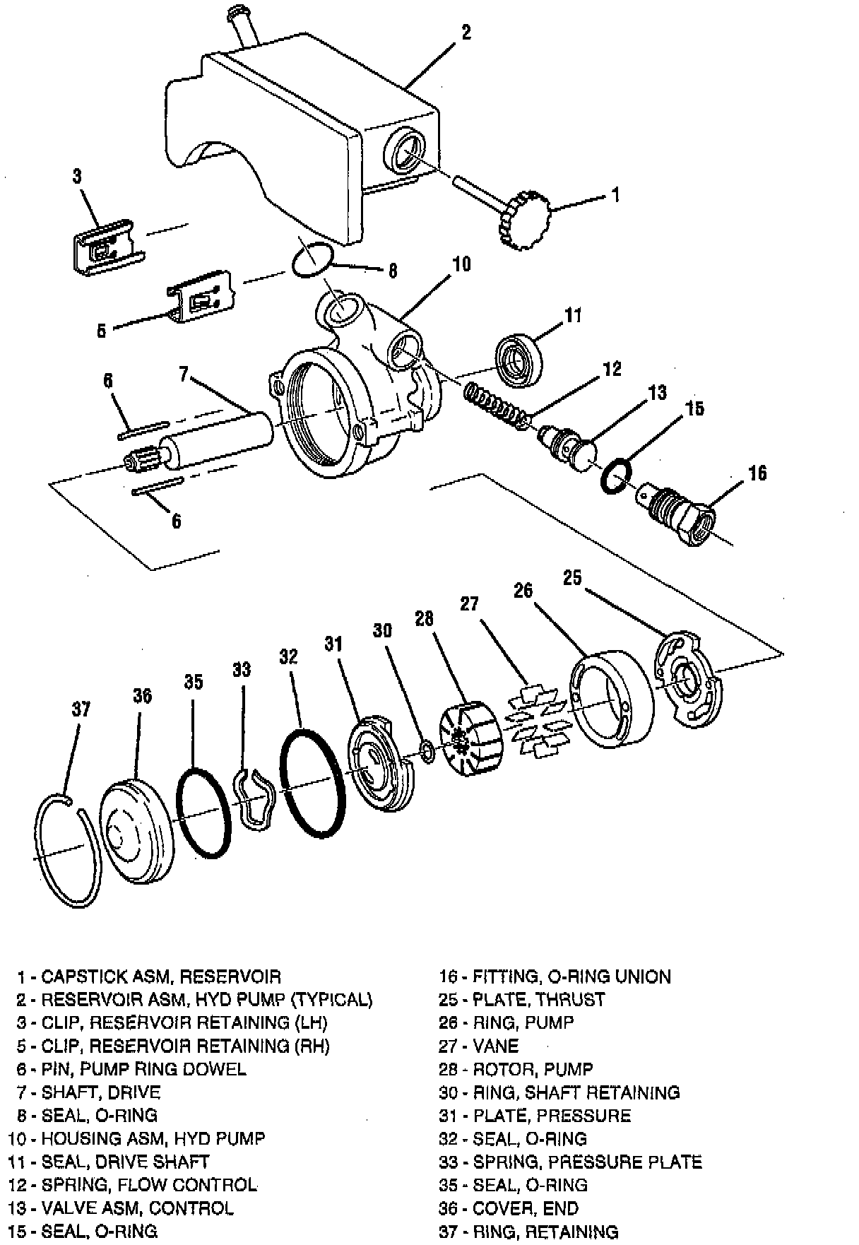
Power Steering Pump






Fastener Tightening Specifications:

Fittings: 27 N.m (20 ft. lbs.)
Power Steering Pump Bolt: 34 N.m (25 ft. lbs.)
Pump Mounting Bolt: 34 N.m (25 ft. lbs.)
O-Ring Union Fitting (16): 75 N.m (55 ft. lbs.)