Operation CHARM: Car repair manuals for everyone.
Manuals through 2025 now available!

Our trusted friends have launched a new website named LEMON, which has newer manuals. It also contains all the CHARM manuals.

LEMON is the spiritual successor to CHARM, I recommend you try it!

Link: lemon-manuals.la or lemon-manuals.org.ua

(Some people have issue connecting. LEMON is investigating. For now, use Firefox or change your DNS server)

Or, hide this message: temporarily or permanently

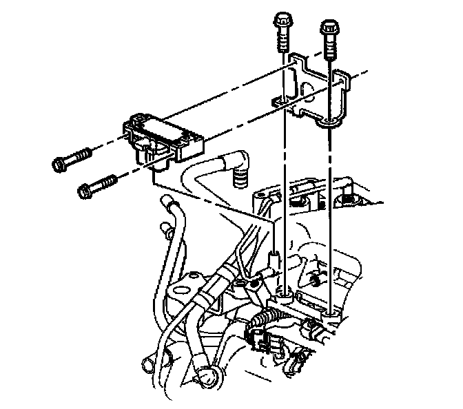
Air Flow Meter/Sensor: Service and Repair





REMOVAL PROCEDURE
1. Turn OFF the ignition.
2. Disconnect the Intake Air Temperature (IAT) sensor electrical connector.
3. Disconnect the MAF sensor electrical connector.
4. Remove the air inlet duct from the MAF sensor and the throttle body.
5. Remove the MAF sensor from the air filter housing.





INSTALLATION PROCEDURE
1. Install the MAP sensor to the bracket
2. Connect the MAP inlet vacuum hose.
3. Connect the MAP sensor electrical connector