Operation CHARM: Car repair manuals for everyone.
Manuals through 2025 now available!

Our trusted friends have launched a new website named LEMON, which has newer manuals. It also contains all the CHARM manuals.

LEMON is the spiritual successor to CHARM, I recommend you try it!

Link: lemon-manuals.la or lemon-manuals.org.ua

(Some people have issue connecting. LEMON is investigating. For now, use Firefox or change your DNS server)

Or, hide this message: temporarily or permanently

Oxygen Sensor: Service and Repair





NOTE: The Heated Oxygen Sensor (HO2S) and the Oxygen Sensor use a permanently attached pigtail and connector. Do not remove this pigtail from the Heated Oxygen Sensor. Damage or the removal of the pigtail or the connector could affect the proper operation of the sensor.

Take care when handling the HO2S and the O2S. Keep the in-line electrical connector and the louvered end free of grease, dirt, or other contaminants. Also avoid using cleaning solvents of any type. Do not drop the HO2S or the O2S. Do not roughly handle the HO2S or the O2S.

IMPORTANT: Take care when handling the heated oxygen sensor. The in-line electrical connector and louvered end must be kept free of grease, dirt or other contaminants. Also, avoid using cleaning solvents of any type. Do not drop or roughly handle the heated oxygen sensor/catalyst monitor. A dropped sensor is a bad sensor.

NOTE:
^ Remove oxygen sensors with the engine temperature above 48°C (120°F). Otherwise the oxygen sensors may be difficult to remove.
^ Take care when handling oxygen sensors. The electrical connector and louvered end must be kept free of contaminants. Do not use cleaning solvents on the sensor. Do not drop or mishandle the sensor.
^ A special anti-seize compound is used on the oxygen sensor threads. New service sensors should already have the compound applied to the threads. Coat the threads of a reused sensor with anti-seize compound P/N 5613695 or equivalent.

TOOLS REQUIRED
J 39194 Oxygen Sensor Wrench




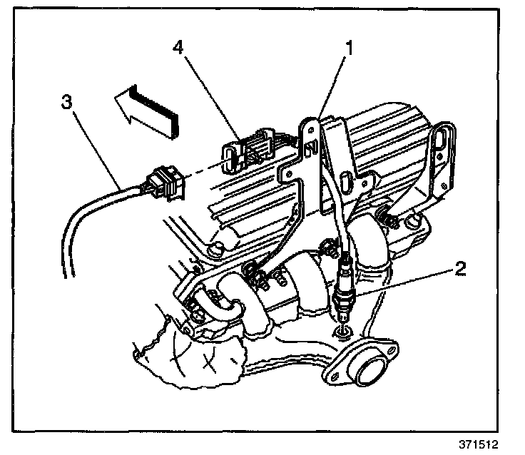
SENSOR 1 REMOVAL PROCEDURE
1. Remove the HO2S retaining clip (4) from the bracket (1).
2. Disconnect the HO2S electrical connector tab (3) from the HO2S1 retaining clip (4).
3. Remove the HO2S electrical connector retainer.

CAUTION: Refer to Hoist Caution in Cautions and Notices

4. Raise and support the vehicle.
5. Remove the rear oxygen sensor from the rear exhaust manifold carefully using the J 39194.





SENSOR 1 INSTALLATION PROCEDURE

CAUTION: Refer to Fastener Notice in Cautions and Notices.

1. Install the rear oxygen sensor in the rear exhaust manifold.

Tighten
Tighten the rear HO2S to 41 N.m (30 lb ft).




2. Connect the HO2S electrical connector (3) to the HO2S (4).
3. Connect the HO2S electrical connector tab (4) to the bracket (1).
4. Install the HO2S electrical connector retainer.
5. Lower the vehicle.





SENSOR 2 REMOVAL PROCEDURE

CAUTION: Refer to Hoist Caution in Cautions and Notices.

IMPORTANT: The heated oxygen sensor may be difficult to remove when engine temperature is below 48°C (120°F). Excessive force may damage threads in exhaust manifold or exhaust pipe.

1. Raise and support the vehicle.
2. Remove the splash shield (3).
3. Disconnect the HO2S electrical connector retaining tab (1) from the HO2S electrical connector (2).
4. Disconnect the oxygen sensor connector (4) from the HO2S electrical connector (2).
5. Remove the oxygen sensor (4) from the exhaust pipe using the J 39194.





SENSOR 2 INSTALLATION PROCEDURE

NOTE: Refer to Fastener Notice in Cautions and Notices.

1. Install the oxygen sensor (4) in to the exhaust pipe.

Tighten
Tighten the oxygen sensor to 41 N.m (30 lb ft).

2. Connect the HO2S (4) electrical connector to the HO2S electrical connector (2).
3. Connect the HO2S electrical connector HO2S retaining tab (1).
4. Install the front splash shield (3).
5. Lower the vehicle.