Operation CHARM: Car repair manuals for everyone.
Manuals through 2025 now available!

Our trusted friends have launched a new website named LEMON, which has newer manuals. It also contains all the CHARM manuals.

LEMON is the spiritual successor to CHARM, I recommend you try it!

Link: lemon-manuals.la or lemon-manuals.org.ua

(Some people have issue connecting. LEMON is investigating. For now, use Firefox or change your DNS server)

Or, hide this message: temporarily or permanently

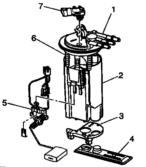
Fuel Level Sensor: Service and Repair

FUEL LEVEL SENSOR REPLACEMENT

REMOVAL PROCEDURE

IMPORTANT: Always maintain cleanliness when servicing fuel system components.




1. Remove the fuel sender assembly.
2. Remove the retaining clip from the fuel level sensor harness connector.
3. Disconnect the fuel level sensor harness connector from under the fuel sender cover.
4. Disconnect the fuel pump harness connector.
5. Remove the fuel level sensor (5) from the fuel sender assembly.

INSTALLATION PROCEDURE




1. Install the fuel level sensor (5) to modular fuel sender.
2. Connect the fuel pump harness connector.
3. Connect the fuel level sensor harness connector under the fuel sender cover.
4. Install the fuel level sensor harness retaining clip.
5. Install the fuel sender assembly.