Operation CHARM: Car repair manuals for everyone.
Manuals through 2025 now available!

Our trusted friends have launched a new website named LEMON, which has newer manuals. It also contains all the CHARM manuals.

LEMON is the spiritual successor to CHARM, I recommend you try it!

Link: lemon-manuals.la or lemon-manuals.org.ua

(Some people have issue connecting. LEMON is investigating. For now, use Firefox or change your DNS server)

Or, hide this message: temporarily or permanently

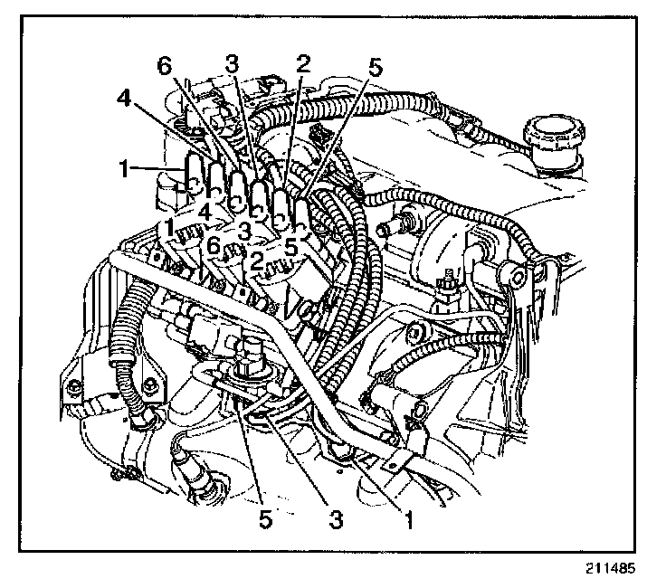
Spark Plug Wire Replacement

REMOVAL PROCEDURE




1. Turn OFF the ignition.

NOTE: Twist the spark plug boot one-half turn in order to release the boot. Pull on the spark plug boot only. Do not pull on the spark plug wire or the wire could be damaged.

2. Remove the spark plug wires 2, 4, and 6 from the front bank spark plugs.
3. Remove the spark plug wires from the retaining clips.




4. Remove the spark plug wires 1, 3, and 5 from the rear bank spark plugs.
5. Remove the spark plug wires from the retaining clips.




6. Remove the spark plug wires from the ignition coils.
7. Remove the spark plug wires from the engine.
8. If you are replacing the spark plug wires, transfer any of the following components:
^ Boot heat shields
^ Spark plug wire conduit
^ Spark plug wire retaining clips

INSTALLATION PROCEDURE




1. Install the spark plug wires to the engine.
2. Install the spark plug wires to the ignition coils.




3. Install the spark plug wires 1, 3, and 5 to the engine right side spark plugs.
4. Install the spark plug wires to the retaining clips.




5. Install the spark plug wires 2, 4, and 6 to the engine left side spark plugs.
6. Install the spark plug wires to the retaining clips.