Operation CHARM: Car repair manuals for everyone.
Manuals through 2025 now available!

Our trusted friends have launched a new website named LEMON, which has newer manuals. It also contains all the CHARM manuals.

LEMON is the spiritual successor to CHARM, I recommend you try it!

Link: lemon-manuals.la or lemon-manuals.org.ua

(Some people have issue connecting. LEMON is investigating. For now, use Firefox or change your DNS server)

Or, hide this message: temporarily or permanently

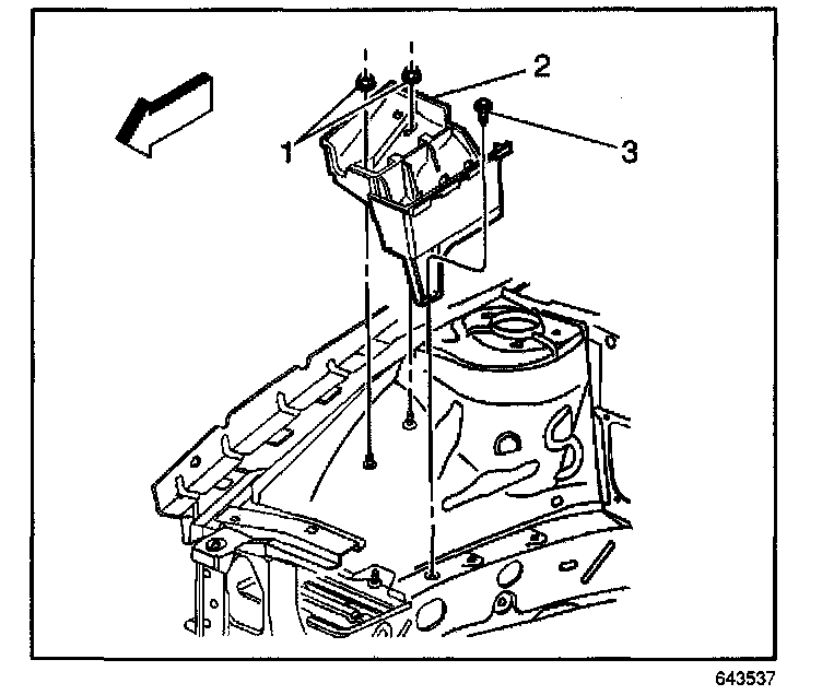
Fuse Block: Service and Repair

UNDERHOOD ELECTRICAL CENTER REPLACEMENT

REMOVAL PROCEDURE

CAUTION: Refer to Battery Disconnect Caution in Service Precautions.




1. Disconnect the battery at the fuse block.
2. Remove the MaxiFuse(R) holder from the electrical center base.




3. Use the following steps in order to remove the cover from the electrical center base:
^ Remove the 2 screws on the side near the MaxiFuse(R) holder.
^ Pull upward and slide the fuse to the left in order to release the fuse block.
^ Remove the electrical connectors from the fuse block and put them aside.
^ Remove the fuse block from the electrical center base.




4. Remove the 3 fasteners (3) securing the electrical center base to the vehicle.

INSTALLATION PROCEDURE

NOTE: Refer to Fastener Notice in Service Precautions.




1. Install the electrical center base to the vehicle.

Tighten
^ Tighten the fasteners on the wheel house (1) to 2 N.m (17 lb in).
^ Tighten the fastener (3) to 15 N.m (11 lb ft).

2. Install the electrical connectors to the electrical fuse block.




3. Install the fuse block to the electrical center base.




4. Install the MaxiFuse(R) holder to the electrical center base.

Tighten
Tighten the fastener securing MaxiFuse(R) holder to the electrical center base to 2 N.m (17 lb in).

5. Connect the battery cables to the fuse block.