Operation CHARM: Car repair manuals for everyone.
Manuals through 2025 now available!

Our trusted friends have launched a new website named LEMON, which has newer manuals. It also contains all the CHARM manuals.

LEMON is the spiritual successor to CHARM, I recommend you try it!

Link: lemon-manuals.la or lemon-manuals.org.ua

(Some people have issue connecting. LEMON is investigating. For now, use Firefox or change your DNS server)

Or, hide this message: temporarily or permanently

Inflatable Restraint Sensing and Diagnostic Module

INFLATABLE RESTRAINT SENSING AND DIAGNOSTIC MODULE REPLACEMENT

CAUTION:
^ Be careful when you handle a sensing and diagnostic module (SDM). Do not strike or jolt the SDM. Before applying power to the SDM:
^ Remove any dirt, grease, etc. from the mounting surface
^ Position the SDM horizontally on the mounting surface
^ Point the arrow on the SDM toward the front of the vehicle
^ Tighten all of the SDM fasteners and SDM bracket fasteners to the specified torque value
Failure to follow the correct procedure could cause air bag deployment, personal injury, or unnecessary SIR system repairs.
^ If any water enters the vehicle's interior up to the level of the carpet or higher and soaks the carpet, the sensing and diagnostic module (SDM) and the SDM harness connector may need to be replaced. The SDM could be activated when powered, which could cause deployment of the air bag(s) and result in personal injury. Before attempting these procedures, the SIR system must be disabled. Refer to Disabling the SIR System. Disabling

With the ignition OFF, inspect the SDM mounting area, including the carpet. If any significant soaking or evidence of significant soaking is detected, you must perform the following tasks:
1. Remove all water.
2. Repair the water damage.
3. Replace the SDM harness connector.
4. Replace the SDM.

Failure to follow these tasks could result in possible air bag deployment, personal injury, or otherwise unneeded SIR system repairs.


REMOVAL PROCEDURE




1. Disable the SIR system. Refer to Disabling the SIR System. Disabling
2. Remove the front passenger seat. Refer to Seat Replacement in Seats.
3. Remove or lift up the carpet from the vehicle.
4. Lifting the carpet and insulation will gain access to the inflatable restraint sensing and diagnostic module (SDM).




5. Remove both Connector Position Assurance (CPA) (1) from SDM wiring harness connectors (3).
6. Disconnect both SDM wiring harness connectors (3) from the SDM (2).




7. Remove SDM mounting fasteners (2).
8. Remove the SDM (1) from the vehicle floor (3).

INSTALLATION PROCEDURE




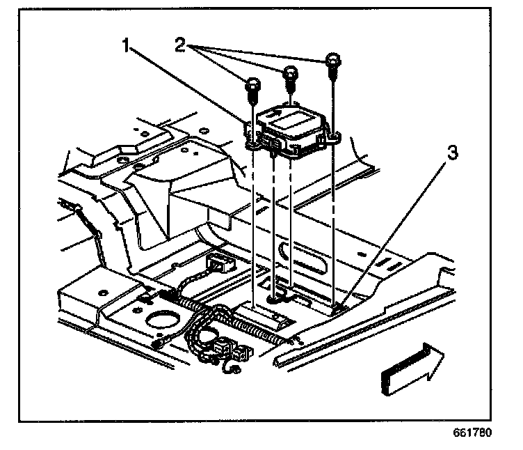
1. Install the SDM (1) to the vehicle floor (3).

NOTE: Refer to Fastener Notice in Service Precautions.

2. Install SDM mounting fasteners (2).

Tighten
Tighten the fasteners to 9 N.m (80 lb in).




3. Connect both SDM wiring harness connectors (3) to the SDM (2).
4. Install both Connector Position Assurance (CPA) (1) to SDM wiring harness connectors (3).




5. Install the carpet into the vehicle.
6. Install the front passenger seat.
7. Enable the SIR system. Refer to Enabling the SIR System. Enabling
8. After replacing the SDM the new SDM must be programmed into the Body Control Module. Refer to BCM Programming/RPO Configuration in Body Control Module. Programming and Relearning