Operation CHARM: Car repair manuals for everyone.
Manuals through 2025 now available!

Our trusted friends have launched a new website named LEMON, which has newer manuals. It also contains all the CHARM manuals.

LEMON is the spiritual successor to CHARM, I recommend you try it!

Link: lemon-manuals.la or lemon-manuals.org.ua

(Some people have issue connecting. LEMON is investigating. For now, use Firefox or change your DNS server)

Or, hide this message: temporarily or permanently

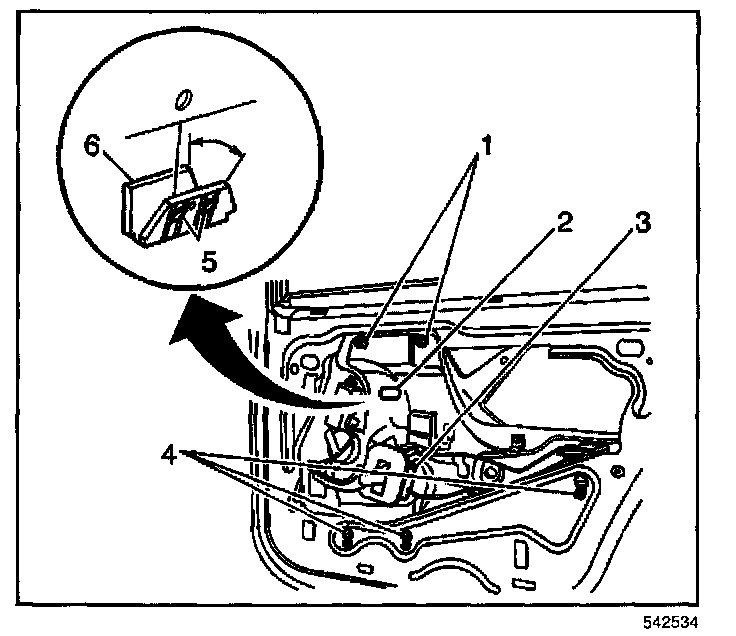
Module Replacement - Rear Power Window

REMOVAL PROCEDURE




1. Remove the door trim panel.
2. Remove the water deflector.
3. Remove the door trim panel bracket fasteners (2).
4. Remove the trim panel bracket.
5. Disconnect the outside door handle rod from the door latch.




6. Reconnect the power window switch.
7. Lower the window in order to gain access to the front window clamp through the access hole (2).
8. Depress the tabs (5) on the window clamps (6) in order to release the window from the module.
9. Manually lift the window to the fully closed position.
10. Tape the window in place.
11. Disconnect the power window motor electrical connector.
12. Disconnect the door latch wiring harness (3) from the door wiring harness.
13. Remove the upper fasteners (1).
14. Loosen the 3 lower fasteners (4).




15. Remove the door latch fasteners (1).
16. Remove the power window module with the door latch attached.
17. Disconnect the inside door handle and lock rods from the door latch.
18. Remove the door latch wiring harness from the power window module.
19. Remove the door latch from the power window module.
20. Remove the inside door handle and lock rods from the inside door handle.

INSTALLATION PROCEDURE




1. Install the inside door handle and lock rods to the inside door handle.
2. Install the door latch onto the retainer on the power window module.
3. Install the inside door handle and lock rods to the door latch.
4. Install the door latch wiring harness to the power window module with the push-in connectors.
5. Connect the wiring connectors to the door latch.
6. Install the power window module (2) into the door.




7. Align the 3 lower fasteners (4) to the keyhole slots in the door.

NOTE: Refer to Fastener Notice in Service Precautions.

8. Install the upper fasteners (1).

Tighten
Tighten the fasteners (14) to 10 N.m (89 lb in).




9. Install the door latch fasteners (1).

Tighten
Tighten the fasteners to 10 N.m (89 lb in).

10. Install the outside door handle rod to the door latch.




11. Lower the window into the window module until the window clamp tabs (5) snap into place.
12. Connect the door latch wiring harness (3) to the door wiring harness.
13. Connect the power window motor wiring connector.
14. Check the window for proper adjustment. Refer to Window Adjustment - Rear Door




15. Install the trim panel bracket (1).
16. Install the fasteners (2).

Tighten
Tighten the fasteners to 9 N.m (80 lb in).

17. Install the water deflector.
18. Install the door trim panel.