Operation CHARM: Car repair manuals for everyone.
Manuals through 2025 now available!

Our trusted friends have launched a new website named LEMON, which has newer manuals. It also contains all the CHARM manuals.

LEMON is the spiritual successor to CHARM, I recommend you try it!

Link: lemon-manuals.la or lemon-manuals.org.ua

(Some people have issue connecting. LEMON is investigating. For now, use Firefox or change your DNS server)

Or, hide this message: temporarily or permanently

Heated Oxygen Sensor (HO2S) 2 Replacement

TOOLS REQUIRED
J 39194 Oxygen Sensor Wrench

NOTE: The Heated Oxygen Sensor (HO2S) and the Oxygen Sensor use a permanently attached pigtail and connector. Do not remove this pigtail from the Heated Oxygen Sensor. Damage or the removal of the pigtail or the connector could affect the proper operation of the sensor.

Take care when handling the HO2S and the O2S. Keep the in-line electrical connector and the louvered end tree of grease, dirt, or other contaminants. Also avoid using cleaning solvents of any type. Do not drop the HO2S or the O2S. Do not roughly handle the HO2S or the O2S.

BANK 1 SENSOR 2 REMOVAL PROCEDURE

IMPORTANT: The heated oxygen sensor may be difficult to remove when engine temperature is less than 48°C (120°F). Excessive force may damage the threads in the exhaust manifold or the exhaust pipe.




1. Turn OFF the ignition switch.

CAUTION: Refer to Vehicle Lifting Caution in Service Precautions.

2. Raise and support the vehicle. Refer to Lifting and Jacking the Vehicle.
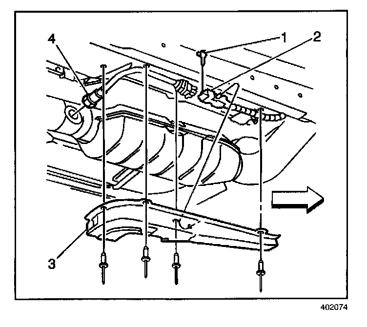
3. Remove the HO2S electrical connector retaining tab (1) from the HO2S electrical connector (2).
4. Disconnect the oxygen sensor connector from the HO2S electrical connector (2).

IMPORTANT: Remove oxygen sensors with the engine temperature above 48°C (120°F). Otherwise the oxygen sensors may be difficult to remove.

5. Remove the oxygen sensor (4) from the exhaust pipe using the J 39194.

BANK 1 SENSOR 2 INSTALLATION PROCEDURE

NOTE: Refer to Fastener Notice in Service Precautions.

IMPORTANT: A special anti-seize compound is used on the oxygen sensor threads. New service sensors should already have the compound applied to the threads. Coat the threads of a reused sensor with anti-seize compound P/N 5613695 or equivalent.




1. Install the oxygen sensor (4) into the exhaust pipe.

Tighten
Tighten the oxygen sensor to 41 N.m (30 lb ft).

2. Connect the HO2S (4) connector to the HO2S electrical connector (2).
3. Reinstall the retaining tab (1) into the HO2S electrical connector.
4. Lower the vehicle.